GM Service Manual Online
For 1990-2009 cars only
Makes
🢒
Chevrolet
🢒
2005
🢒
Kodiak C-Series (Conventional) C6/C7/C8
🢒
Accessories
🢒
Air Compressor - Auxiliary
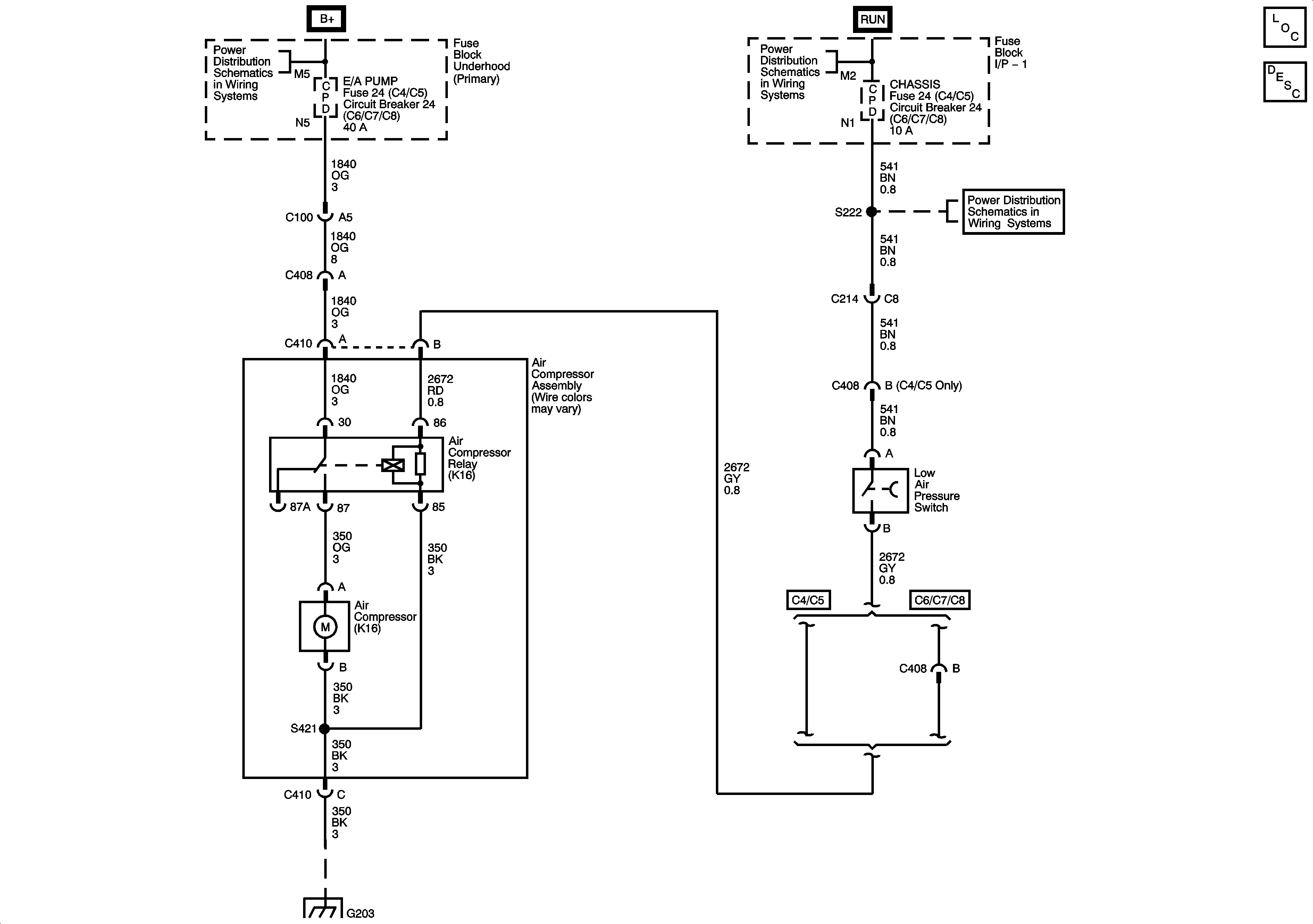
🢒 Auxiliary Air Compressor Schematics
Master Electrical Component List
Exhaust Brake Description and Operation (Without RPO LLY)
ABS 2, ABS 3, ABS 1, and E/A Pump Fuses and HORN Fuse/Circuit Breaker
Ignition Switch, RUN and ACC/RUN Bus Bars
BRAKE, CHASSIS, HTR/AC, and AXLE/4WD Fuses/Circuit Breakers
G112, G113, G203 - 4 of 4, G204, G205 and G400