GM Service Manual Online
For 1990-2009 cars only
Makes
🢒
Chevrolet
🢒
2005
🢒
Kodiak C-Series (Conventional) C6/C7/C8
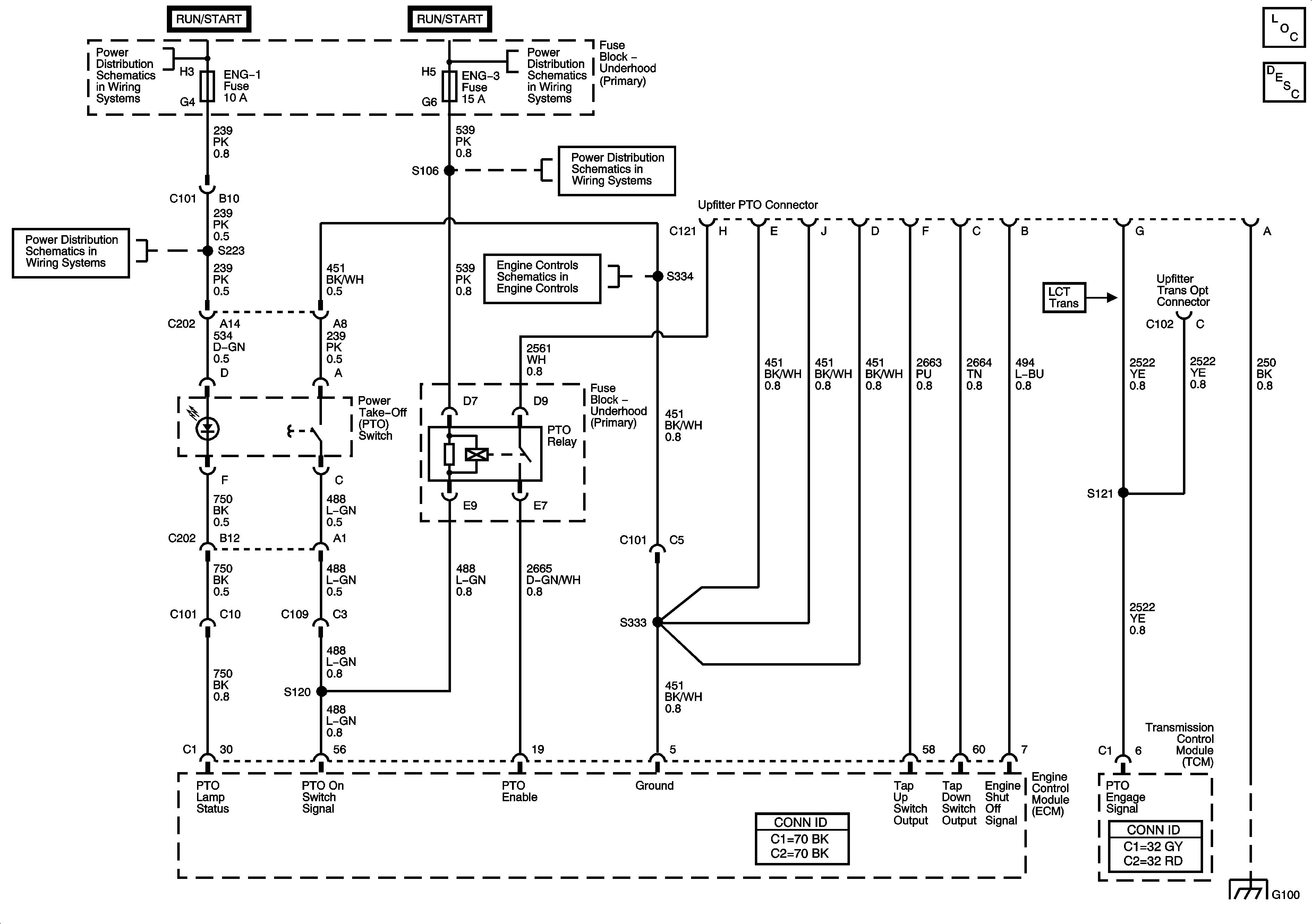
🢒 Power Take-Off (PTO) Schematics
Power Take-Off (PTO) Schematics
Master Electrical Component List
Power Take-Off (PTO) Description and Operation
Underhood Fuse Block, ENG4 and ENG1 Fuses (LG4/LG5)
BRAKE, CHASSIS, HTR/AC, and AXLE/4WD Fuses/Circuit Breakers
Underhood Fuse Block, ENG4 and ENG1 Fuses (LG4/LG5)
BRAKE, CHASSIS, HTR/AC, and AXLE/4WD Fuses/Circuit Breakers
Device Controls - Switches
G100 (LG5)