GM Service Manual Online
For 1990-2009 cars only
Makes
🢒
Chevrolet
🢒
2005
🢒
Kodiak C-Series (Conventional) C6/C7/C8
🢒 1 of 2
1 of 2
1 of 2
Master Electrical Component List
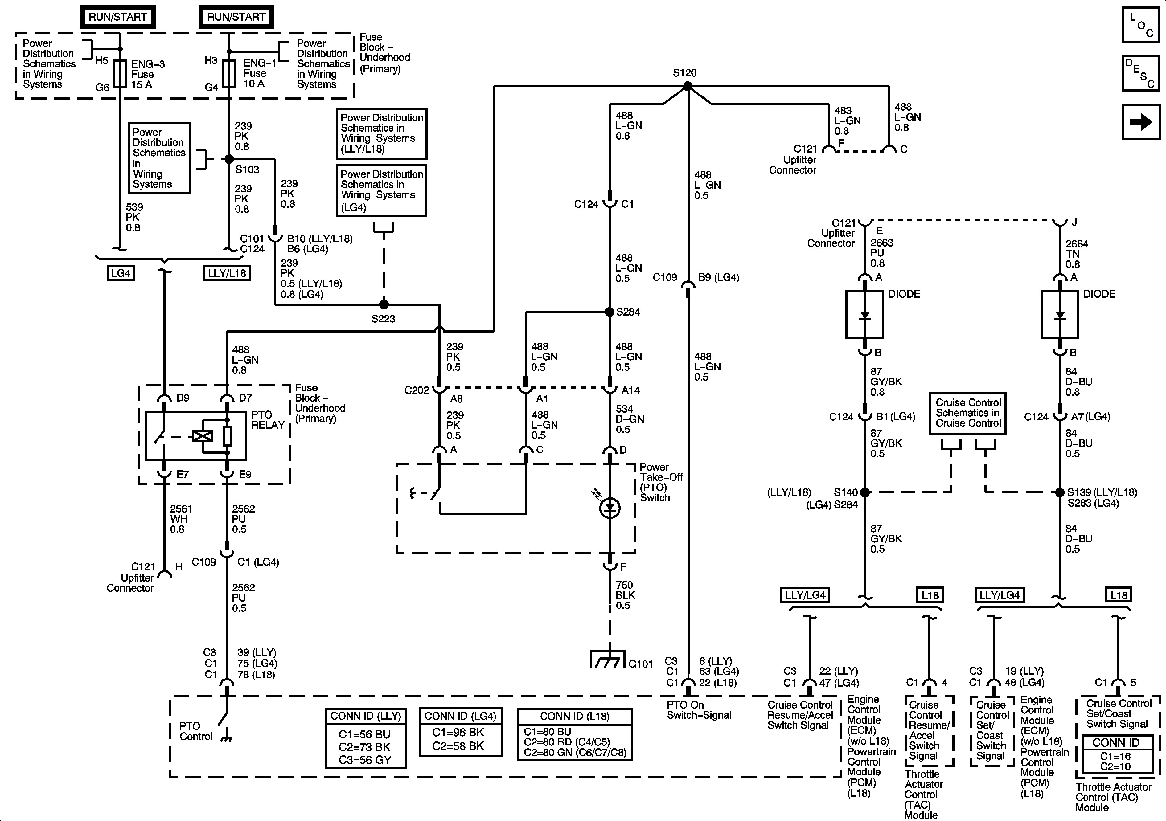
Power Take-Off (PTO) Description and Operation
Power Takeoff (LG4/L18/LB7) - 2 of 2
Underhood Fuse Block, ENG 3, O2A, and ENG 2 Fuses (LG4)
Underhood Fuse Block, ENG4 and ENG1 Fuses (LG4/LG5)
Underhood Fuse Block, ENG4 and ENG1 Fuses (LG4/LG5)
Underhood Fuse Block, ENG4 and ENG1 Fuses (LG4/LG5)
Underhood Fuse Block, ENG 4 and ENG 1 Fuses (L18/LB7)
Cruise Control Switch (L18/LB7)
G101 - 1 of 2