GM Service Manual Online
For 1990-2009 cars only
Makes
🢒
Chevrolet
🢒
2005
🢒
Kodiak C-Series (Conventional) C6/C7/C8
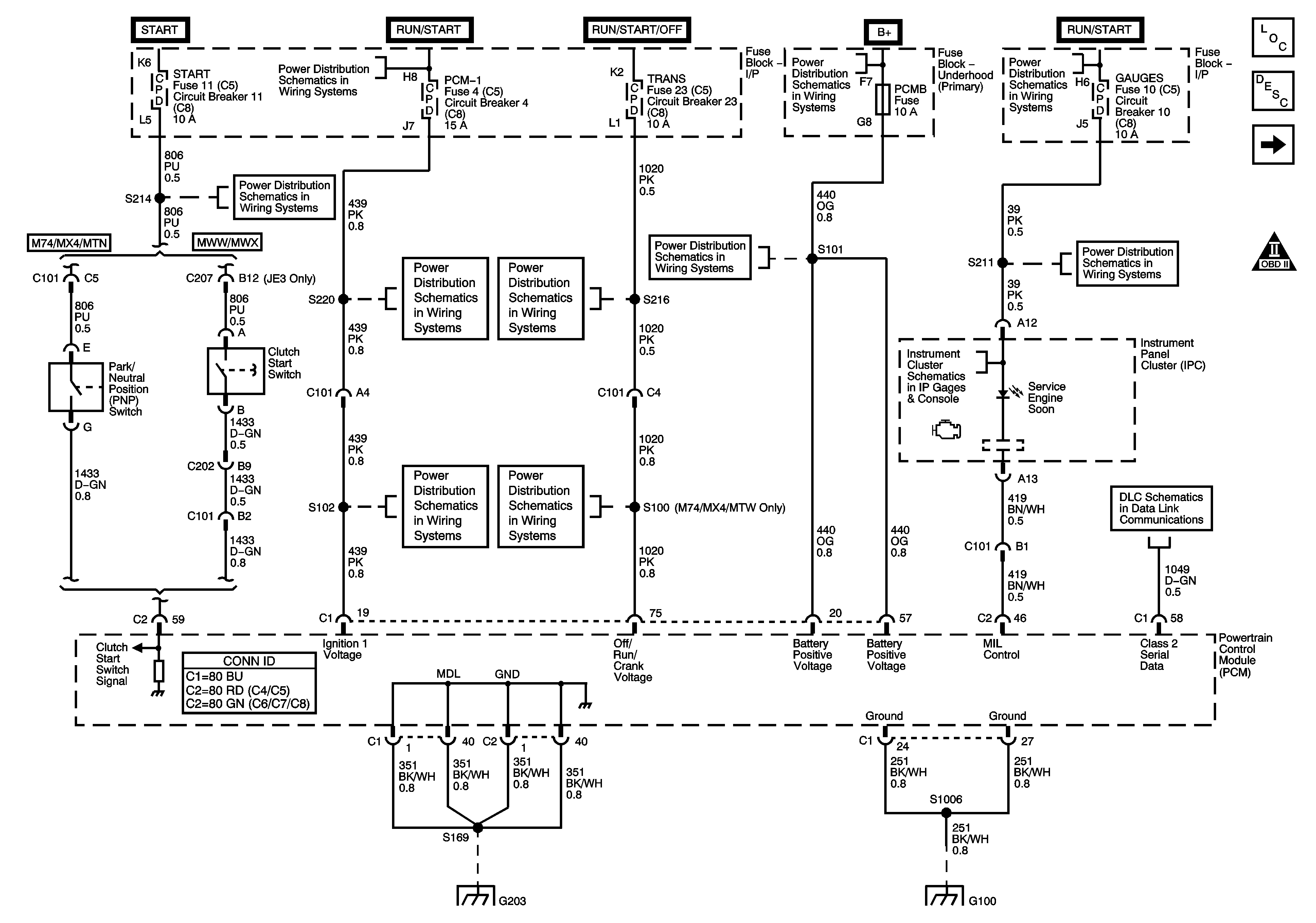
🢒 Module Power, Ground, Serial Data, and MIL
Module Power, Ground, Serial Data, and MIL
Module Power, Ground, Serial Data and MIL
Master Electrical Component List
Powertrain Control Module Description
Engine Data Sensors - 5 Volt and Low Reference
Engine Controls Schematic Icons
Ignition Switch, OFF/RUN/START, RUN/START, and START Bus Bars
Underhood Fuse Block, PCM-B, HTD FUEL, A/C COMP, and RR DEFOG Fuses
I/P Fuse Block, R-RR TRUCK, L-RR TRUCK, GAGES, and SIR Fuses/Circuit Breaker
I/P Fuse Block, START and TRANS Fuses/Circuit Breakers
Underhood Fuse Block, ENGINE Fuse and I/P Fuse Block, PCM-I Fuse/Circuit Breaker
I/P Fuse Block, START and TRANS Fuses/Circuit Breakers
I/P Fuse Block, START and TRANS Fuses/Circuit Breakers
I/P Fuse Block, START and TRANS Fuses/Circuit Breakers
Underhood Fuse Block, PCM-B, HTD FUEL, A/C COMP, and RR DEFOG Fuses
I/P Fuse Block, R-RR TRUCK, L-RR TRUCK, GAGES, and SIR Fuses/Circuit Breaker
Splice Pack SP203 (L18/LB7/LG4)
G200, G202, and G203 - 1 of 4
G100 (L18)