GM Service Manual Online
For 1990-2009 cars only
Makes
🢒
Chevrolet
🢒
2005
🢒
Kodiak C-Series (Conventional) C6/C7/C8
🢒 Ignition Systems - CMP and CKP Sensors
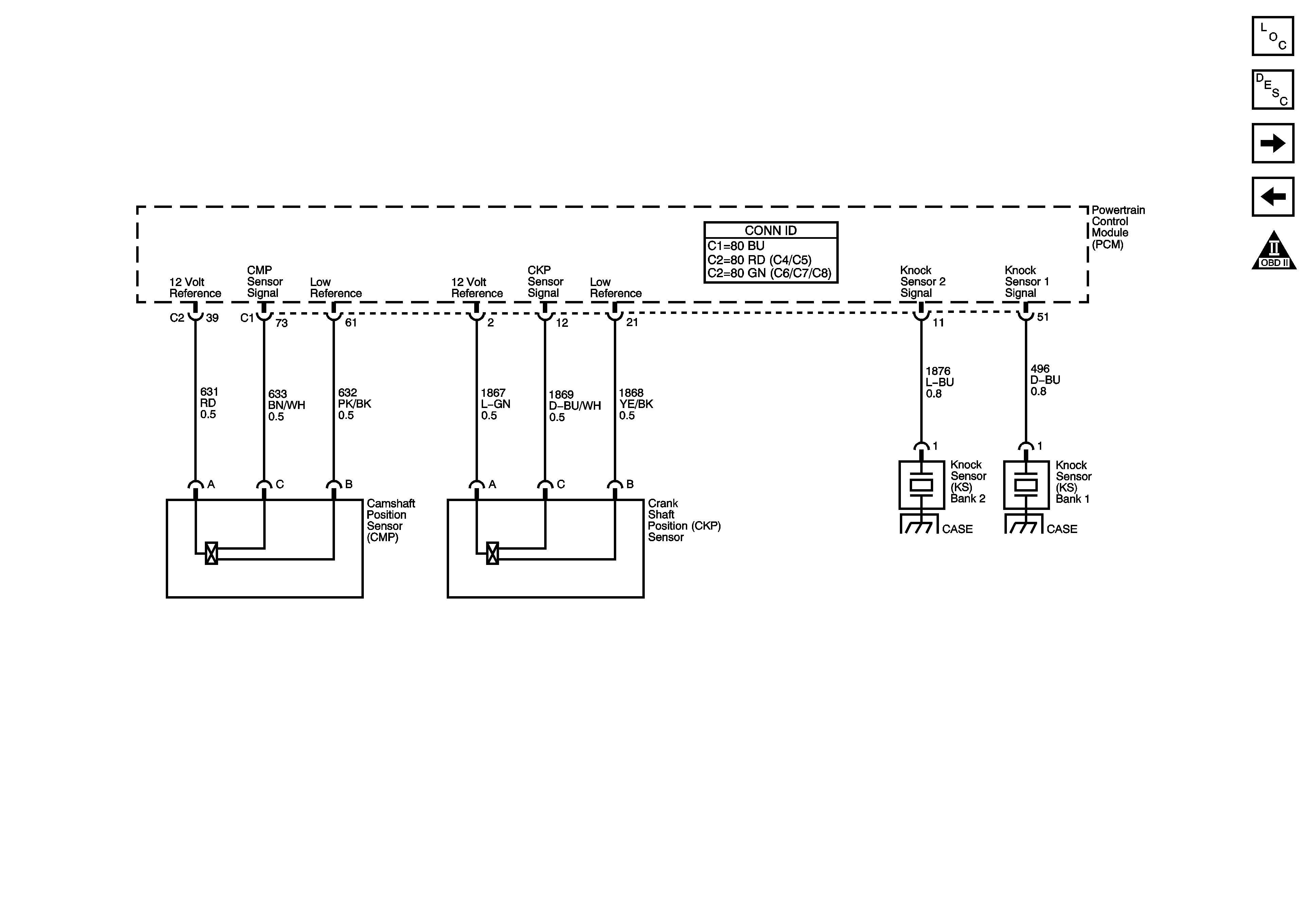
Ignition Systems - CMP and CKP Sensors
Ignition Systems - CMP and CKP Sensors
Master Electrical Component List
Knock Sensor (KS) System Description
Fuel Controls - Fuel Pump Controls
Ignition Controls - Ignition System - 2 of 2
Engine Controls Schematic Icons