GM Service Manual Online
For 1990-2009 cars only
Makes
🢒
Chevrolet
🢒
2005
🢒
Kodiak C-Series (Conventional) C6/C7/C8
🢒 Fuel Controls - Fuel Pump Controls
Fuel Controls - Fuel Pump Controls
Fuel Controls - Fuel Pump Controls
Master Electrical Component List
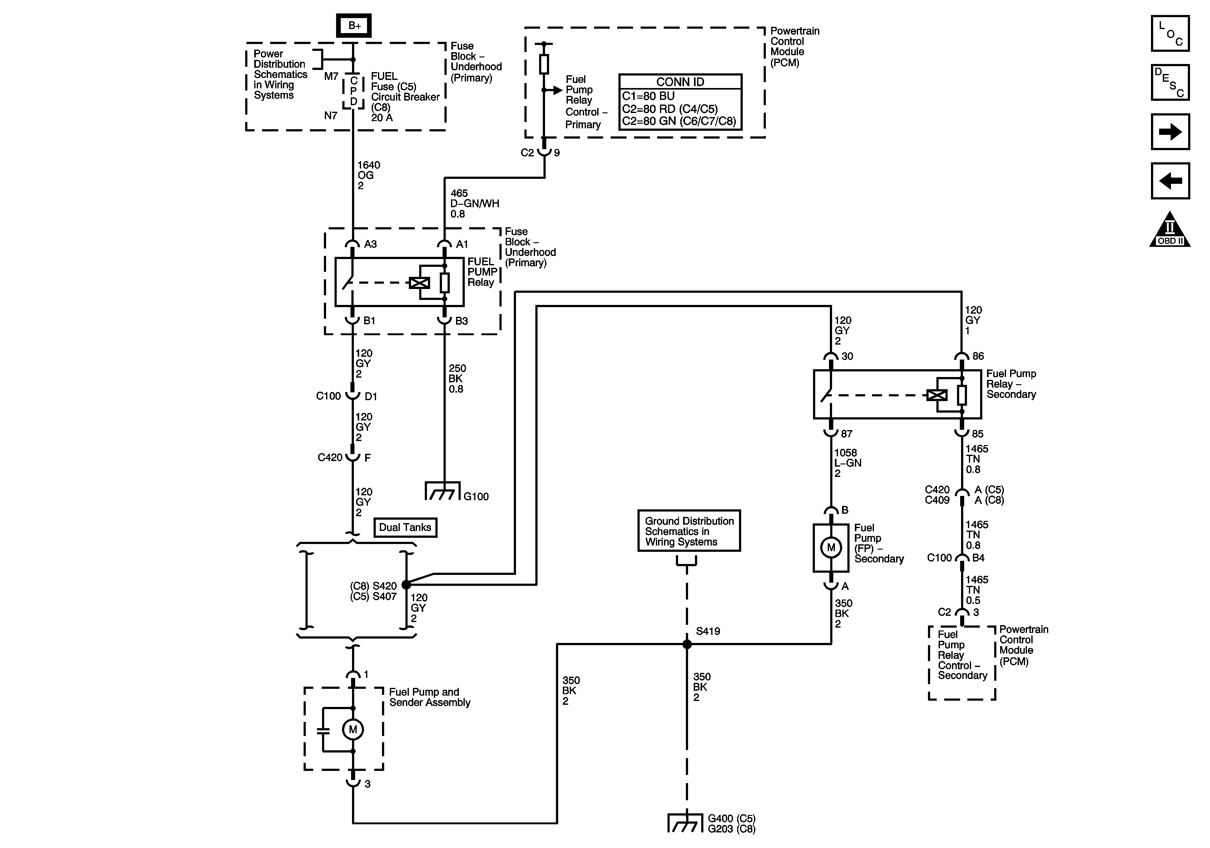
Fuel System Description
Fuel System - B3D Only
Ignition Systems - CMP and CKP Sensors
Engine Controls Schematic Icons
B+ Bus Bar
G112, G113, G203 - 4 of 4, G204, G205 and G400
G112, G113, G203 - 4 of 4, G204, G205 and G400