GM Service Manual Online
For 1990-2009 cars only
Makes
🢒
Chevrolet
🢒
2005
🢒
Kodiak C-Series (Conventional) C6/C7/C8
🢒 Door Lock Actuators
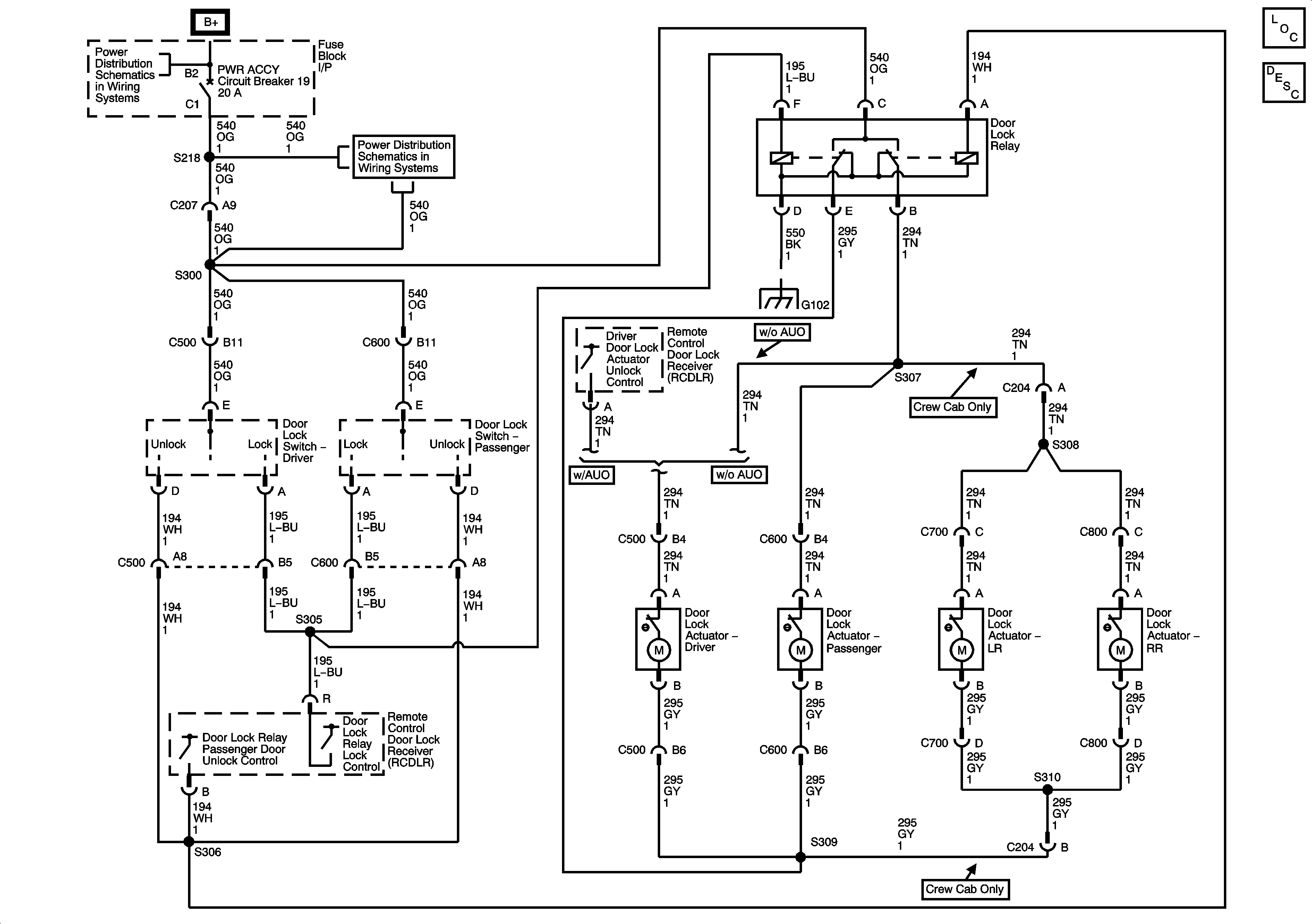
Door Lock Actuators
Master Electrical Component List
Power Door Locks Description and Operation
Underhood Fuse Block, I/P Fuse Block, BATT/HAZ Fuse, PWR ACCY, HAZARD, TRLR TRN/HAZ, and STOP Fuses/Circuit Breakers
Underhood Fuse Block, I/P Fuse Block, BATT/HAZ Fuse, PWR ACCY, HAZARD, TRLR TRN/HAZ, and STOP Fuses/Circuit Breakers
G102 - 1 of 2