GM Service Manual Online
For 1990-2009 cars only
Figure 1:

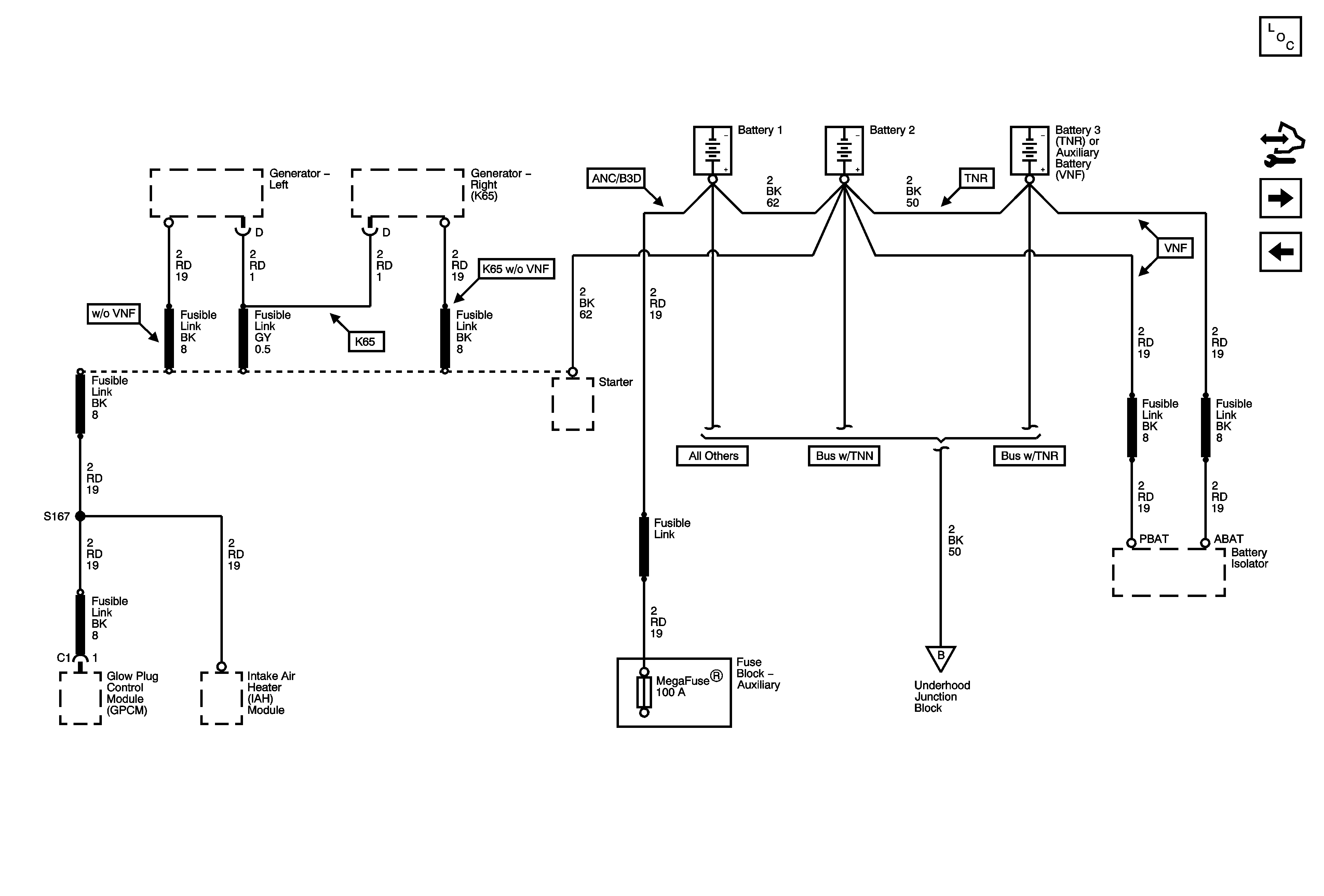
Batteries - L18


Object Number: 1841783  Size: FS
Master Electrical Component List
Control Module References
Batteries - LLY
Batteries - LG4/LG5 and B+ Bus
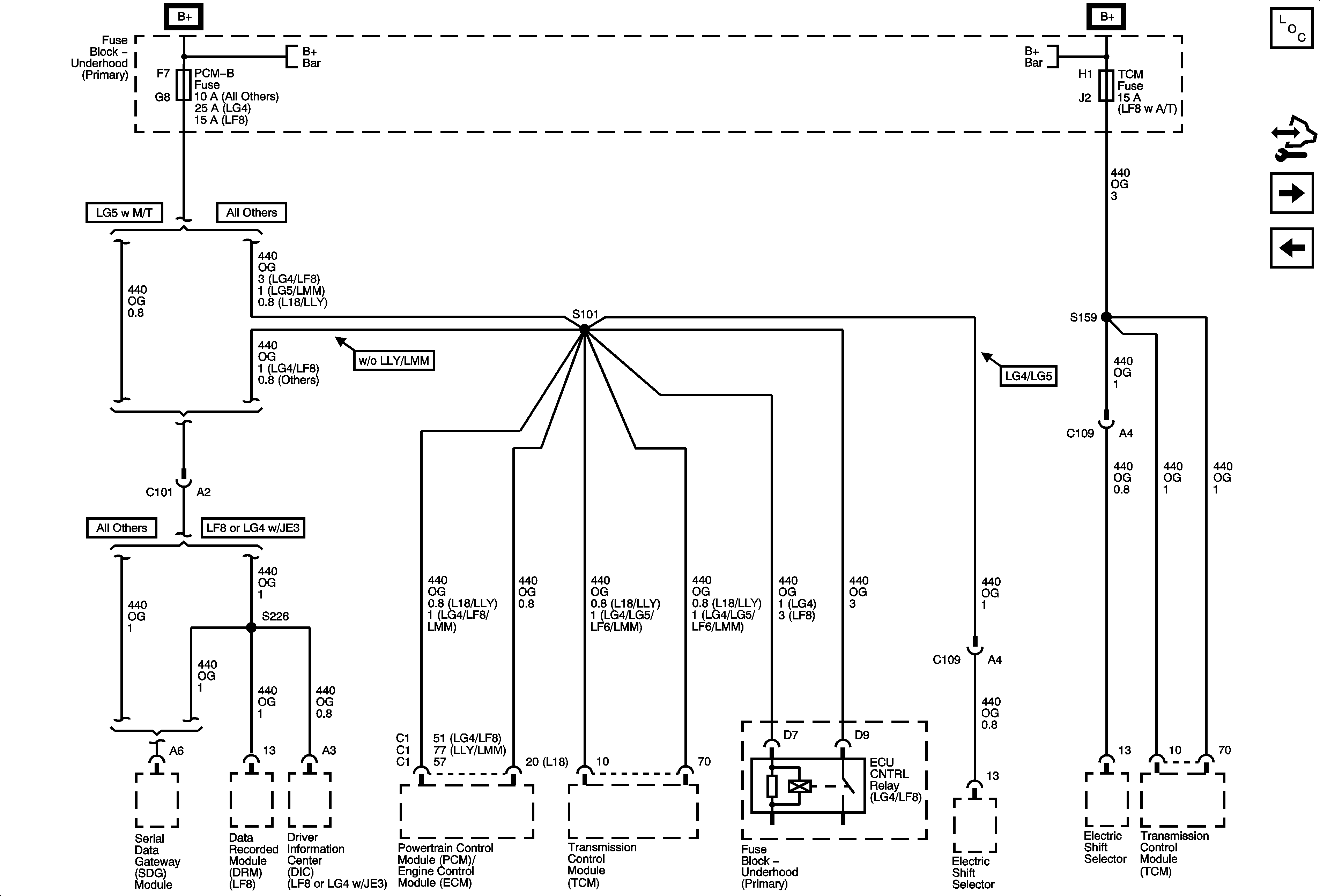
Figure 2:

Batteries - LLY


Object Number: 1841786  Size: FS
Master Electrical Component List
Control Module References
Batteries - LG4/LG5 and B+ Bus
Batteries - L18
Batteries - LG4/LG5 and B+ Bus
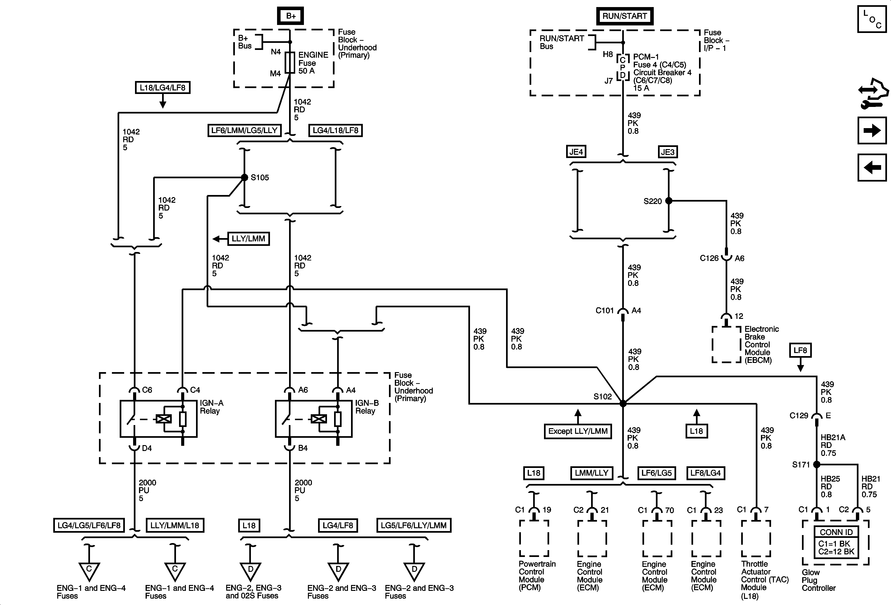
Figure 3:

Batteries - LG4/LG5 and B+ Bus


Object Number: 1841793  Size: FS
Master Electrical Component List
Control Module References
Ignition Switch - OFF/RUN/START, RUN/START, and START Busses
Batteries - LLY
Batteries - L18
Batteries - LLY
Figure 4:

Ignition Switch - OFF/RUN/START, RUN/START, and START Bus Bars


Object Number: 1841807  Size: FS
Master Electrical Component List
Control Module References
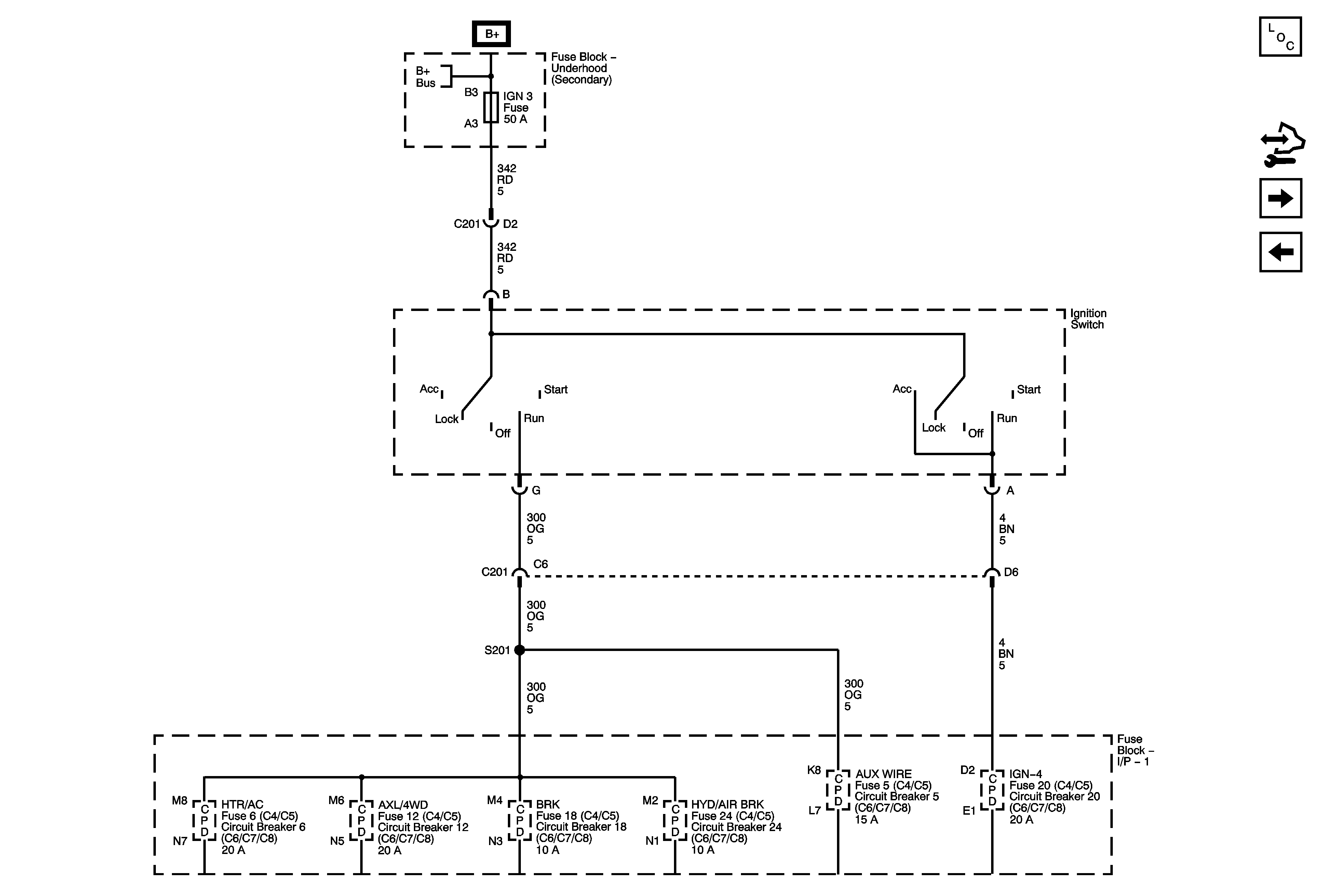
Ignition Switch - RUN and ACC/RUN Busses
Batteries - LG4/LG5 and B+ Bus
Batteries - LG4/LG5 and B+ Bus
Figure 5:

Ignition Switch - RUN and ACC/RUN Bus Bars and IGN 3 Fuse


Object Number: 1841817  Size: FS
Master Electrical Component List
Control Module References
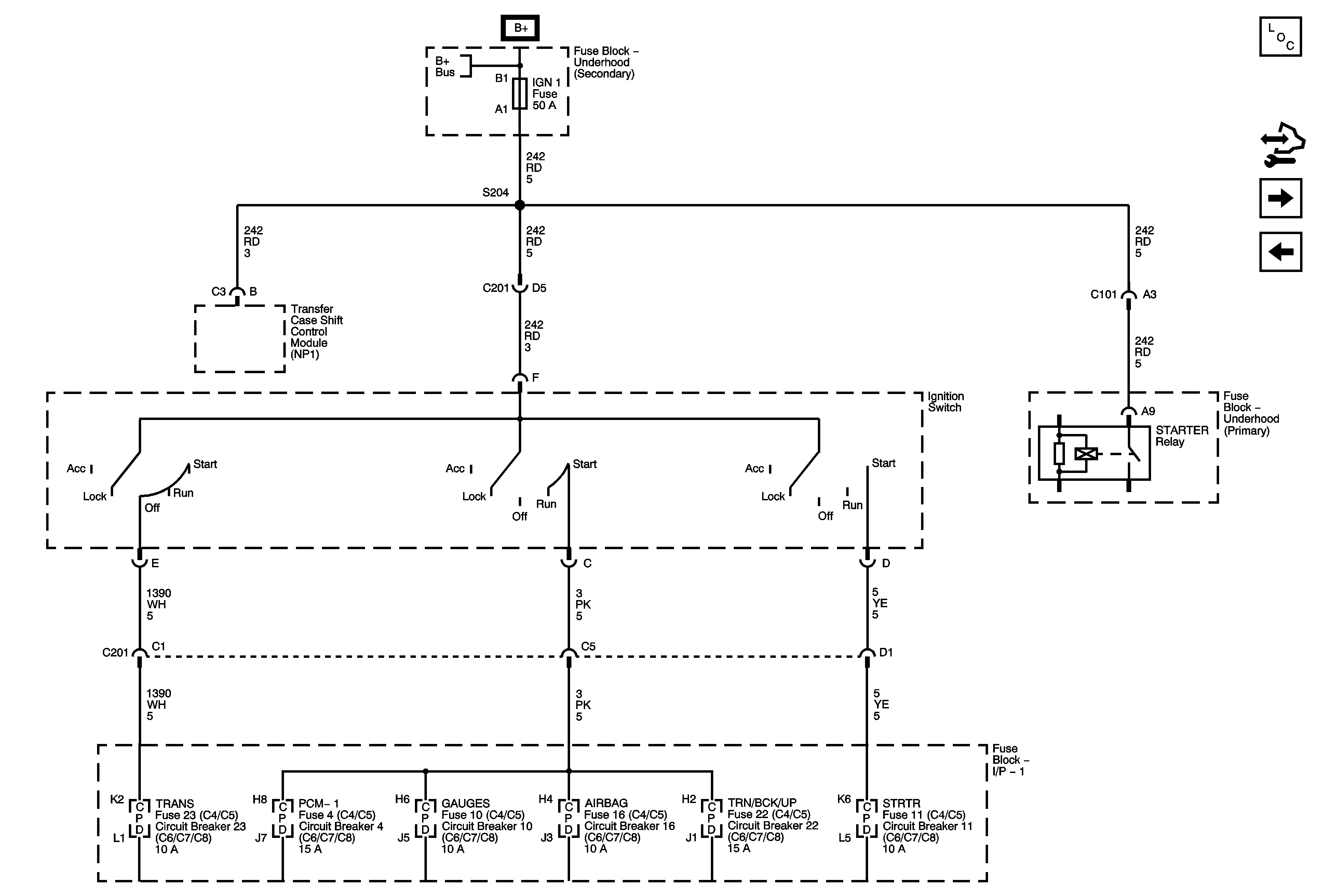
STRTR Fuse/Circuit Breaker
Ignition Switch - OFF/RUN/START, RUN/START, and START Busses
Batteries - LG4/LG5 and B+ Bus
Figure 6:

STRTR Fuse/Circuit Breaker


Object Number: 1841820  Size: FS
Master Electrical Component List
Control Module References
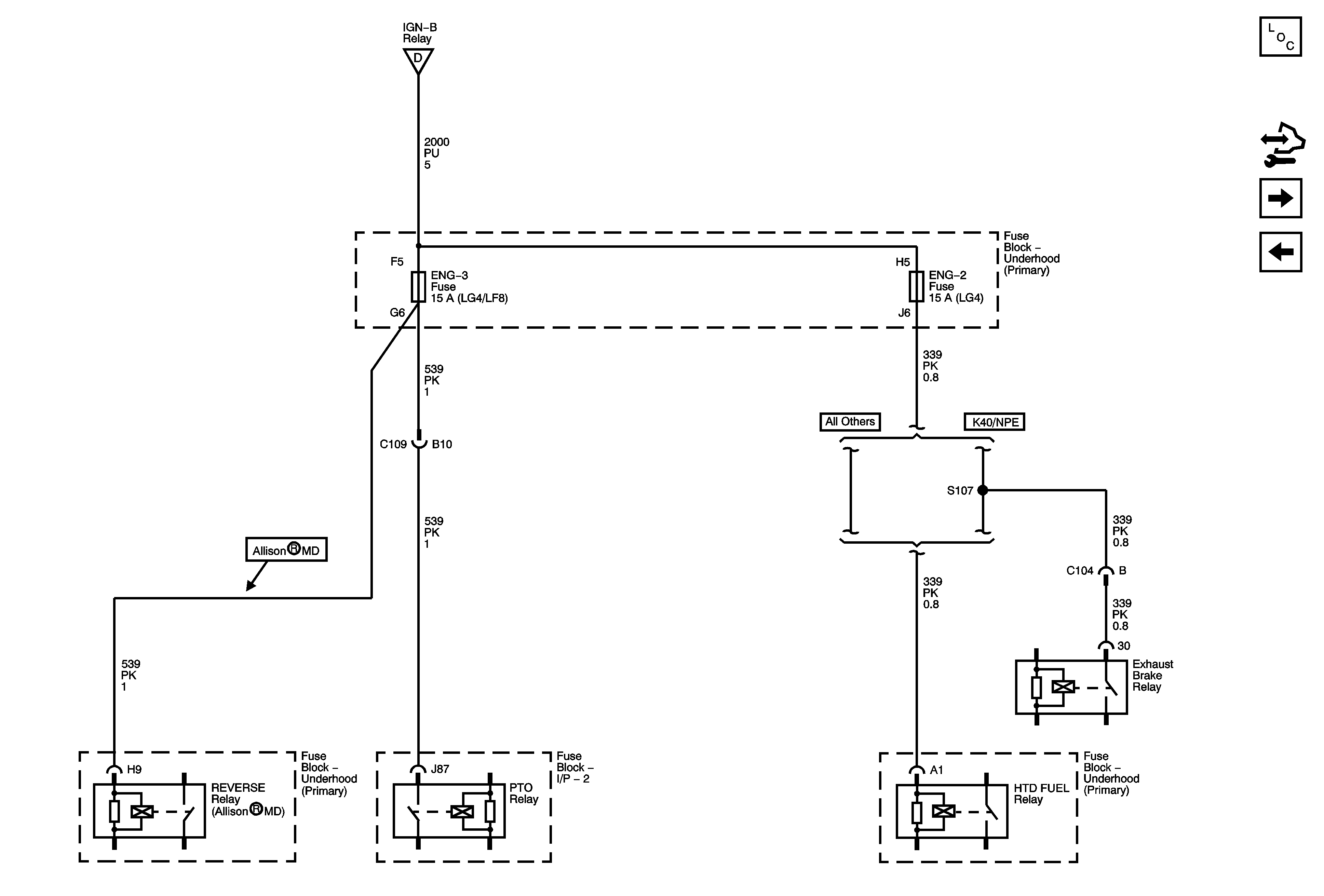
TRANS Fuse/Circuit Breaker
Ignition Switch - RUN and ACC/RUN Busses
Figure 7:

TRANS Fuse/Circuit Breaker


Object Number: 1841834  Size: FS
Master Electrical Component List
Control Module References
TRN/BCK/UP Fuse/Circuit Breaker
STRTR Fuse/Circuit Breaker
Figure 8:

TRN/BCK/UP Fuse/Circuit Breaker


Object Number: 1841844  Size: FS
Master Electrical Component List
Control Module References
AIRBAG, GAUGES, LT REAR TURN/STOP, and RT REAR TURN/STOP Fuses/Circuit Breakers
TRANS Fuse/Circuit Breaker
Ignition Switch - OFF/RUN/START, RUN/START, and START Busses
BAT/HAZ, HAZRD, PWR/ACCY, STOP, and TRLR Fuses/Circuit Breakers
AIRBAG, GAUGES, LT REAR TURN/STOP, and RT REAR TURN/STOP Fuses/Circuit Breakers
AIRBAG, GAUGES, LT REAR TURN/STOP, and RT REAR TURN/STOP Fuses/Circuit Breakers
Figure 9:

AIRBAG, GAUGES, LT REAR TURN/STOP, and RT REAR TURN/STOP Fuses/Circuit Breakers


Object Number: 1841850  Size: FS
Master Electrical Component List
Control Module References
ENGINE and PCM-1 Fuses/Circuit Breakers
TRN/BCK/UP Fuse/Circuit Breaker
TRN/BCK/UP Fuse/Circuit Breaker
TRN/BCK/UP Fuse/Circuit Breaker
Ignition Switch - OFF/RUN/START, RUN/START, and START Busses
Figure 10:

ENGINE and PCM-1 Fuses/Circuit Breakers


Object Number: 1841863  Size: FS
Master Electrical Component List
Control Module References
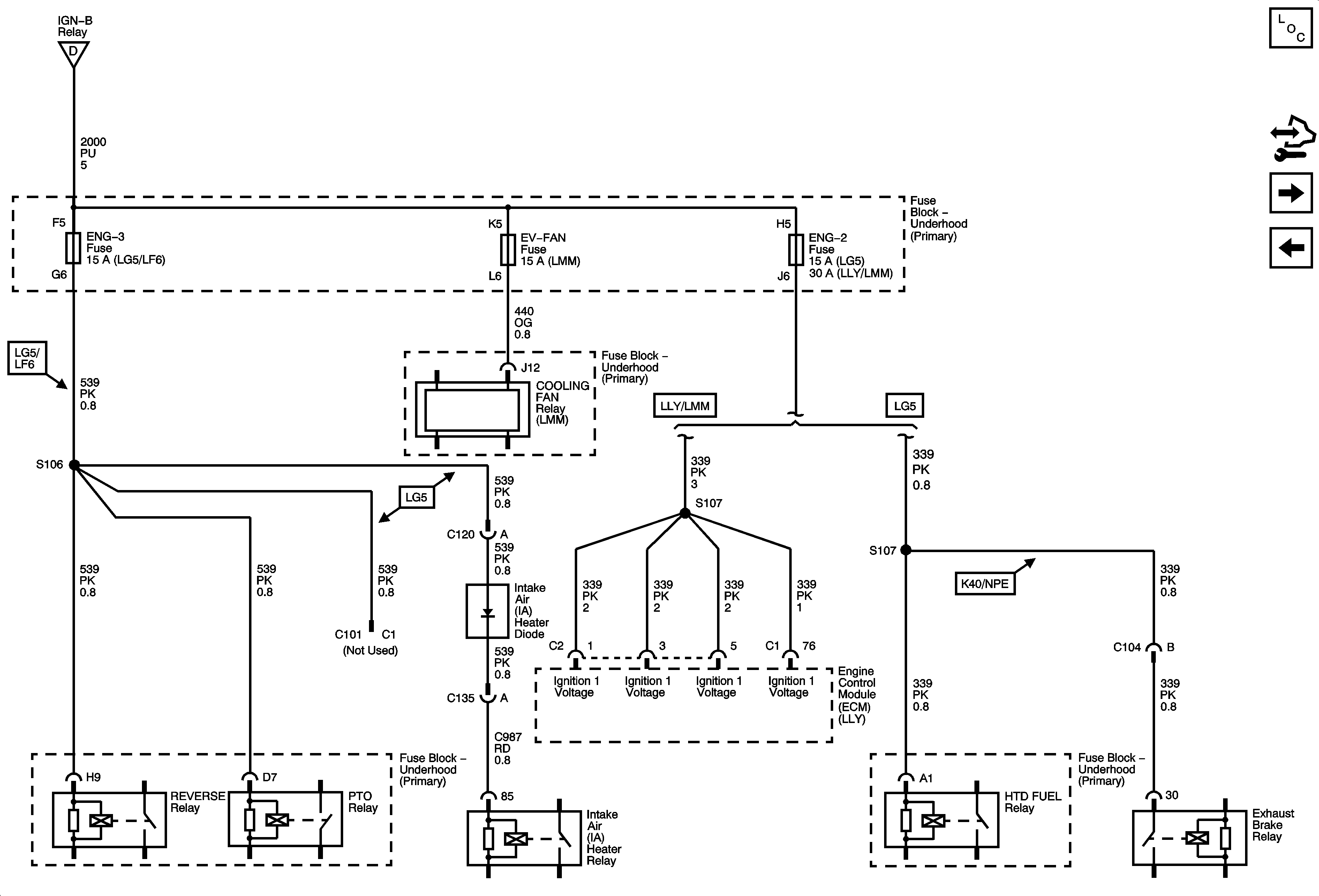
ENG-2, ENG-3, and O2S Fuses - L18
AIRBAG, GAUGES, LT REAR TURN/STOP, and RT REAR TURN/STOP Fuses/Circuit Breakers
Batteries - LG4/LG5 and B+ Bus
ENG-1 and ENG-4 Fuses - LG4/LG5
ENG-1 and ENG-4 Fuses - L18/LLY
ENG-2, ENG-3, and O2S Fuses - L18
ENG-2, and ENG-3 Fuses - LG4
ENG-2 and ENG-3 Fuses - LG5/LLY
Ignition Switch - OFF/RUN/START, RUN/START, and START Busses
Figure 11:

ENG-2, ENG-3, and O2S Fuses - L18


Object Number: 1841869  Size: FS
Master Electrical Component List
Control Module References
ENG-2, and ENG-3 Fuses - LG4
ENGINE and PCM-1 Fuses/Circuit Breakers
ENGINE and PCM-1 Fuses/Circuit Breakers
Figure 12:

ENG-2 and ENG-3 Fuses - LG4


Object Number: 1841875  Size: FS
Master Electrical Component List
Control Module References
ENG-2 and ENG-3 Fuses - LG5/LLY
ENG-2, ENG-3, and O2S Fuses - L18
ENGINE and PCM-1 Fuses/Circuit Breakers
Figure 13:

ENG-2 and ENG-3 Fuses - LG5/LLY


Object Number: 1841880  Size: FS
Master Electrical Component List
Control Module References
ENG-1 and ENG-4 Fuses - LG4/LG5
ENG-2, and ENG-3 Fuses - LG4
ENGINE and PCM-1 Fuses/Circuit Breakers
Figure 14:

ENG-1 and ENG-4 Fuses - LG4/LG5


Object Number: 1841884  Size: FS
Master Electrical Component List
Control Module References
ENG-1 and ENG-4 Fuses - L18/LLY
ENG-2 and ENG-3 Fuses - LG5/LLY
ENGINE and PCM-1 Fuses/Circuit Breakers
Figure 15:

ENG-1 and ENG-4 Fuses - L18/LLY


Object Number: 1841891  Size: FS
Master Electrical Component List
Control Module References
AXL/4WD, BRK, HYD/AIR BRK, and HTR/AC Fuses/Circuit Breakers
ENG-1 and ENG-4 Fuses - LG4/LG5
ENGINE and PCM-1 Fuses/Circuit Breakers
Figure 16:

AXL/4WD, BRK, HTR/AC, and HYD/AIR BRK Fuses/Circuit Breakers


Object Number: 1841900  Size: FS
Master Electrical Component List
Control Module References
AUX WIRE and IGN 4 - Fuses/Circuit Breakers
ENG-1 and ENG-4 Fuses - L18/LLY
Figure 17:

AUX WIRE and IGN-4 - Fuses/Circuit Breakers


Object Number: 1841915  Size: FS
Master Electrical Component List
Control Module References
IGN-4, ELEC BRK/BRKLP, HDLP, MKR LTS, PWR WNDW, DRL, and RADIO Fuses/Circuit Breakers
AXL/4WD, BRK, HYD/AIR BRK, and HTR/AC Fuses/Circuit Breakers
Figure 18:

DRL, ELEC BRK/BRKLP, HDLP, IGN-4 (Underhood Fuse Block), MKR LTS, PWR WNDW, and RADIO Fuses/Circuit Breakers


Object Number: 1841933  Size: FS
Master Electrical Component List
Control Module References
LIGHTING, CTSY LAMPS, PRK LAMPS, HVAC, ILLUM, LT PARK, and RT PARK Fuses/Circuit Breakers - 1 of 2
AUX WIRE and IGN 4 - Fuses/Circuit Breakers
Batteries - LG4/LG5 and B+ Bus
Batteries - LG4/LG5 and B+ Bus
LIGHTING, CTSY LAMPS, PRK LAMPS, HVAC, ILLUM, LT PARK, and RT PARK Fuses/Circuit Breakers - 1 of 2
Figure 19:

CTSY LAMPS, HVAC, ILLUM, LIGHTING, LT PARK, PRK LAMPS, and RT PARK Fuses/Circuit Breakers - 1 of 2


Object Number: 1841942  Size: FS
Master Electrical Component List
Control Module References
CTSY and LT PARK Fuse/Circuit Breaker - 2 of 2
IGN-4, ELEC BRK/BRKLP, HDLP, MKR LTS, PWR WNDW, DRL, and RADIO Fuses/Circuit Breakers
IGN-4, ELEC BRK/BRKLP, HDLP, MKR LTS, PWR WNDW, DRL, and RADIO Fuses/Circuit Breakers
CTSY and LT PARK Fuse/Circuit Breaker - 2 of 2
Figure 20:

CTSY LAMPS and LT PARK Fuses/Circuit Breakers - 2 of 2


Object Number: 1841953  Size: FS
Master Electrical Component List
Control Module References
BAT/HAZ, HAZRD, PWR/ACCY, STOP, and TRLR Fuses/Circuit Breakers
LIGHTING, CTSY LAMPS, PRK LAMPS, HVAC, ILLUM, LT PARK, and RT PARK Fuses/Circuit Breakers - 1 of 2
LIGHTING, CTSY LAMPS, PRK LAMPS, HVAC, ILLUM, LT PARK, and RT PARK Fuses/Circuit Breakers - 1 of 2
LIGHTING, CTSY LAMPS, PRK LAMPS, HVAC, ILLUM, LT PARK, and RT PARK Fuses/Circuit Breakers - 1 of 2
Figure 21:

BAT/HAZ, HAZRD, PWR/ACCY, STOP, and TRLR Fuses/Circuit Breakers


Object Number: 1841958  Size: FS
Master Electrical Component List
Control Module References
BRK Fuse/Circuit Breaker
CTSY and LT PARK Fuse/Circuit Breaker - 2 of 2
BRK Fuse/Circuit Breaker
Batteries - LG4/LG5 and B+ Bus
TRN/BCK/UP Fuse/Circuit Breaker
RDO/CHIME, CHMSL, and PWR POST Fuses/Circuit Breakers
Figure 22:

BRK Fuse/Circuit Breaker


Object Number: 1841963  Size: FS
Master Electrical Component List
Control Module References
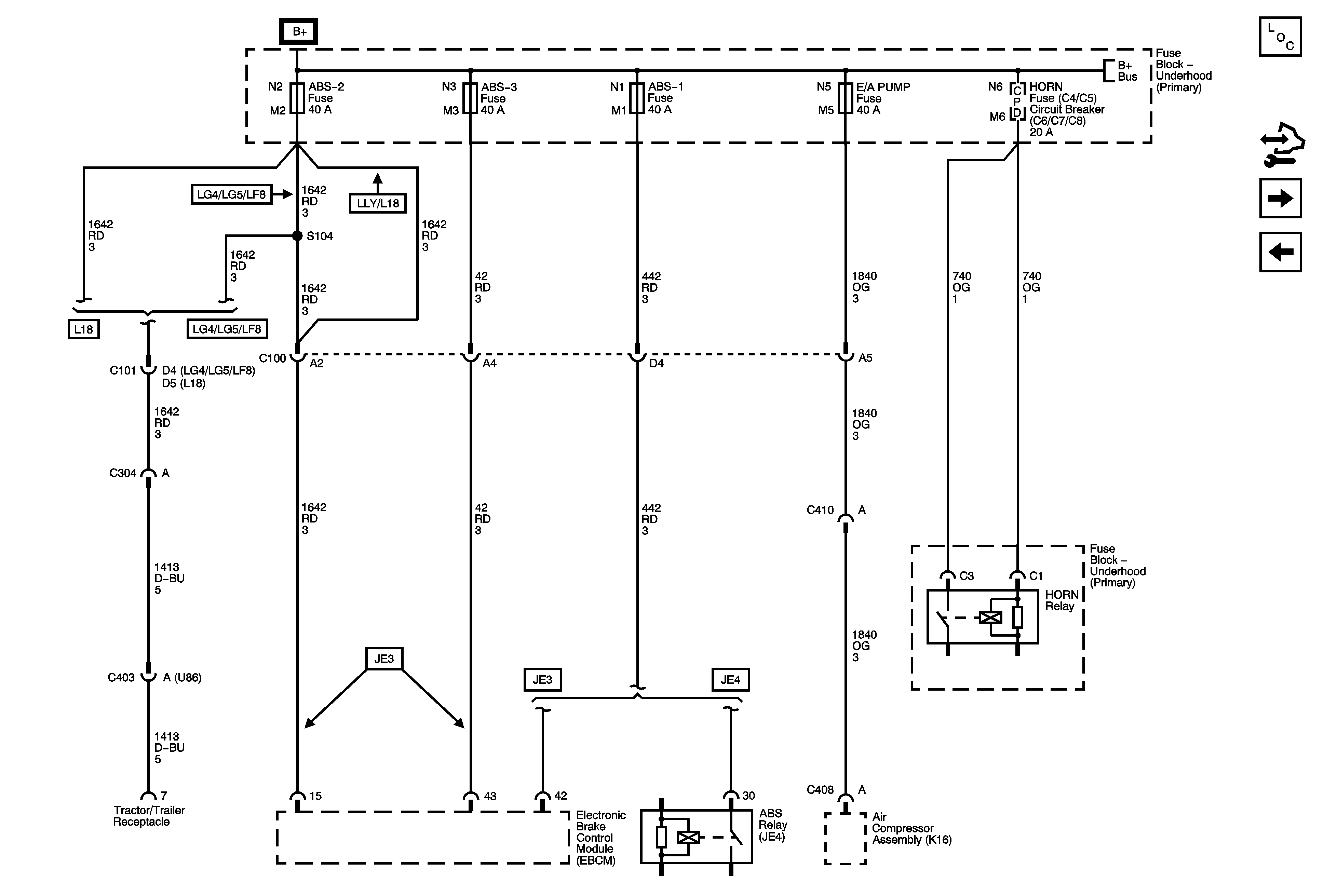
ABS-1, ABS-2, ABS-3, E/A PUMP and HORN Fuses/Circuit Breakers
BAT/HAZ, HAZRD, PWR/ACCY, STOP, and TRLR Fuses/Circuit Breakers
BAT/HAZ, HAZRD, PWR/ACCY, STOP, and TRLR Fuses/Circuit Breakers
Figure 23:

ABS-1, ABS-2, ABS-3, E/A PUMP, and HORN Fuses/Circuit Breakers


Object Number: 1841966  Size: FS
Master Electrical Component List
Control Module References
A/C COMP, HTD FUEL, PCM-B and RR DEFOG Fuses
BRK Fuse/Circuit Breaker
Batteries - LG4/LG5 and B+ Bus
Figure 24:

A/C COMP, HTD FUEL, PCM-B, and RR DEFOG Fuses


Object Number: 1841972  Size: FS
Master Electrical Component List
Control Module References
FUEL Fuse/Circuit Breaker - L18/LLY, PCV Circuit Breaker - LG4, and ECM-B Circuit Breaker - LG5
ABS-1, ABS-2, ABS-3, E/A PUMP and HORN Fuses/Circuit Breakers
Batteries - LG4/LG5 and B+ Bus
Batteries - LG4/LG5 and B+ Bus
Figure 25:

ECM-B Circuit Breaker - C6/C7 and FUEL Fuse/Circuit Breaker - C4/C5/C8


Object Number: 1841976  Size: FS
Master Electrical Component List
Control Module References
RDO/CHIME, CHMSL, and PWR POST Fuses/Circuit Breakers
A/C COMP, HTD FUEL, PCM-B and RR DEFOG Fuses
Batteries - LG4/LG5 and B+ Bus
A/C COMP, HTD FUEL, PCM-B and RR DEFOG Fuses
Batteries - LG4/LG5 and B+ Bus
Figure 26:

RDO/CHIME, CHMSL, and PWR POST Fuses/Circuit Breakers


Object Number: 1841982  Size: FS
Master Electrical Component List
Control Module References
FUEL Fuse/Circuit Breaker - L18/LLY, PCV Circuit Breaker - LG4, and ECM-B Circuit Breaker - LG5
BAT/HAZ, HAZRD, PWR/ACCY, STOP, and TRLR Fuses/Circuit Breakers