GM Service Manual Online
For 1990-2009 cars only
Figure 1:

G100 - L18


Object Number: 1842106  Size: FS
Master Electrical Component List
Control Module References
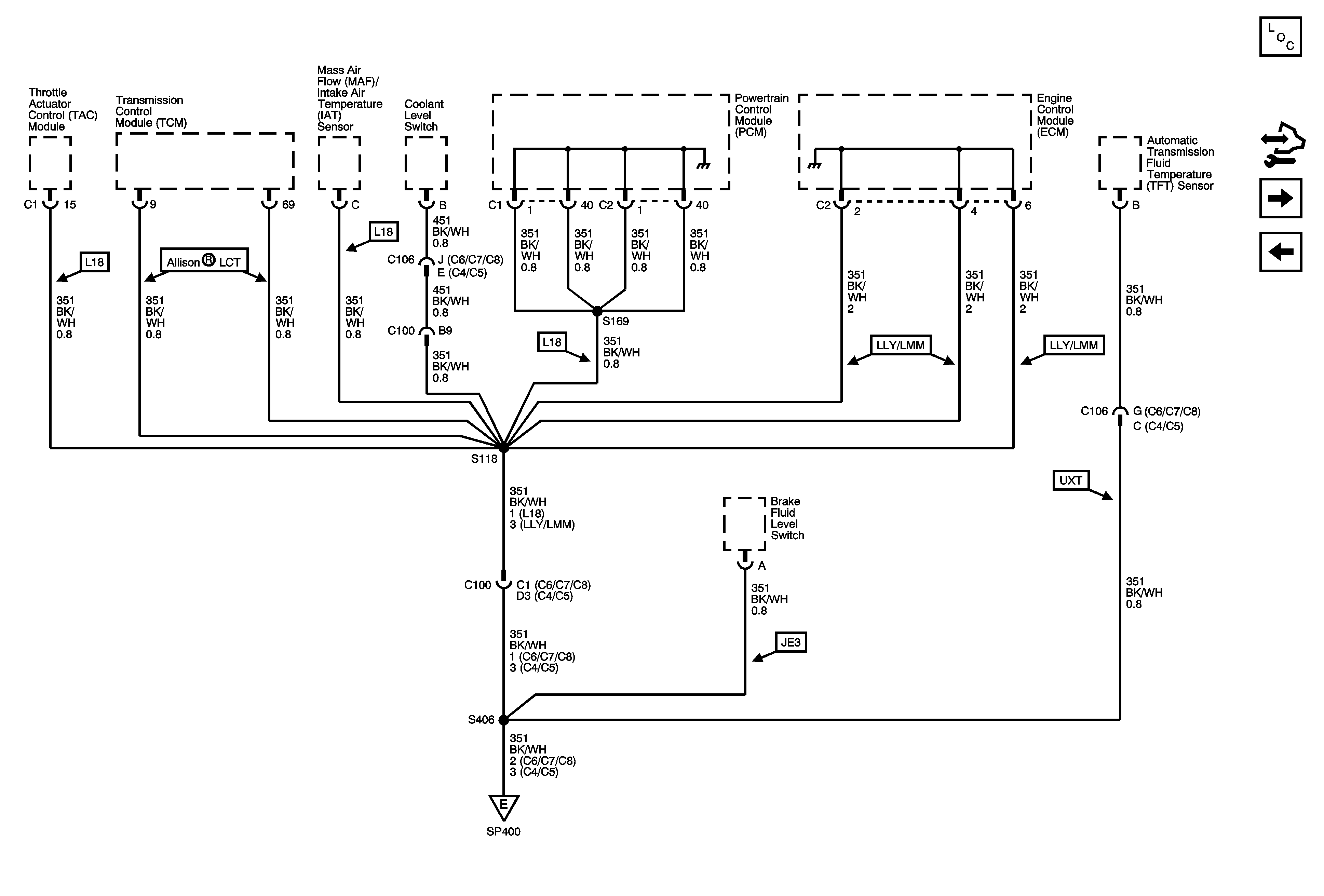
G100 - LLY
Figure 2:

G100 - LLY


Object Number: 1842110  Size: FS
Master Electrical Component List
Control Module References
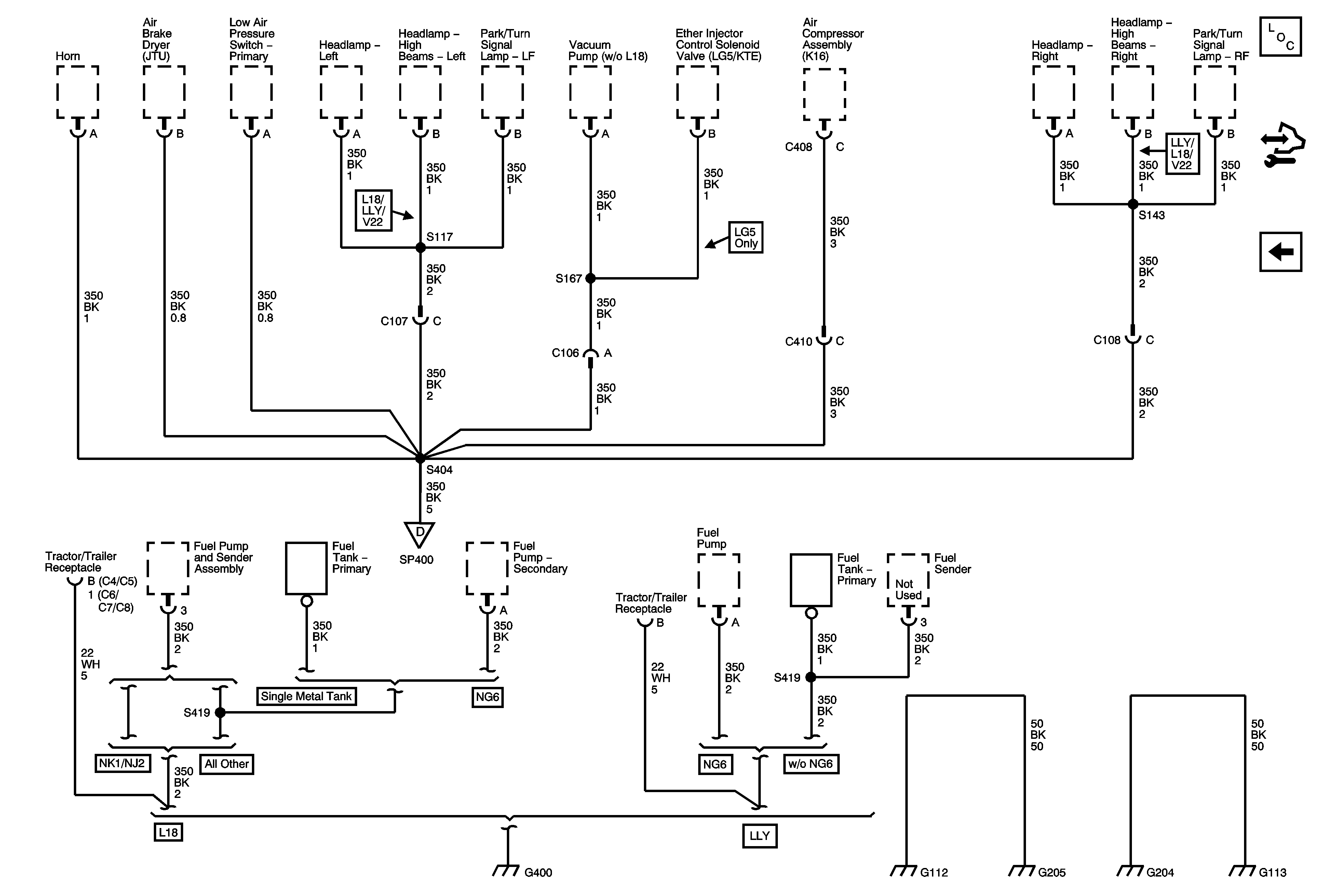
G100 - LG4
G100 - L18
Figure 3:

G100 - LG4


Object Number: 1842115  Size: FS
Master Electrical Component List
Control Module References
G100 - LG5
G100 - LLY
Figure 4:

G100 - LG5


Object Number: 1842119  Size: FS
Master Electrical Component List
Control Module References
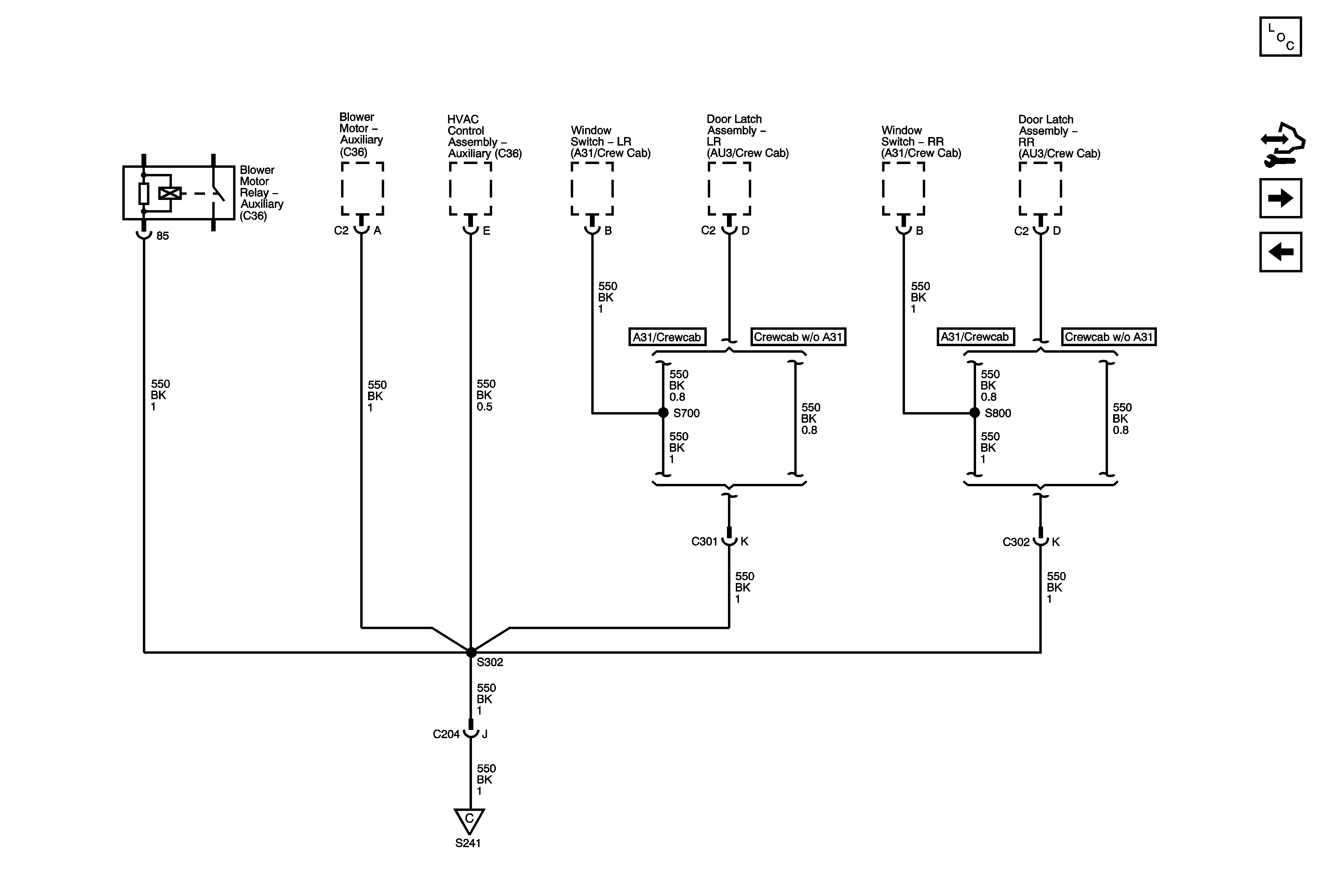
G101 - 1 of 2
G100 - LLY
Figure 5:

G101 - 1 of 2


Object Number: 1842121  Size: FS
Master Electrical Component List
Control Module References
G101 - 2 of 2
G100 - LG5
G101 - 2 of 2
Figure 6:

G101 - 2 of 2


Object Number: 1842124  Size: FS
Master Electrical Component List
Control Module References
G102 - 1 of 2
G101 - 1 of 2
G101 - 1 of 2
Figure 7:

G102 - 1 of 2


Object Number: 1842128  Size: FS
Master Electrical Component List
Control Module References
G102 - 2 of 2
G101 - 2 of 2
G102 - 2 of 2
Figure 8:

G102 - 2 of 2


Object Number: 1842135  Size: FS
Master Electrical Component List
Control Module References
G103 - 1 of 2, G105, and G106
G102 - 1 of 2
G102 - 1 of 2
Figure 9:

G103, G105 and G106


Object Number: 1842142  Size: FS
Master Electrical Component List
Control Module References
G118, G119, and G120
G102 - 2 of 2
Figure 10:

G119 and G120


Object Number: 1842150  Size: FS
Master Electrical Component List
Control Module References
G103 - 2 of 2
G103 - 1 of 2, G105, and G106
Figure 11:

G200 and G202


Object Number: 1842160  Size: FS
Master Electrical Component List
Control Module References
G200, G202, and G203 - 1 of 4
G118, G119, and G120
Figure 12:

G203 - 1 of 4


Object Number: 1842169  Size: FS
Master Electrical Component List
Control Module References
G203 - 2 of 4
G103 - 2 of 2
G203 - 2 of 4
G203 - 3 of 4
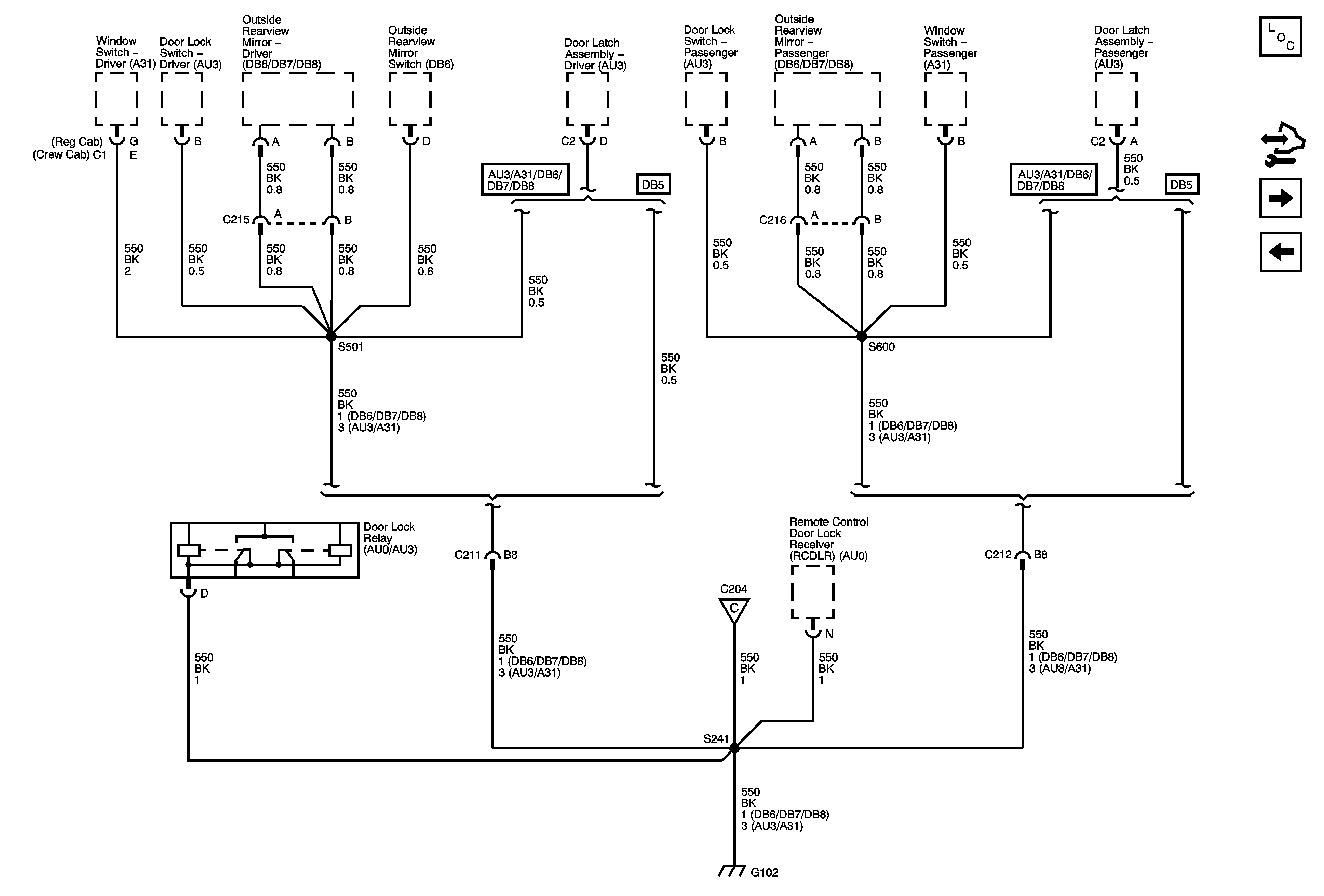
G112, G113, G203 - 4 of 4, G204, G205, and G400
Figure 13:

G203 - 2 of 4


Object Number: 1842171  Size: FS
Master Electrical Component List
Control Module References
G203 - 3 of 4
G200, G202, and G203 - 1 of 4
G200, G202, and G203 - 1 of 4
Figure 14:

G203 - 3 of 4


Object Number: 1842174  Size: FS
Master Electrical Component List
Control Module References
G112, G113, G203 - 4 of 4, G204, G205, and G400
G203 - 2 of 4
G200, G202, and G203 - 1 of 4
Figure 15:

G112, G113, G203 - 4 of 4, G204, G205, and G400


Object Number: 1842176  Size: FS
Master Electrical Component List
Control Module References
G203 - 3 of 4
G200, G202, and G203 - 1 of 4