GM Service Manual Online
For 1990-2009 cars only
Makes
🢒
Chevrolet
🢒
2007
🢒
Kodiak C-Series (Conventional) C6/C7/C8
🢒
Body Systems
🢒
Lighting
🢒 Interior Lights Schematics
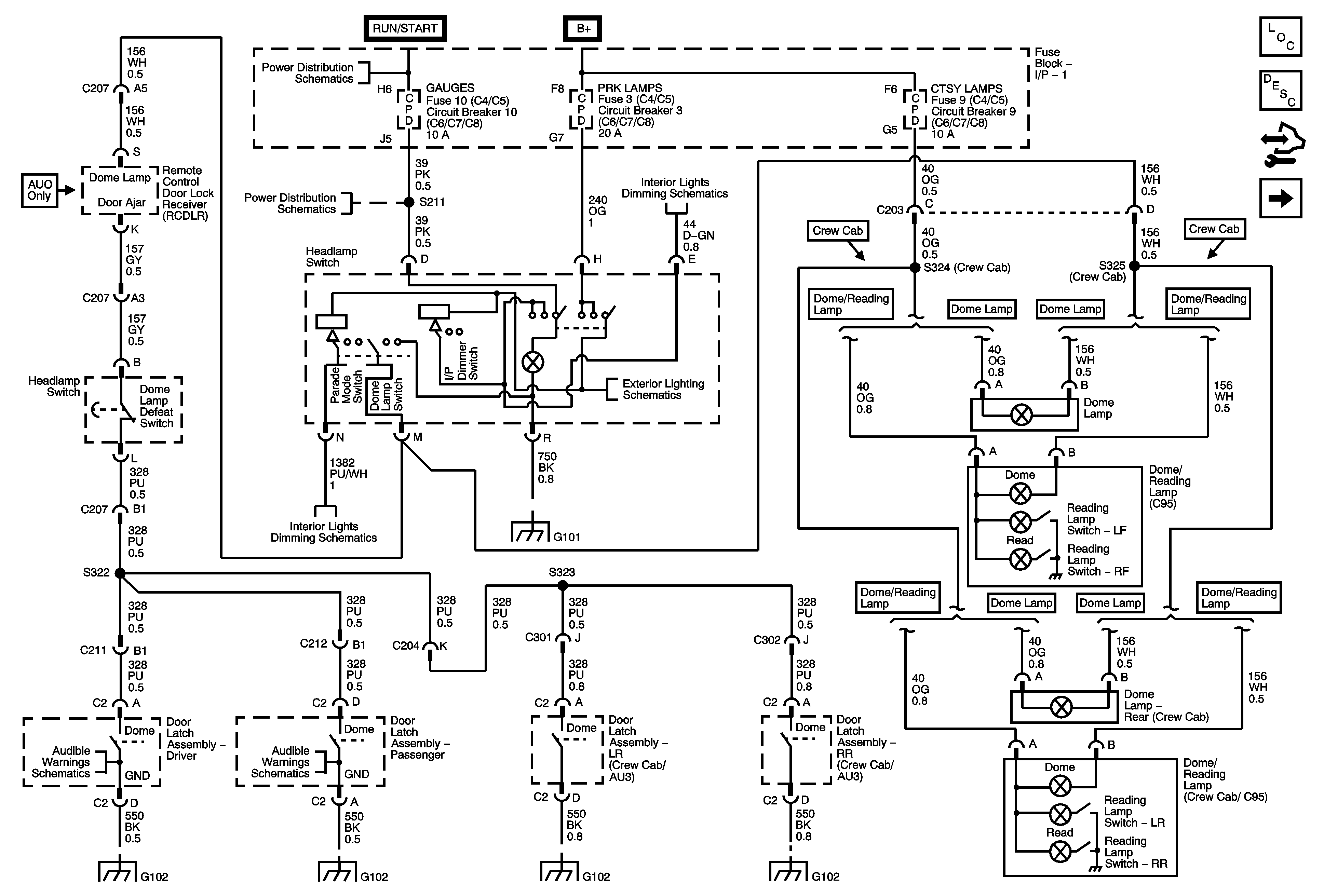
Figure
1:
Dome/Reading Lamps
Master Electrical Component List
Interior Lighting Systems Description and Operation
Control Module References
LT PARK Fuse/Circuit Breaker - 1 of 2
Audible Warning Schematics
G102 - 1 of 2
Ignition Switch - OFF/RUN/START, RUN/START, and START Busses
AIRBAG, GAUGES, LT REAR TURN/STOP, and RT REAR TURN/STOP Fuses/Circuit Breakers
Interior Lights Dimming Schematics
Audible Warning Schematics
G102 - 1 of 2
G101 - 1 of 2
Park and Stop Lamps
Interior Lights Dimming Schematics
G102 - 2 of 2
G102 - 2 of 2
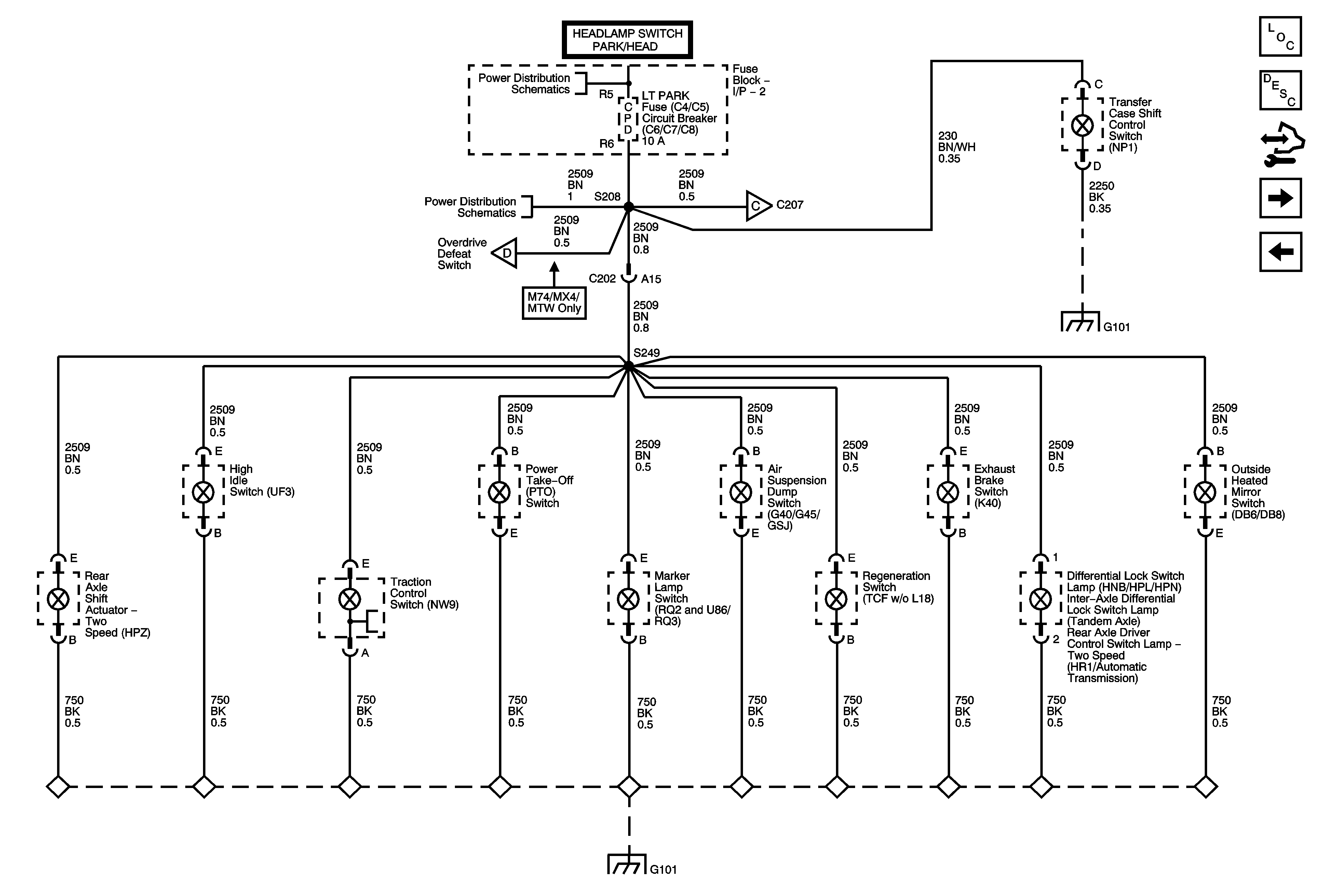
Figure
2:
LT PARK Fuse/Circuit Breaker - 1 of 2
Master Electrical Component List
Interior Lighting Systems Description and Operation
Control Module References
LT PARK Fuse/Circuit Breaker - 2 of 2
Dome/Reading Lamps
LIGHTING, CTSY LAMPS, PRK LAMPS, HVAC, ILLUM, LT PARK, and RT PARK Fuses/Circuit Breakers - 1 of 2
LIGHTING, CTSY LAMPS, PRK LAMPS, HVAC, ILLUM, LT PARK, and RT PARK Fuses/Circuit Breakers - 1 of 2
LT PARK Fuse/Circuit Breaker - 2 of 2
LT PARK Fuse/Circuit Breaker - 2 of 2
G101 - 1 of 2
G101 - 2 of 2
Figure
3:
LT PARK Fuse/Circuit Breaker - 2 of 2
Master Electrical Component List
Interior Lighting Systems Description and Operation
Control Module References
LT PARK Fuse/Circuit Breaker - 1 of 2
LT PARK Fuse/Circuit Breaker - 1 of 2
LT PARK Fuse/Circuit Breaker - 1 of 2
G101 - 1 of 2
G102 - 1 of 2
G102 - 1 of 2
G102 - 1 of 2
G102 - 1 of 2
G102 - 2 of 2
G102 - 2 of 2