GM Service Manual Online
For 1990-2009 cars only
Makes
🢒
Chevrolet
🢒
2007
🢒
Kodiak C-Series (Conventional) C6/C7/C8
🢒
Power and Signal Distribution
🢒
Wiring Systems and Power Management
🢒 Hydraulic Brake Schematics
Figure
1:
Hydraulic Brakes
Master Electrical Component List
Brake Warning System Description and Operation
Control Module References
Power Brake Booster Pump Controls and Stop Lamp Switch
G101 - 1 of 2
C103 - Upfitter Auxiliary Wiring Connector
G203 - 3 of 4
Splice Pack SP203
Instrument Panel Cluster - 1 of 2
AIRBAG, GAUGES, LT REAR TURN/STOP, and RT REAR TURN/STOP Fuses/Circuit Breakers
Ignition Switch - OFF/RUN/START, RUN/START, and START Busses
2007 MD-560C Driver Information System Schematics - DIC
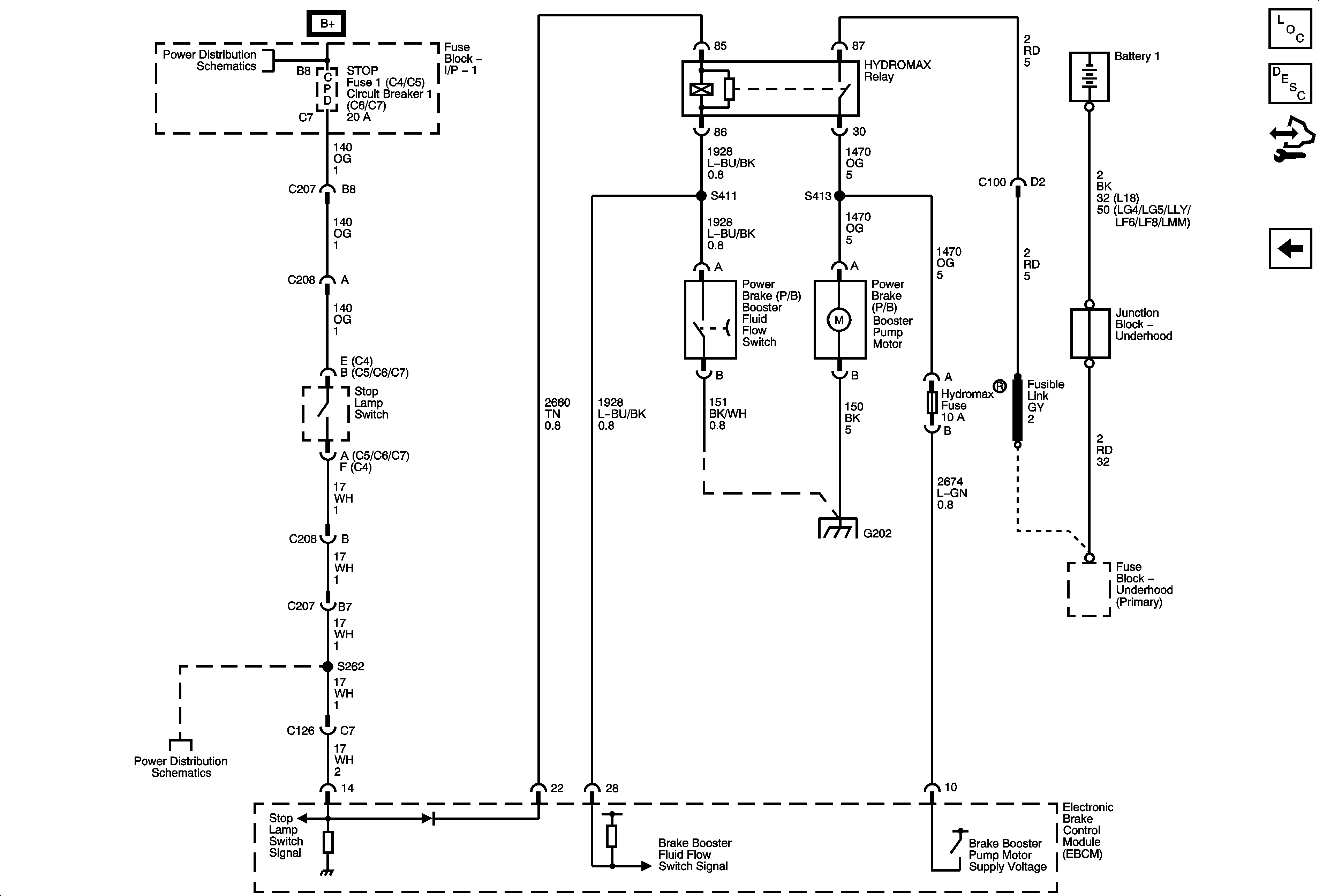
Figure
2:
Power Brake Booster Pump Controls and Stop Lamp Switch
Master Electrical Component List
Hydraulic Brake System Description and Operation
Control Module References
Hydraulic Brakes
BAT/HAZ, HAZRD, PWR/ACCY, STOP, and TRLR Fuses/Circuit Breakers
BRK Fuse/Circuit Breaker
G103 - 2 of 2