GM Service Manual Online
For 1990-2009 cars only
Makes
🢒
Chevrolet
🢒
2007
🢒
Kodiak C-Series (Conventional) C6/C7/C8
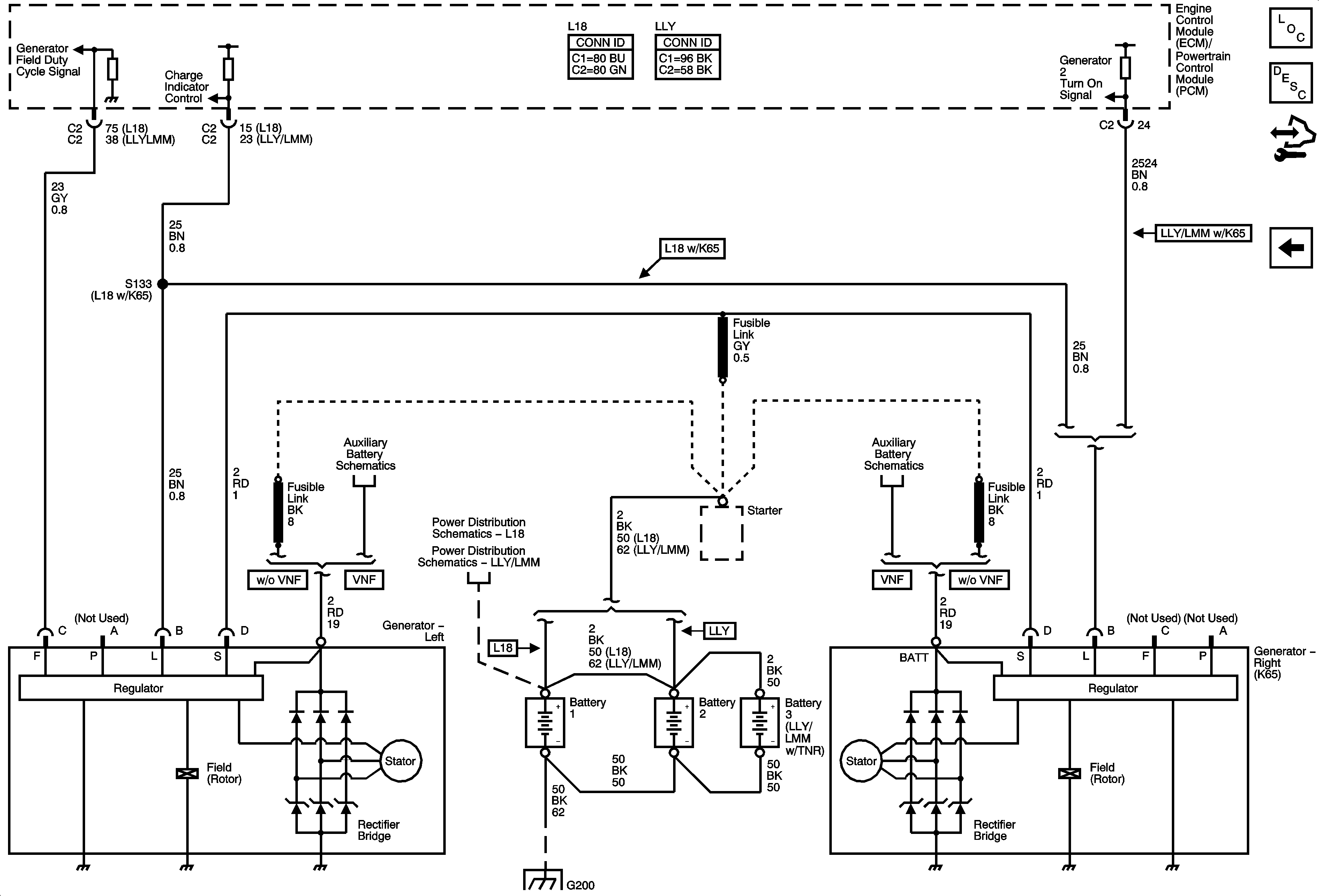
🢒 Charging System L18/LLY/LMM
Charging System L18/LLY/LMM
Charging System L18/LLY
Master Electrical Component List
Charging System Description and Operation
Control Module References
Starting System L18/LLY/LMM
Auxiliary Battery Schematics
Batteries - L18
Batteries - LLY
G103 - 2 of 2
Auxiliary Battery Schematics