GM Service Manual Online
For 1990-2009 cars only
Makes
🢒
Chevrolet
🢒
2007
🢒
Kodiak C-Series (Conventional) C6/C7/C8
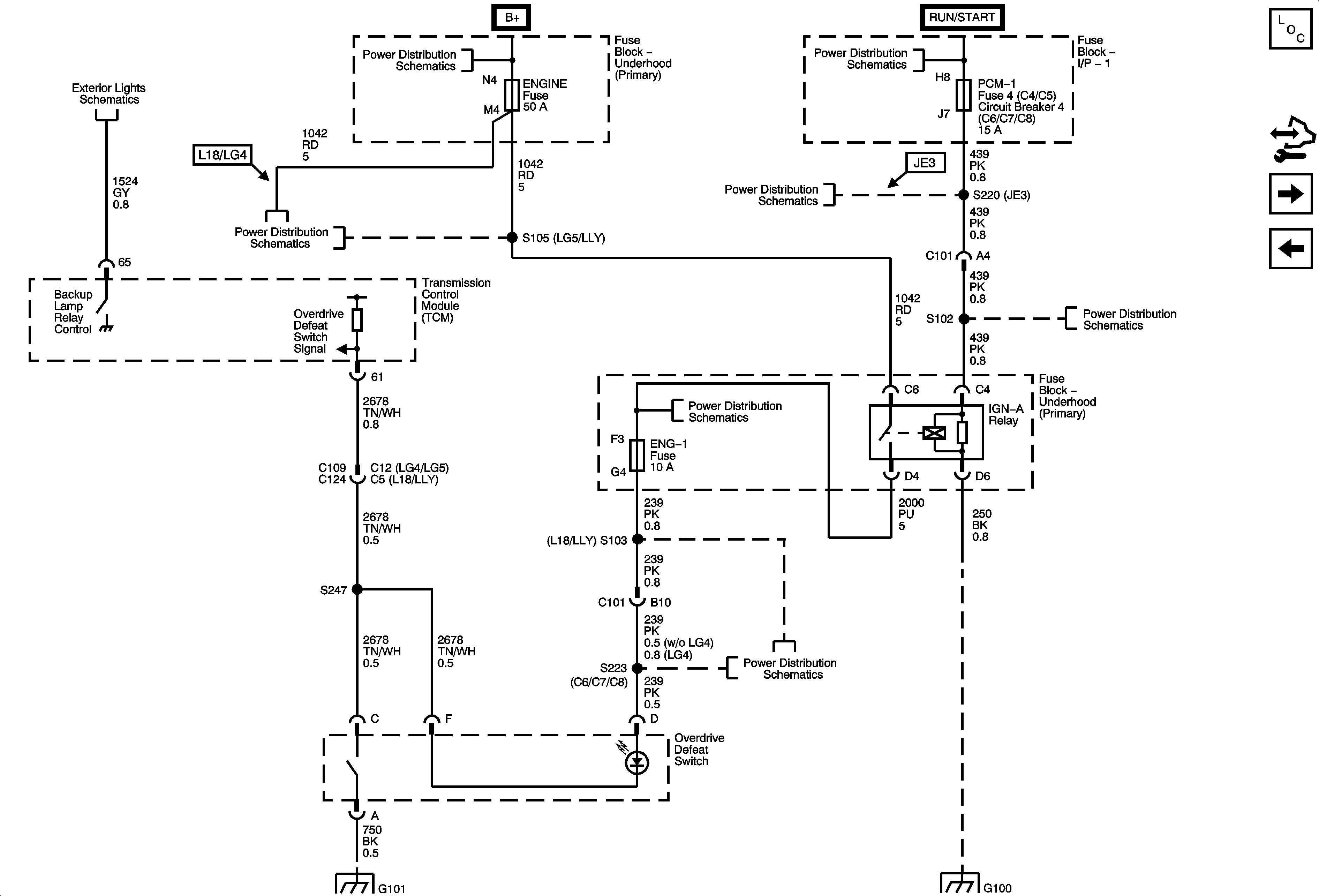
🢒 Overdrive Defeat Switch and CAN Serial Data
Overdrive Defeat Switch and CAN Serial Data
Overdrive Defeat Switch and CAN Serial Data
Master Electrical Component List
Control Module References
C 102 - Upfitter TRANS OPT Connector and Internal Mode Switch
Module Power, Ground, Serial Data, MIL, VSS, and Torque Controls
Backup Lamp Control
ENGINE and PCM-1 Fuses/Circuit Breakers
G101 - 1 of 2
Batteries - LG4/LG5 and B+ Bus
ENG-1 and ENG-4 Fuses - LG4/LG5
ENG-1 and ENG-4 Fuses - L18/LLY
Ignition Switch - OFF/RUN/START, RUN/START, and START Busses
ENGINE and PCM-1 Fuses/Circuit Breakers
ENGINE and PCM-1 Fuses/Circuit Breakers
G100 - L18