GM Service Manual Online
For 1990-2009 cars only
Makes
🢒
Chevrolet
🢒
2007
🢒
Kodiak C-Series (Conventional) C6/C7/C8
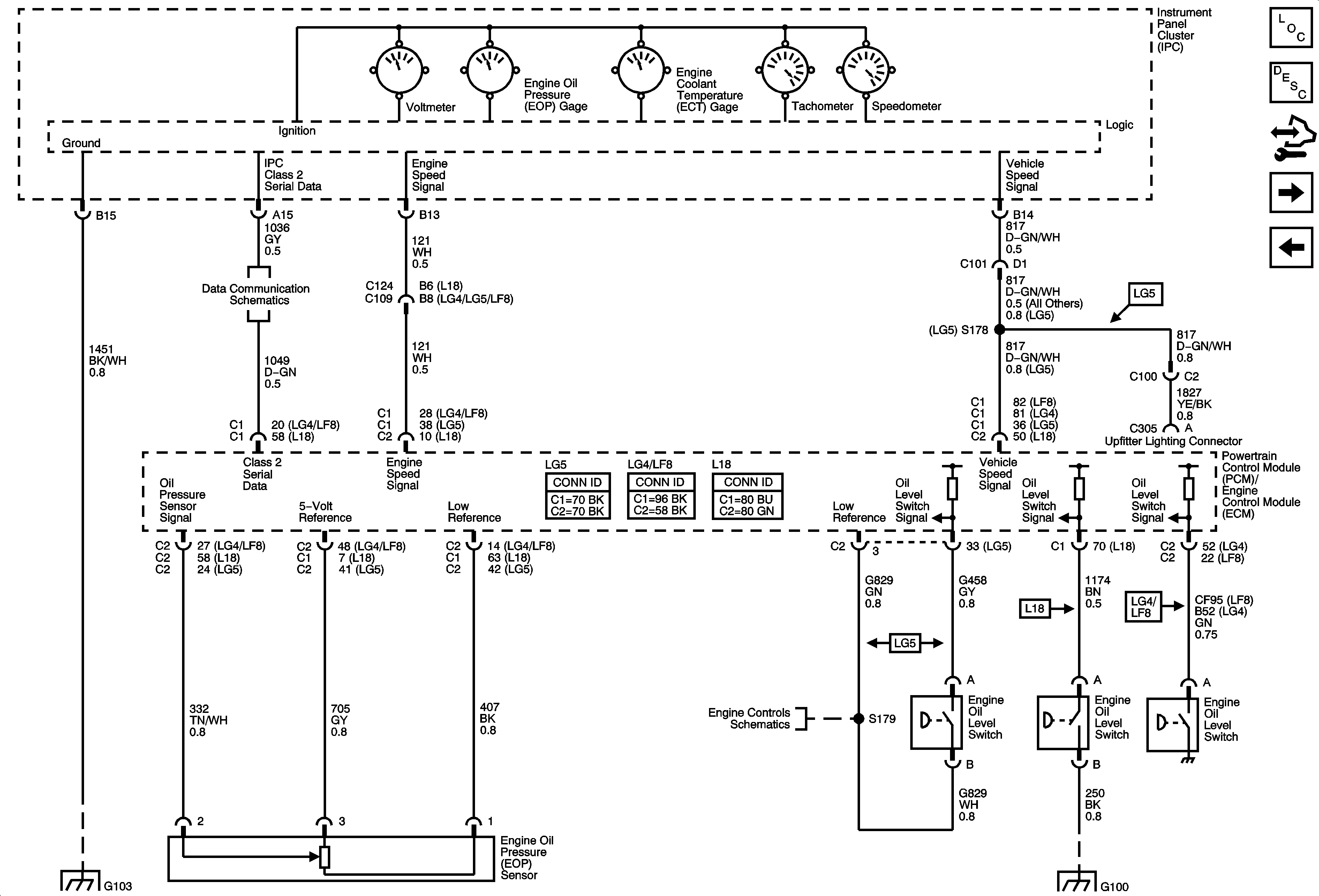
🢒 Instrument Panel Cluster - 2 of 2
Instrument Panel Cluster - 2 of 2
Instrument Panel Cluster 2 of 2
Master Electrical Component List
Instrument Cluster Description and Operation
Control Module References
Instrument Panel Cluster - LLY/LMM
Instrument Panel Cluster - 1 of 2
G103 - 1 of 2, G105, and G106
Splice Pack SP203
Engine Data Sensors - Pressure and Temperature
G100 - L18