GM Service Manual Online
For 1990-2009 cars only
Makes
🢒
Chevrolet
🢒
2007
🢒
Kodiak C-Series (Conventional) C6/C7/C8
🢒 HP1/HP2
HP1/HP2
HP1/HP2
Master Electrical Component List
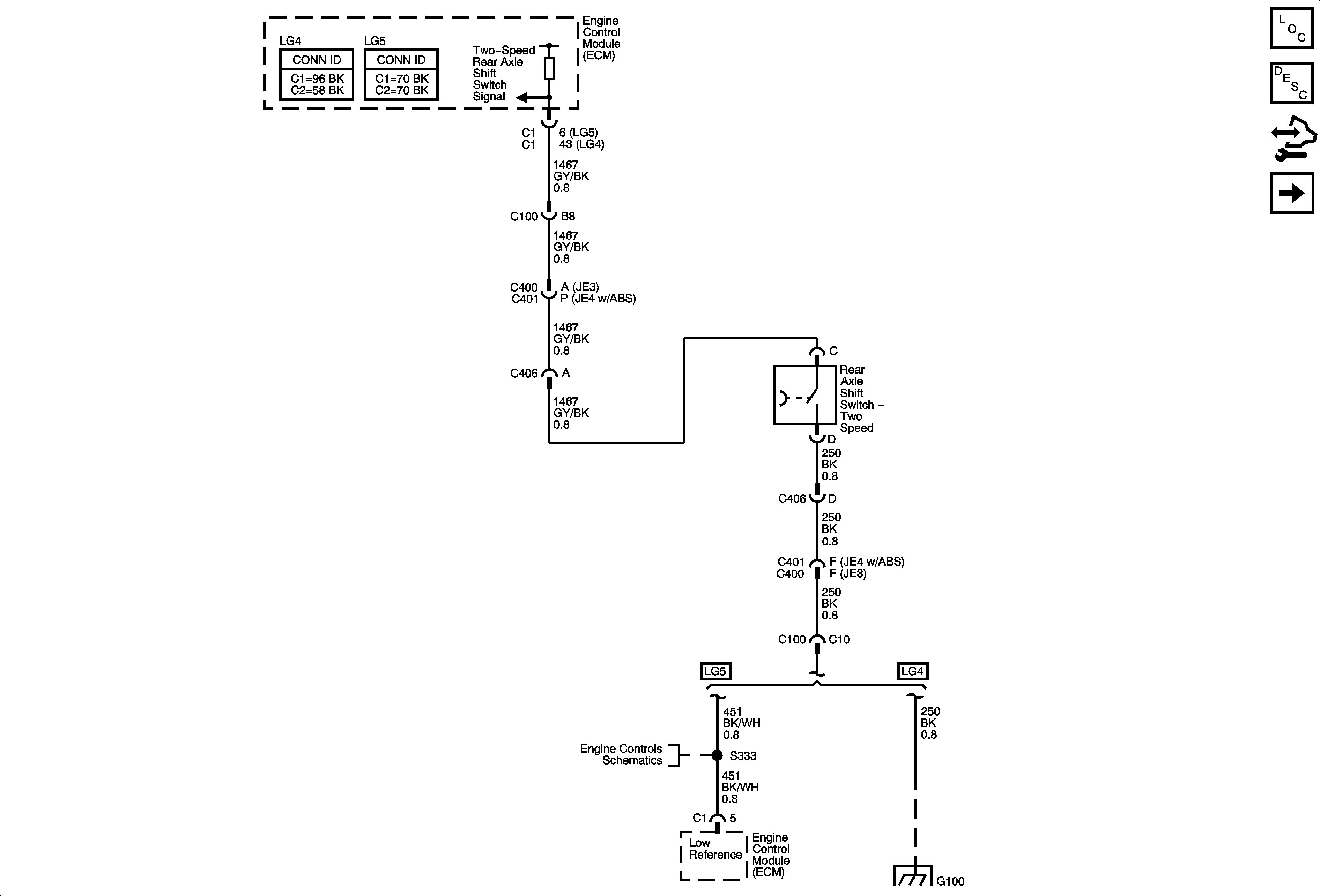
Two Speed Rear Axle Shift System Description and Operation (Air Operated)
Control Module References
HPZ with Manual Transmission
Power Take-Off - 1 of 2
G100 - LG4