GM Service Manual Online
For 1990-2009 cars only
Makes
🢒
Chevrolet
🢒
2007
🢒
Kodiak C-Series (Conventional) C6/C7/C8
🢒 HPZ with Manual Transmission
HPZ with Manual Transmission
HPZ with Manual Transmission
Master Electrical Component List
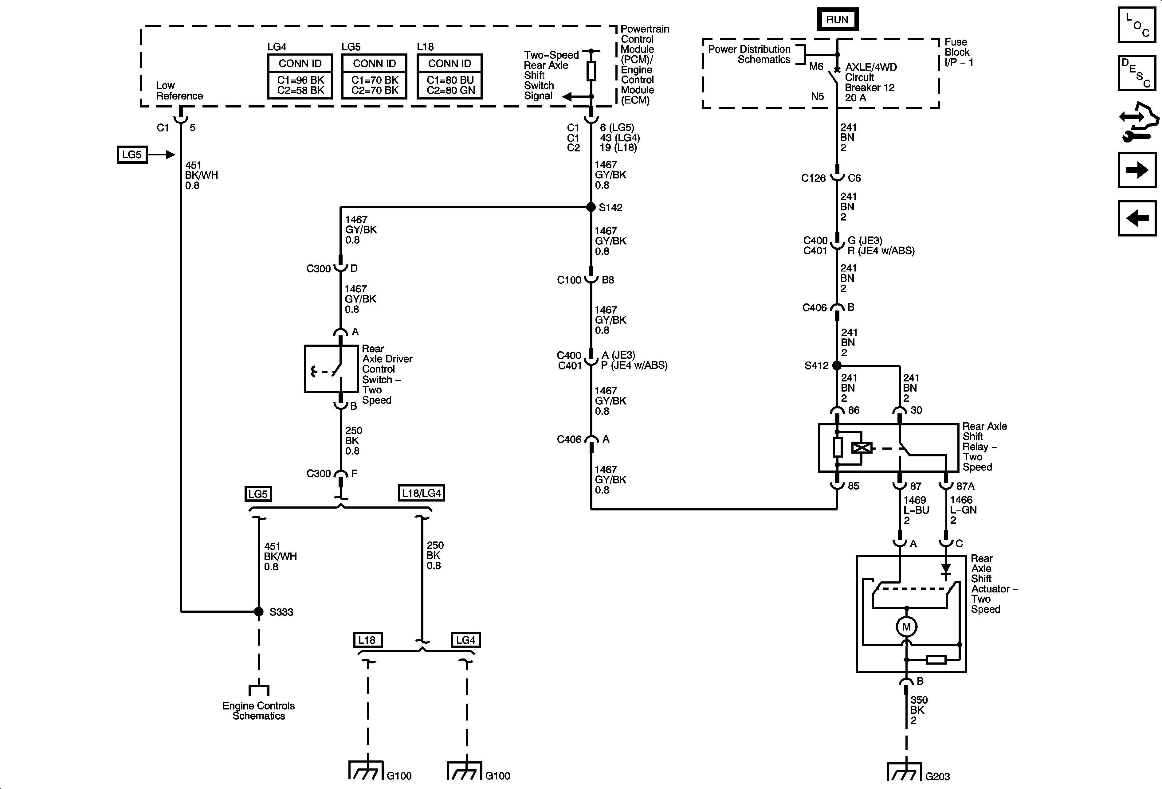
Two Speed Rear Axle Shift System Description and Operation (Air Operated)
Control Module References
HPZ with Automatic Transmission
HP1/HP2
Ignition Switch - RUN and ACC/RUN Busses
Ground
G100 - L18
G100 - LG4
G200, G202, and G203 - 1 of 4