GM Service Manual Online
For 1990-2009 cars only
Makes
🢒
Chevrolet
🢒
2008
🢒
Kodiak C-Series (Conventional) C6/C7/C8
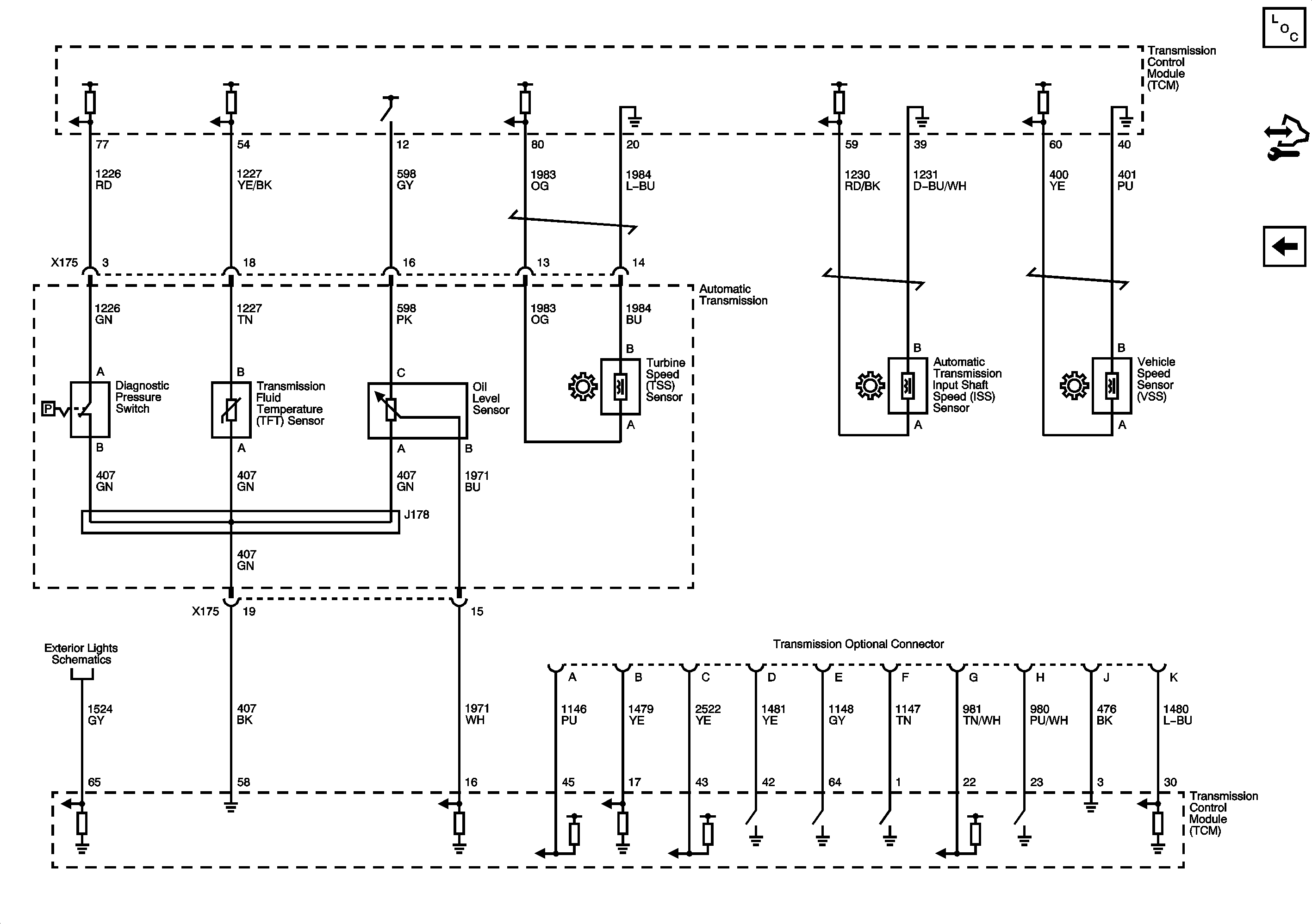
🢒 Serial Data, Speed Sensor
Serial Data, Speed Sensor
Serial Data, Speed Sensor
Master Electrical Component List
Control Module References
Switches, Sensors, and Transmission Optional Connector
Backup Lamp Control