GM Service Manual Online
For 1990-2009 cars only
Makes
🢒
Chevrolet
🢒
2008
🢒
Kodiak C-Series (Conventional) C6/C7/C8
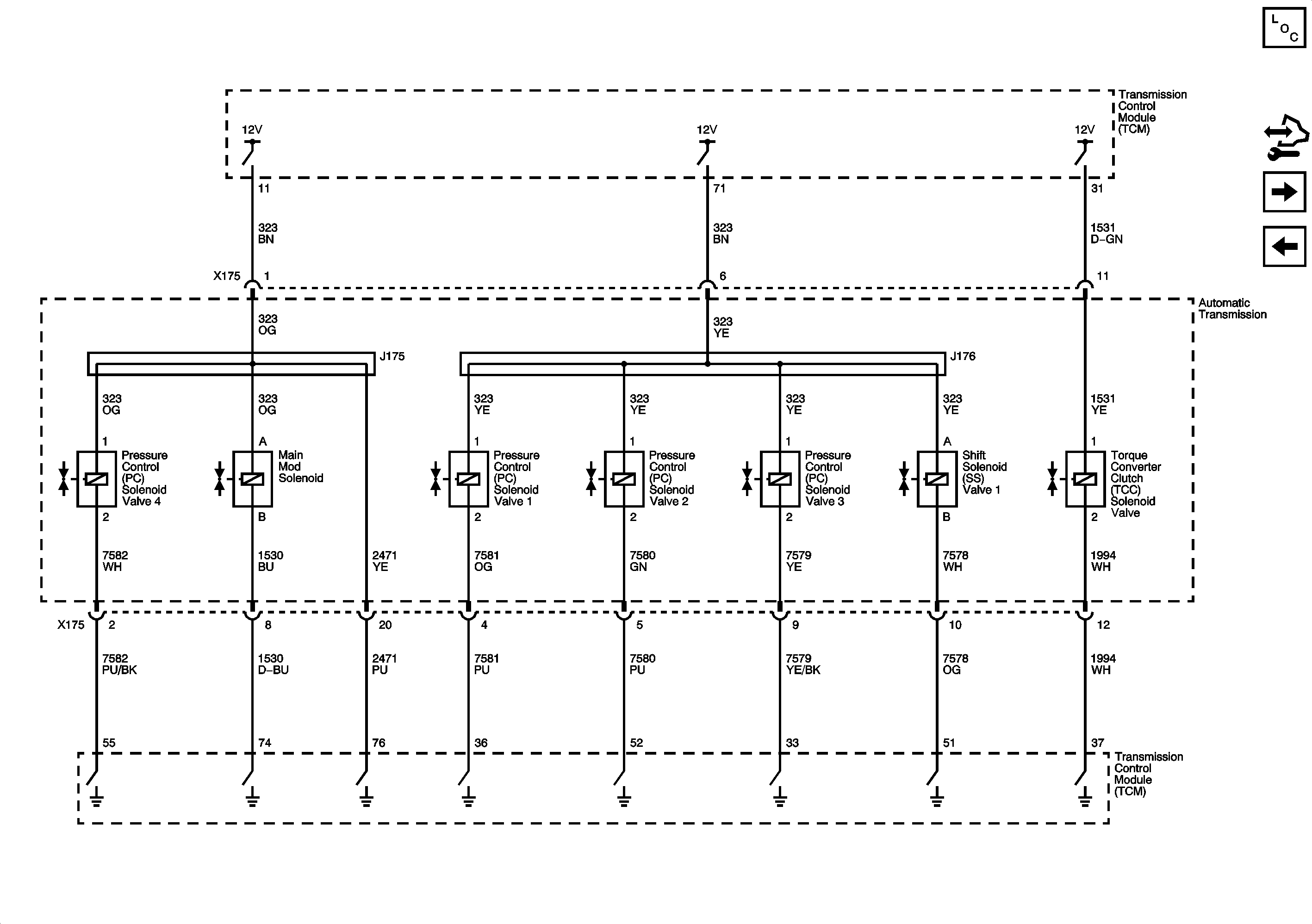
🢒 Switches, Sensors, and Transmission Optional Connector
Switches, Sensors, and Transmission Optional Connector
Switches, Sensors, and Transmission Optional Connector
Master Electrical Component List
Control Module References
Serial Data, Speed Sensor
Module Power, Ground, and Shift Selector