GM Service Manual Online
For 1990-2009 cars only
Makes
🢒
Chevrolet
🢒
2005
🢒
Kodiak C-Series (Crew) C6/C7/C8
🢒
Vehicle Control Systems
🢒
Vehicle DTC Information
🢒 Radio/Audio System Schematics
Figure
1:
Radio
Master Electrical Component List
Radio/Audio System Description and Operation
Speakers
RADIO/CHIME, CHMSL, and PWR POST Fuses/Circuit Breakers
RADIO/CHIME, CHMSL, and PWR POST Fuses/Circuit Breakers
Interior Dimming Lamps System
G103 - 2 of 2
Splice Pack SP203 (L18/LB7/LG4)
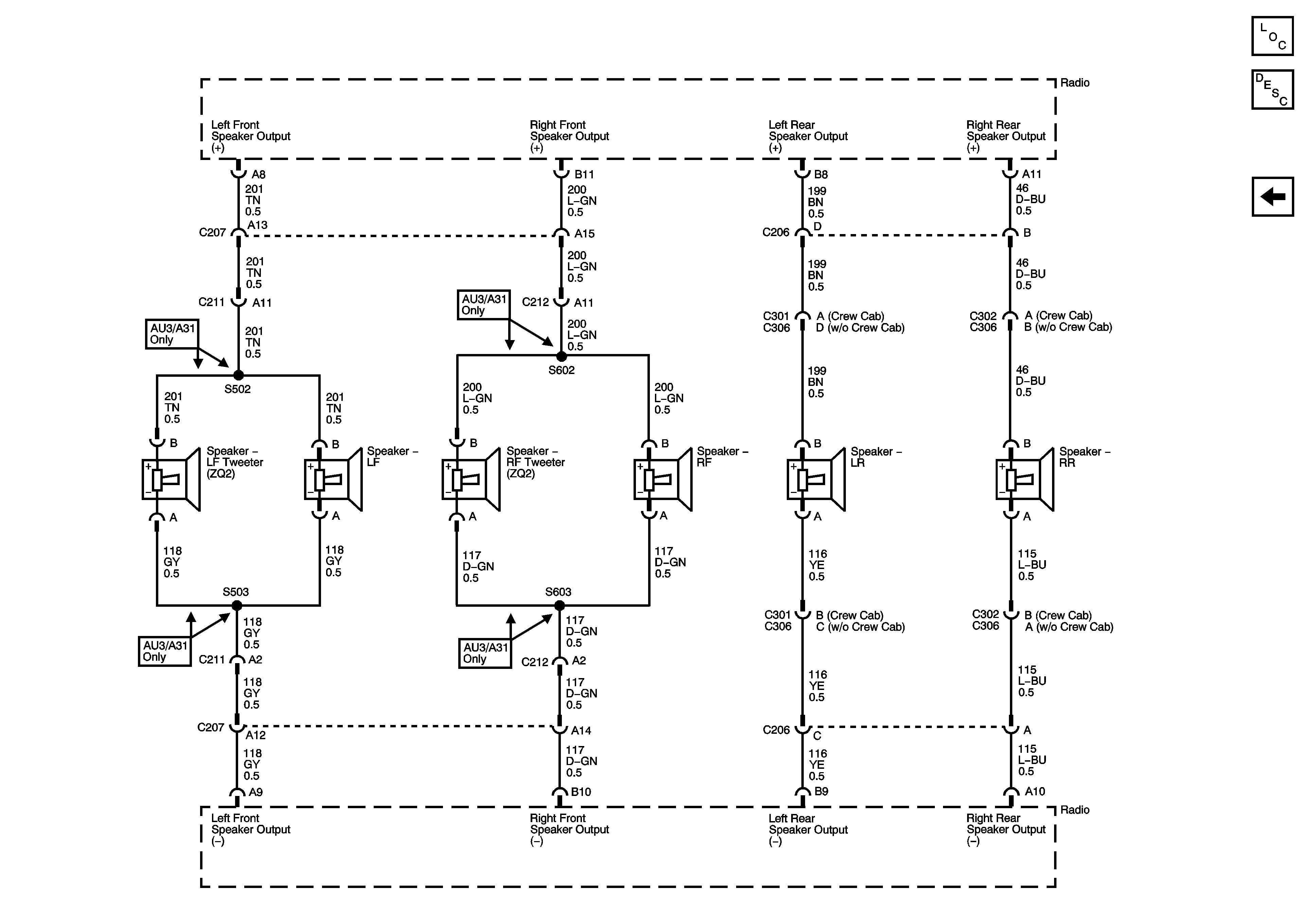
Figure
2:
Speakers
Master Electrical Component List
Radio/Audio System Description and Operation
Radio