GM Service Manual Online
For 1990-2009 cars only
Makes
🢒
Chevrolet
🢒
1997
🢒
Lumina
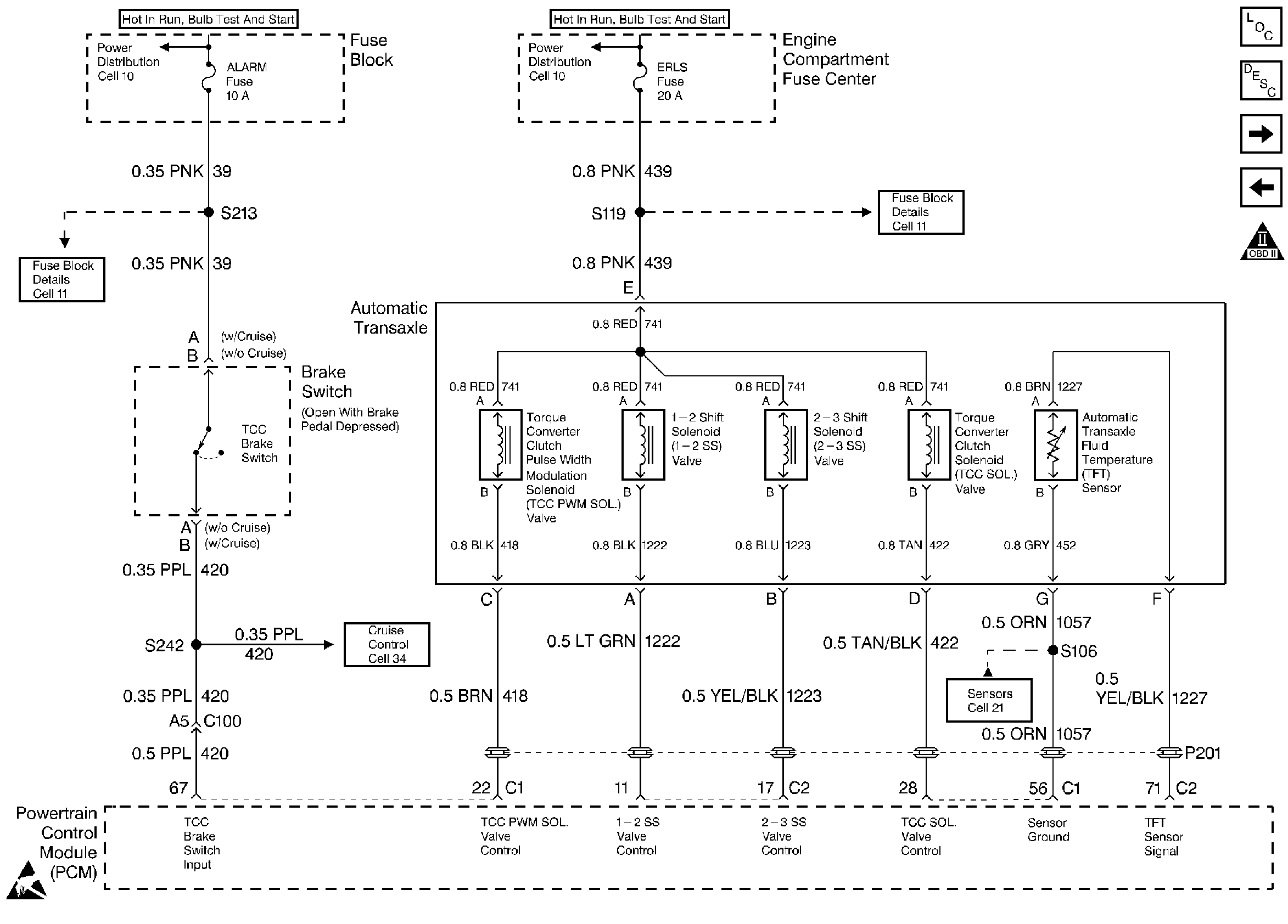
🢒 Brake Switch and Automatic Transaxle
Brake Switch and Automatic Transaxle
Brake Switch and Automatic Transaxle
Engine Controls Components
Information Sensors 1
A/C Compressor Clutch Relay, A/C Compressor Clutch
Vehicle Speed Sensor
OBD II Symbol Description Notice
Handling ESD Sensitive Parts Notice