GM Service Manual Online
For 1990-2009 cars only
Makes
🢒
Chevrolet
🢒
1997
🢒
Lumina
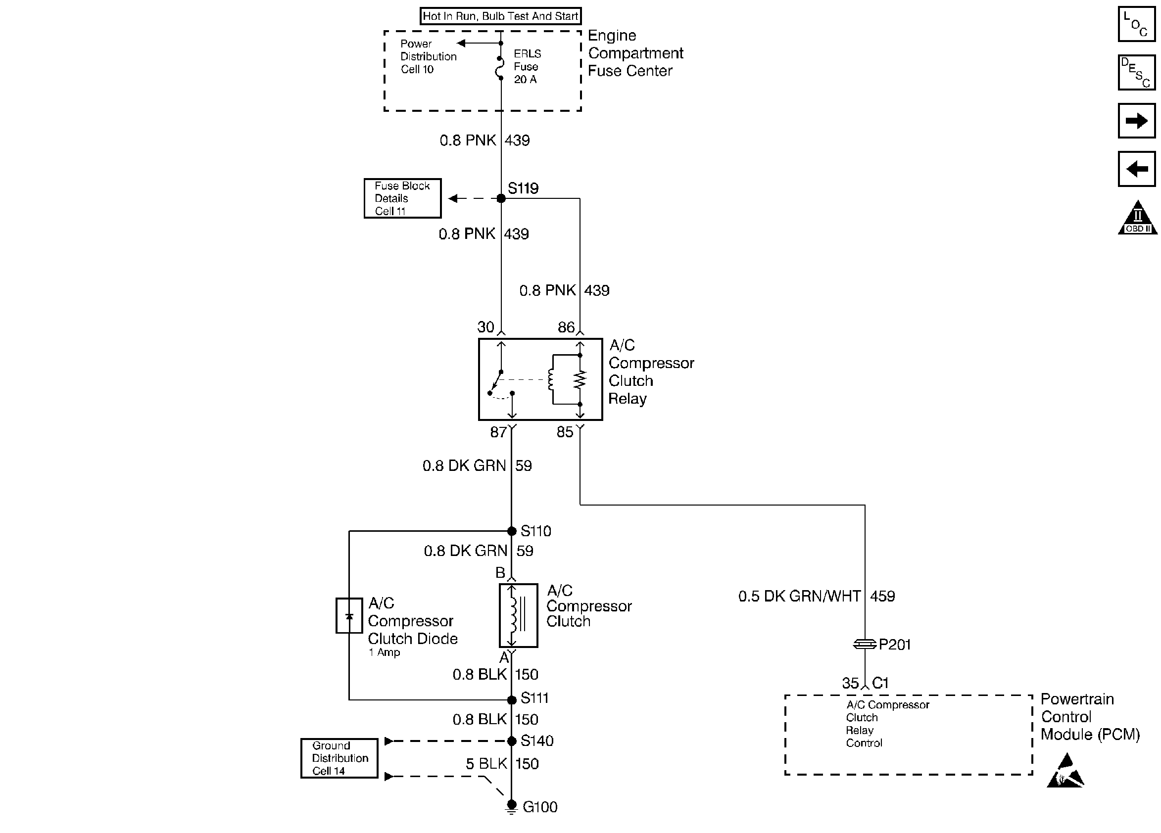
🢒 A/C Compressor Clutch Relay, A/C Compressor Clutch
A/C Compressor Clutch Relay, A/C Compressor Clutch
A/C Compressor Clutch Relay, A/C Compressor Clutch
Engine Controls Components
Air Conditioning (A/C) Compressor Clutch Control Diagnosis
Cooling Fan Relay, Cooling Fan Motor
Brake Switch and Automatic Transaxle
OBD II Symbol Description Notice
Handling ESD Sensitive Parts Notice