GM Service Manual Online
For 1990-2009 cars only
Makes
🢒
Chevrolet
🢒
2000
🢒
Lumina
🢒
Engine
🢒
Engine Electrical
🢒 Starting and Charging Schematics
Figure
1:
Power/Ground Distribution, and Starting
Fan #3, PARK LPS, HORN, ABS, IGN SW 1 Fuses, HD LPS Circuit Breaker, and Electronic Brake Control Relay (ABS)
Fan #3, PARK LPS, HORN, ABS, IGN SW 1 Fuses, HD LPS Circuit Breaker, and Electronic Brake Control Relay (ABS)
Engine Electrical Components
Starting System Circuit Description
Power/Ground Distribution, and Charging
Fuses 4, 7, 11, 13, 20, 22, 29, 38, and Power Windows Circuit Breaker C
SIR Caution
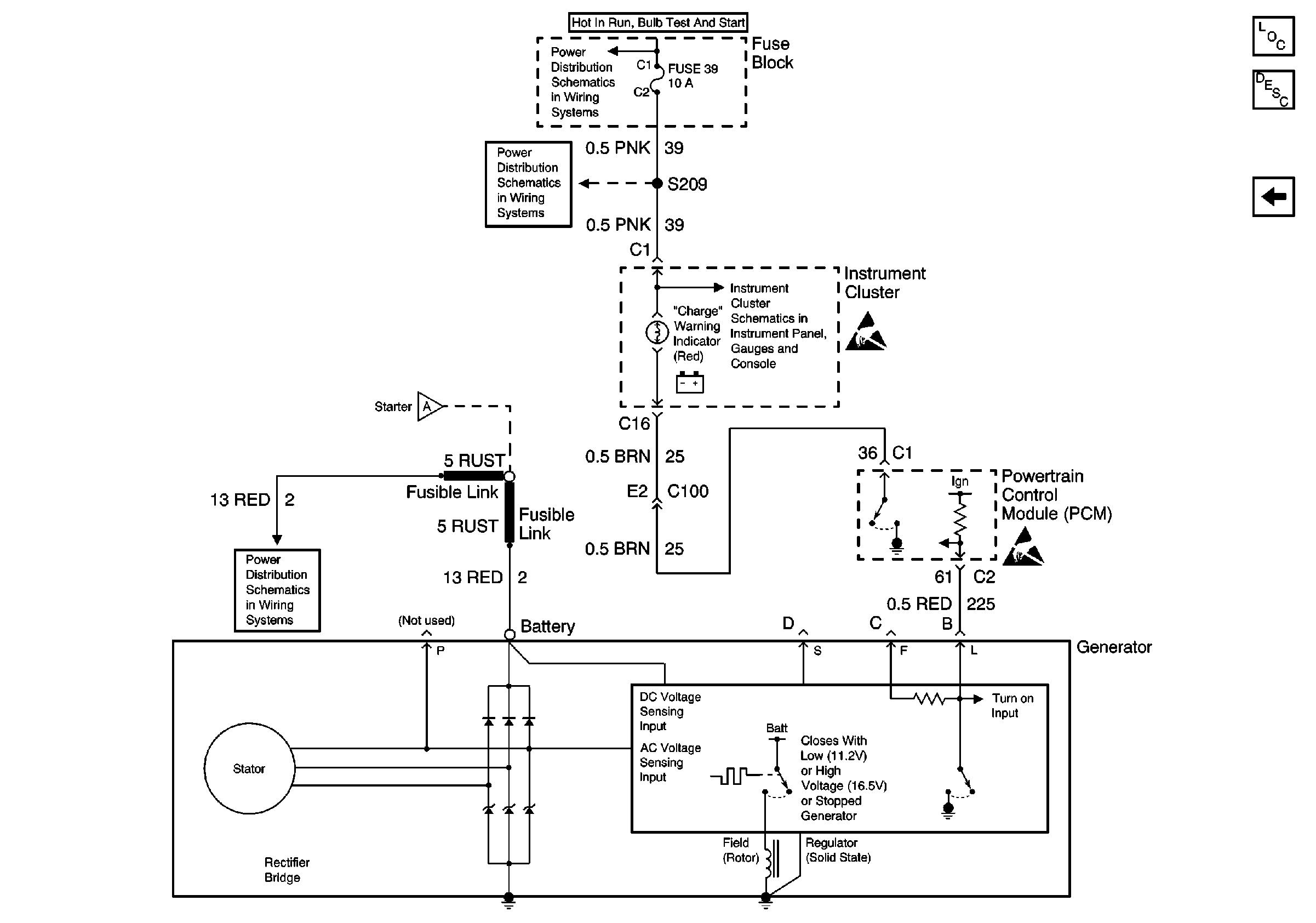
Power/Ground Distribution, and Charging
Figure
2:
Power/Ground Distribution, and Charging
Fuses 12, 21, 30, 33, 39, 42, ELEK IGN, PCM IGN, F/INJN, TRANS, A/C CONT, AIR PUMP Fuses, IGN SYST Relay
Maxifuses 1, 2, 3 and 4, Fuses 1, 5, 10, 14, 19, 23, 28, 32, 37 and41, PCM BAT and R/CMPT Fuses, Circuit Breaker D, and FAN CONT #1 Relay
Power/Ground Distribution, and Starting
IPC Engine Oil Pressure Indicator, Theft Inputs and PCM MIL Outputs
Handling ESD Sensitive Parts Notice
Handling ESD Sensitive Parts Notice
Engine Electrical Components
Charging System Circuit Description
Power/Ground Distribution, and Starting