GM Service Manual Online
For 1990-2009 cars only
Makes
🢒
Chevrolet
🢒
2000
🢒
Lumina
🢒
Body and Accessories
🢒
Doors
🢒 Power Window Schematics
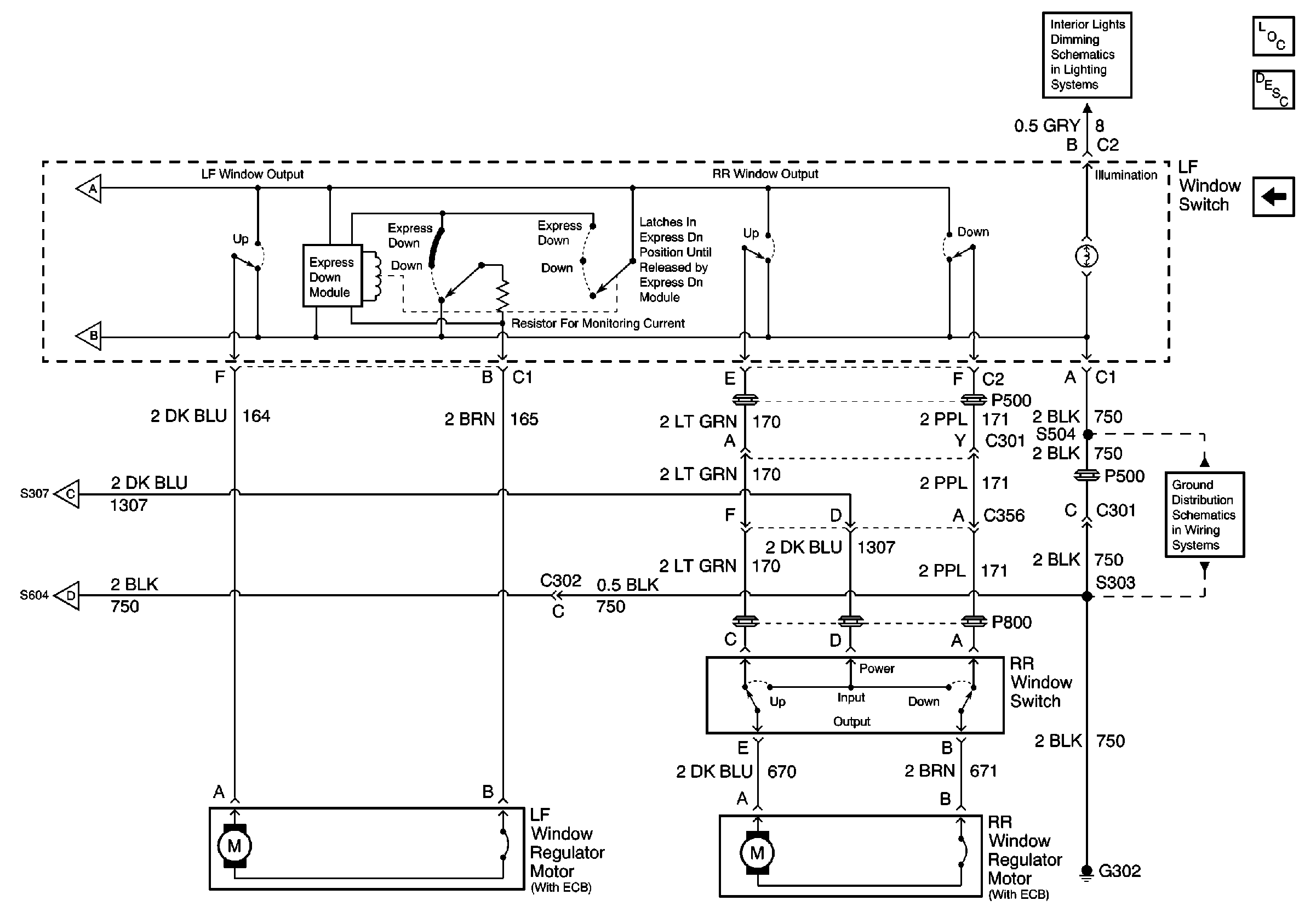
Figure
1:
Power/Ground Distribution, and Window Switches
Power Door Systems Components
Power Windows Circuit Description
Power/Ground Distribution, Window Switches, and Window Motors
Power/Ground Distribution, Window Switches, and Window Motors
Power/Ground Distribution, Window Switches, and Window Motors
Power/Ground Distribution, Window Switches, and Window Motors
Power/Ground Distribution, Window Switches, and Window Motors
Interior Lights Schematics
G302 (1 of 2)
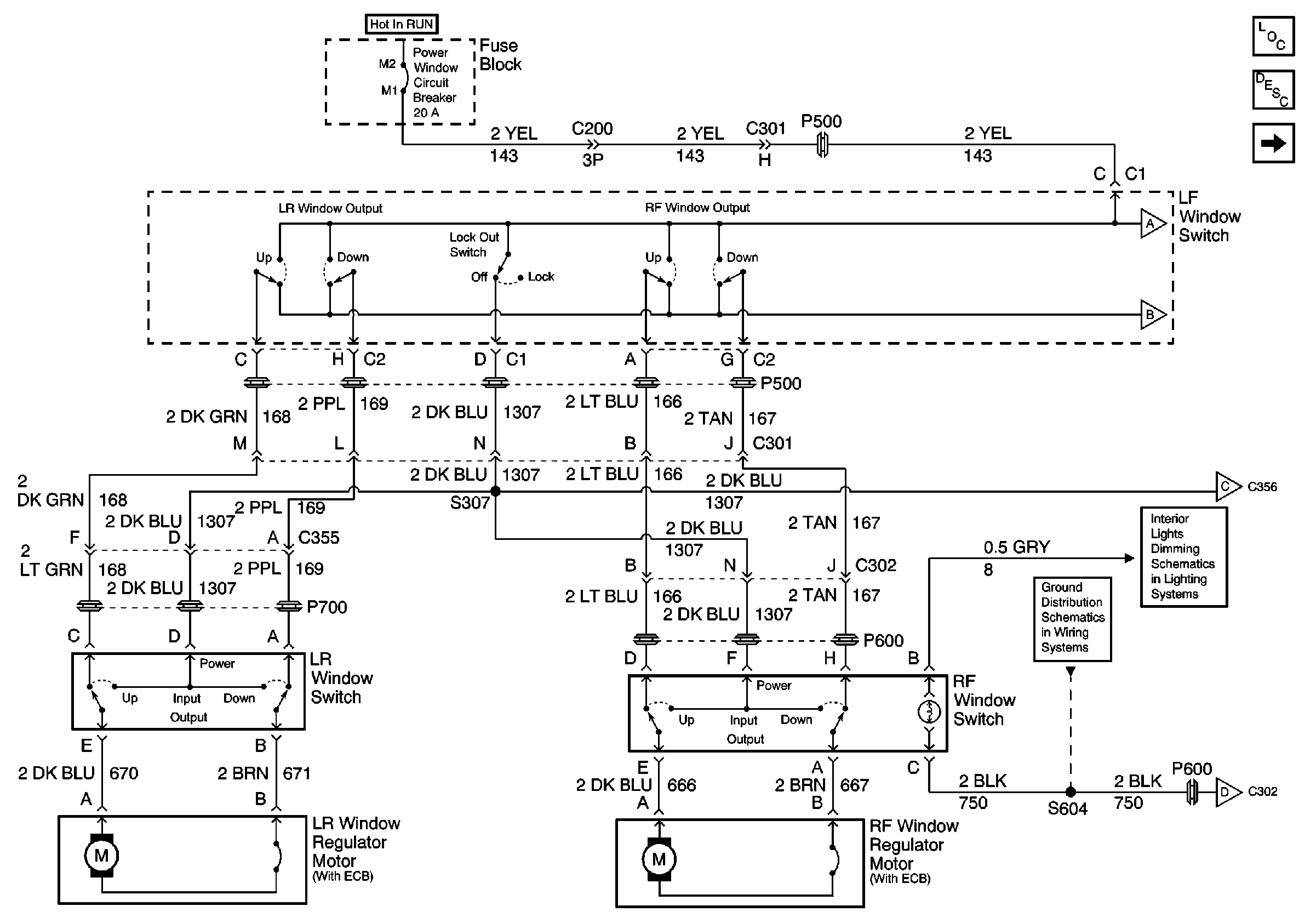
Figure
2:
Power/Ground Distribution, Window Switches, and Window Motors
Power/Ground Distribution, and Window Switches
Power/Ground Distribution, and Window Switches
Power/Ground Distribution, and Window Switches
Power/Ground Distribution, and Window Switches
Interior Lights Schematics
Power Door Systems Components
Power Windows Circuit Description
Power/Ground Distribution, and Window Switches
G302 (1 of 2)