GM Service Manual Online
For 1990-2009 cars only
Makes
🢒
Chevrolet
🢒
2000
🢒
Lumina
🢒 Cell 21: Oxygen Sensors
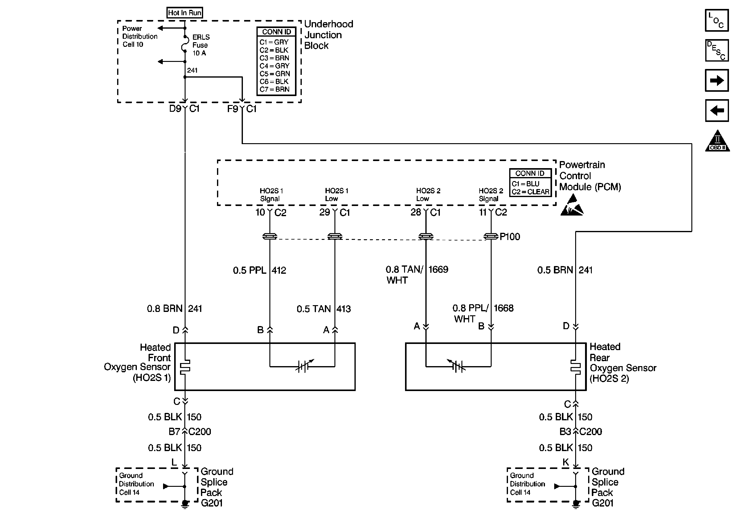
Cell 21: Oxygen Sensors
Cell 21: Oxygen Sensors
Engine Controls Component Views
Information Sensors/Switches Description
Cell 21: IAC Valve, Generator, TR, and Oil Switches
Cell 21: EVAP and EGR Controls
OBD II Symbol Description Notice
Handling ESD Sensitive Parts Notice
Engine Controls Schematics
Ground Distribution Schematics
Ground Distribution Schematics