GM Service Manual Online
For 1990-2009 cars only
Makes
🢒
Chevrolet
🢒
2000
🢒
Lumina
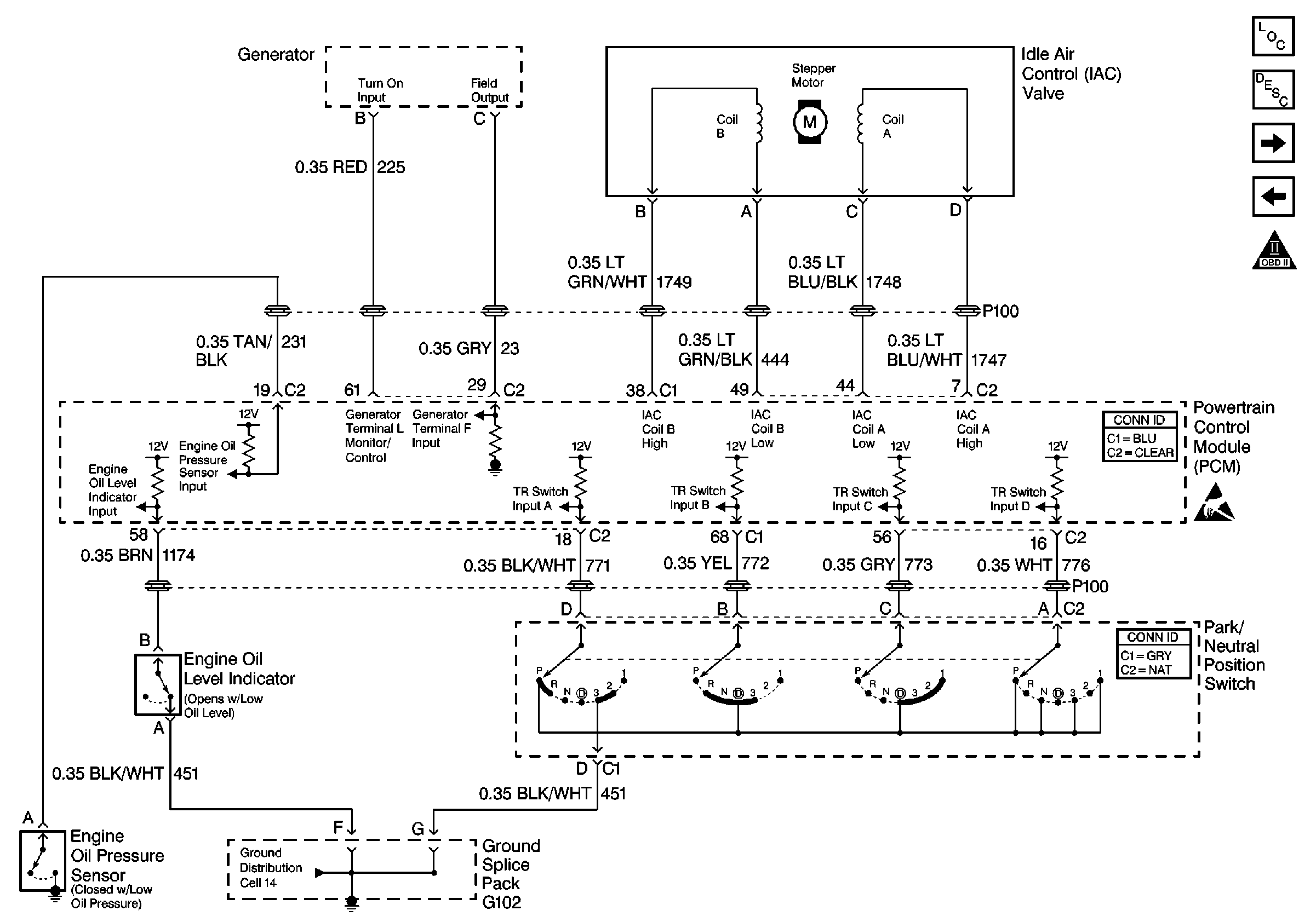
🢒 Cell 21: IAC Valve, Generator, TR, and Oil Switches
Cell 21: IAC Valve, Generator, TR, and Oil Switches
Cell 21: IAC Valve, Generator, TR, and Oil Switches
Engine Controls Component Views
Information Sensors/Switches Description
Cell 21: VSS and Cruise Control
Cell 21: Oxygen Sensors
OBD II Symbol Description Notice
Handling ESD Sensitive Parts Notice
Ground Distribution Schematics