GM Service Manual Online
For 1990-2009 cars only
Makes
🢒
Chevrolet
🢒
2000
🢒
Lumina
🢒 Compressor Controls C60
Compressor Controls C60
HVAC Components
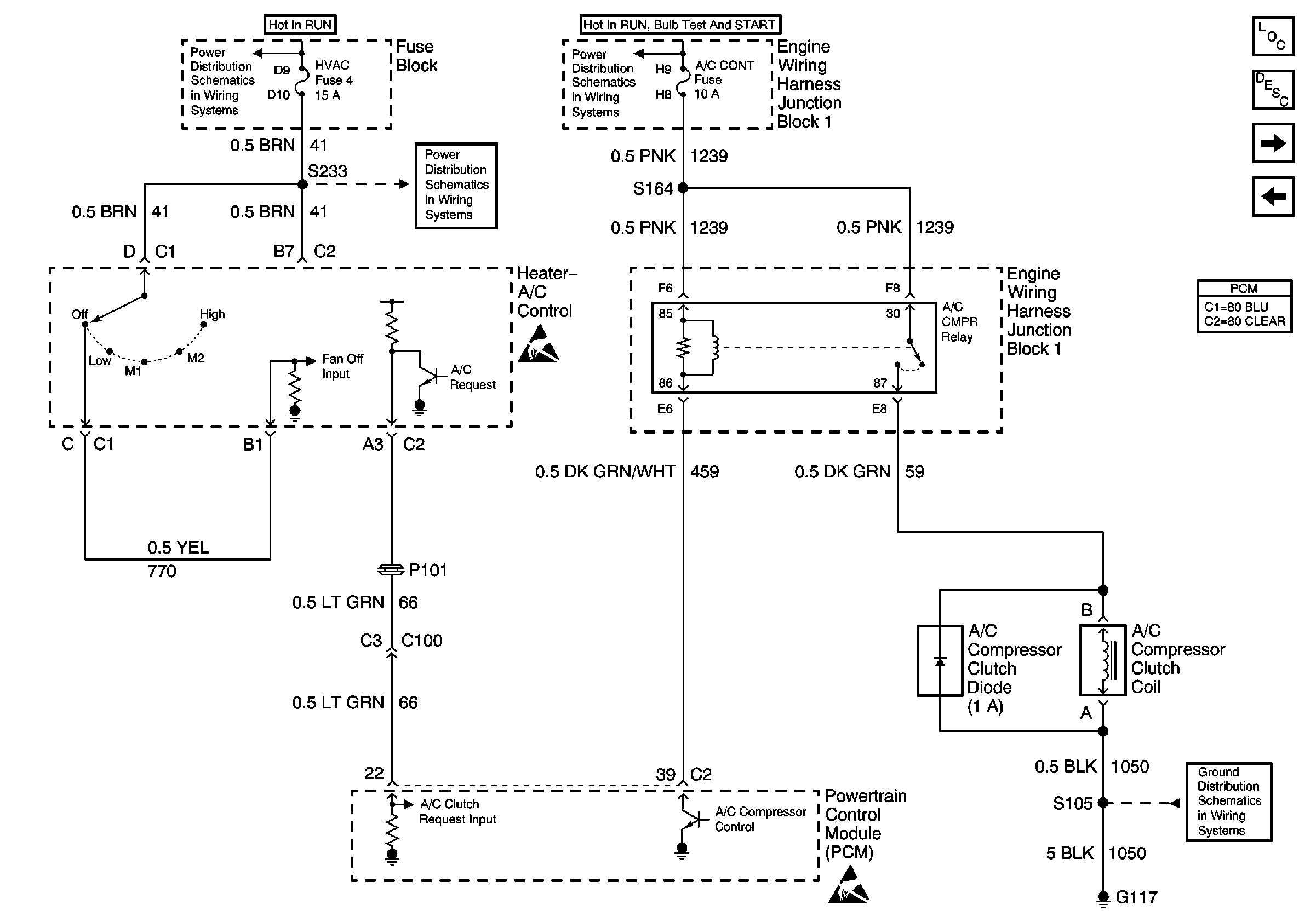
HVAC Compressor Controls Circuit Description
Temperature Actuator
Blower Controls C60
Fuses 12, 21, 30 and 39
TRANS, A/C CONT, AIR PUMP Fuses
Fuses 12, 21, 30 and 39
G117