GM Service Manual Online
For 1990-2009 cars only
Figure 1:

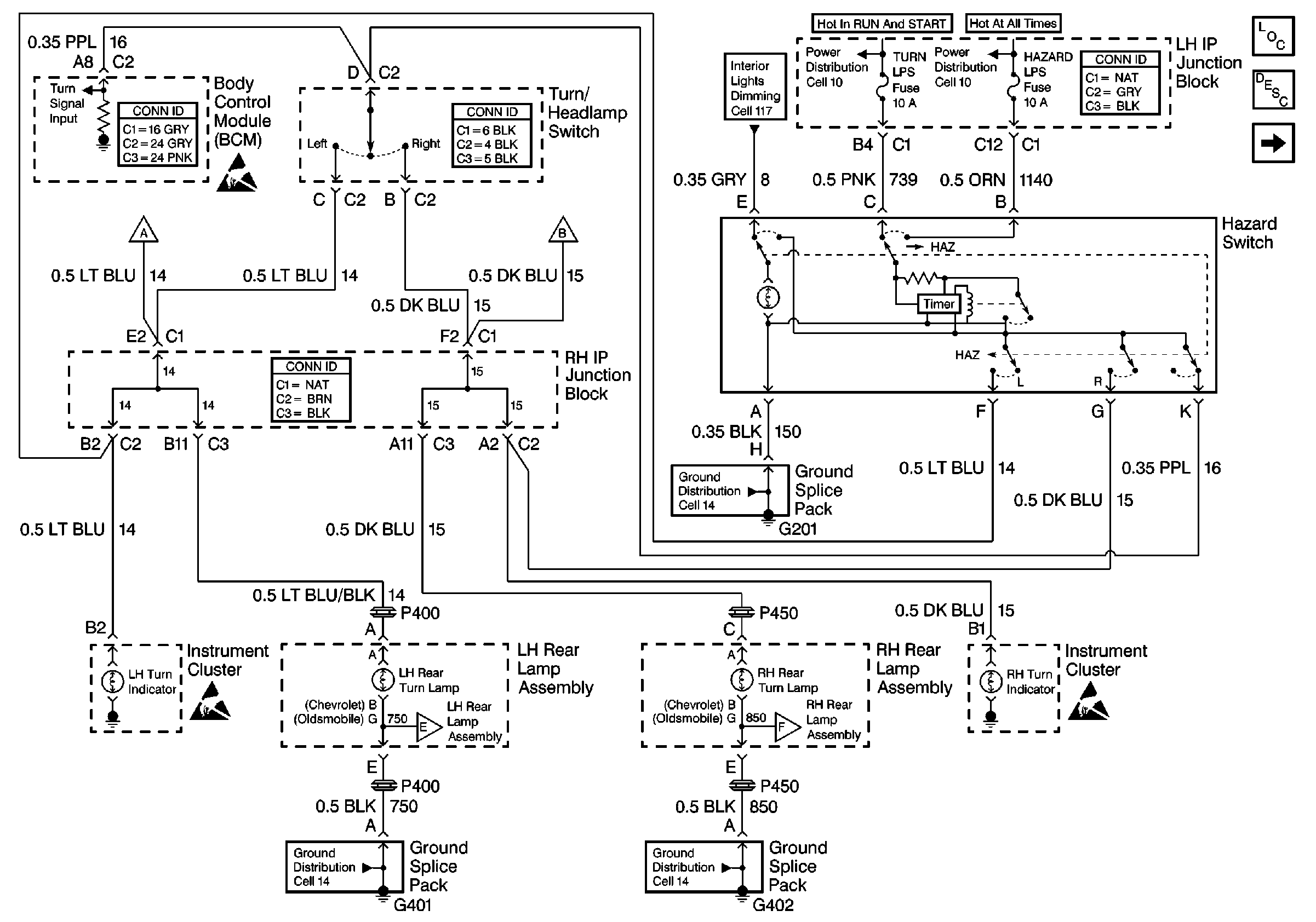
Cell 110: Exterior Lights and Rear Turn/Hazard


Object Number: 263993  Size: FS
Handling ESD Sensitive Parts Notice
Handling ESD Sensitive Parts Notice
Handling ESD Sensitive Parts Notice
Interior Lights Dimming Schematics
Lighting Systems Components
Exterior Lights Circuit Description
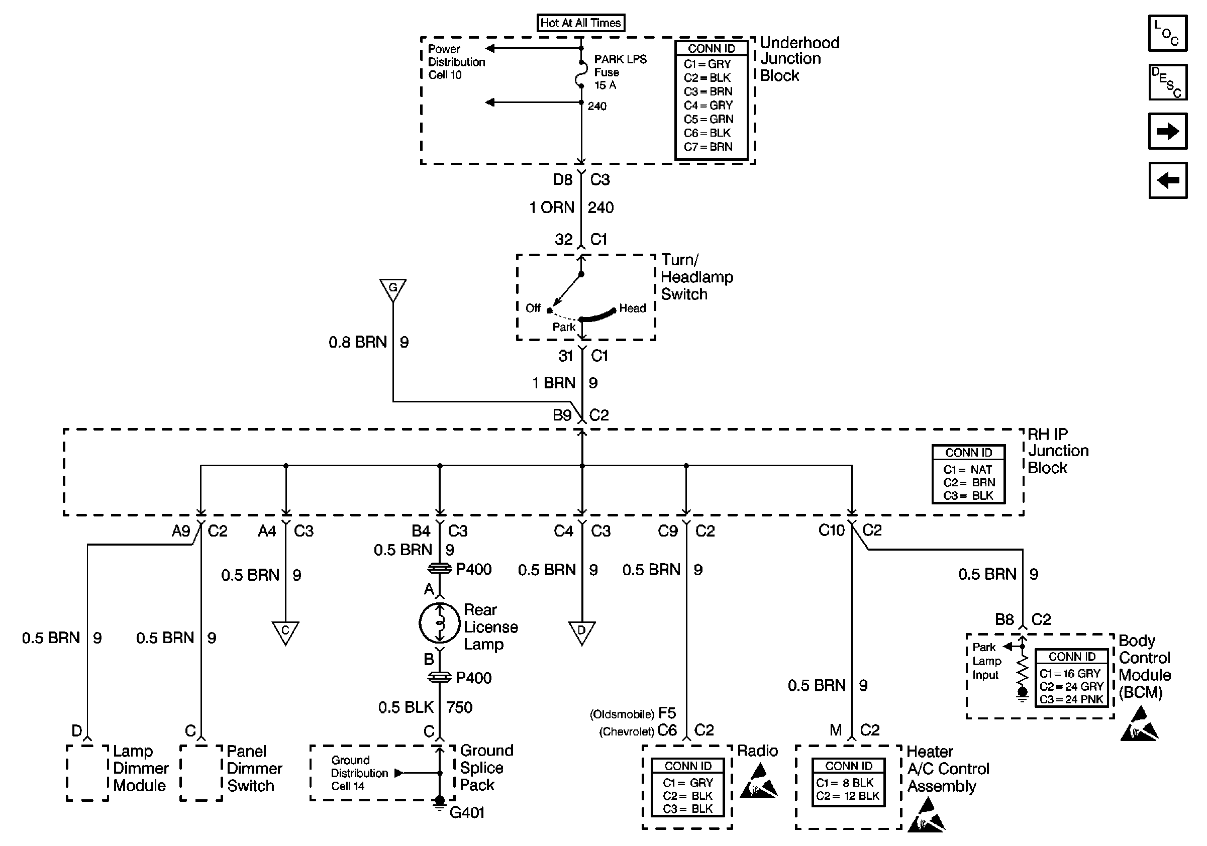
Cell 110: Exterior Lights and Front Park/Turn Marker
Ground Distribution Schematics
Ground Distribution Schematics
Ground Distribution Schematics
Figure 2:

Cell 110: Exterior Lights and Front Park/Turn Marker


Object Number: 264032  Size: FS
Power Distribution Schematics
Lighting Systems Components
Exterior Lights Circuit Description
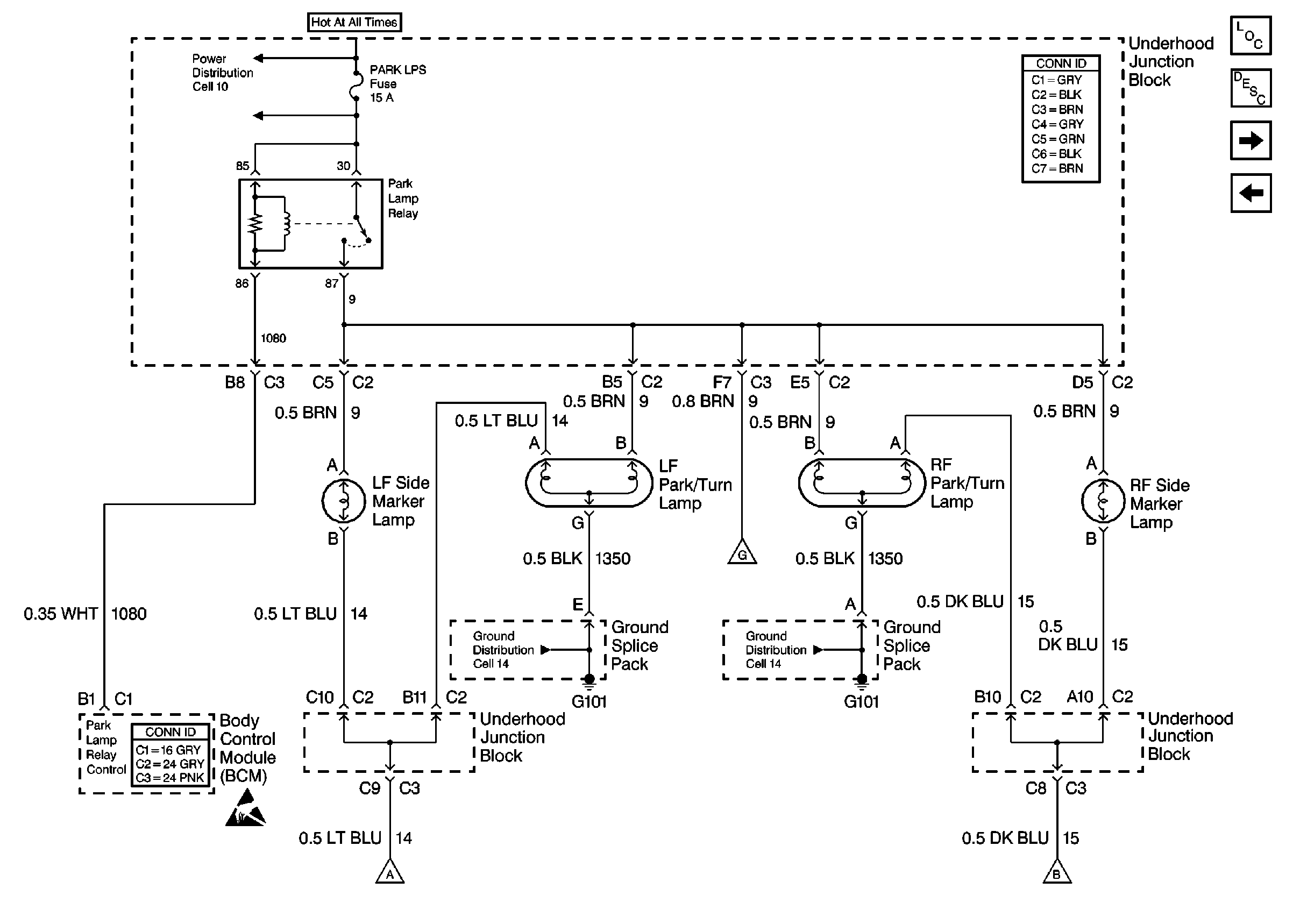
Cell 110: License Lamp
Cell 110: Exterior Lights and Rear Turn/Hazard
Handling ESD Sensitive Parts Notice
Ground Distribution Schematics
Ground Distribution Schematics
Figure 3:

Cell 110: License Lamp


Object Number: 264036  Size: FS
Power Distribution Schematics
Lighting Systems Components
Exterior Lights Circuit Description
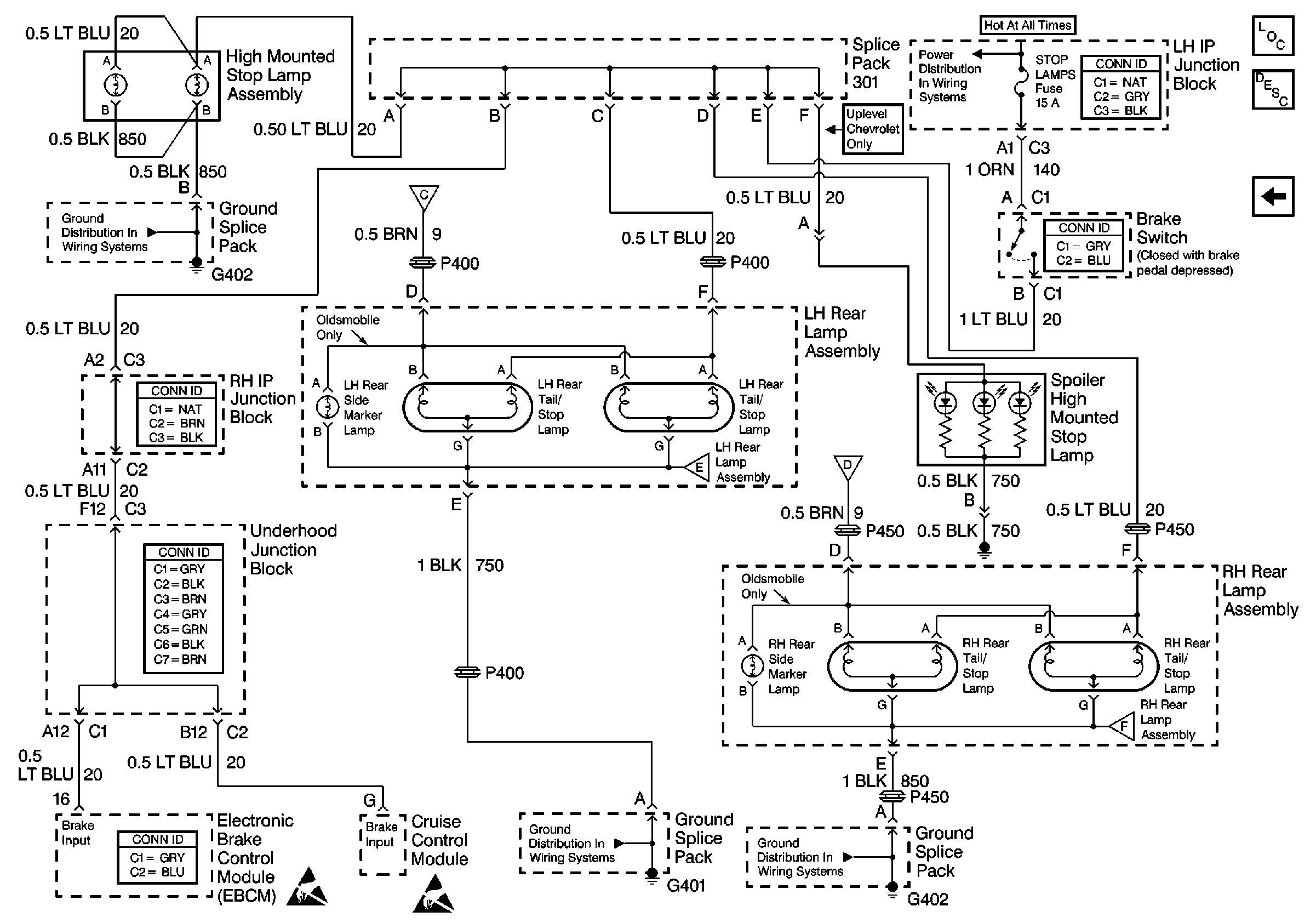
Cell 110: Tail/Stop Lamps
Cell 110: Exterior Lights and Front Park/Turn Marker
Ground Distribution Schematics
Handling ESD Sensitive Parts Notice
Handling ESD Sensitive Parts Notice
Handling ESD Sensitive Parts Notice
Figure 4:

Cell 110: Tail/Stop Lamps


Object Number: 264037  Size: FS
Ground Distribution Schematics
Ground Distribution Schematics
Ground Distribution Schematics
Power Distribution Schematics
Lighting Systems Components
Exterior Lights Circuit Description
Cell 110: License Lamp
Handling ESD Sensitive Parts Notice
Handling ESD Sensitive Parts Notice