GM Service Manual Online
For 1990-2009 cars only
Makes
🢒
Chevrolet
🢒
1998
🢒
Malibu
🢒
Body and Accessories
🢒
Lighting Systems
🢒 Headlights/Daytime Running Lights (DRL) Schematics
Figure
1:
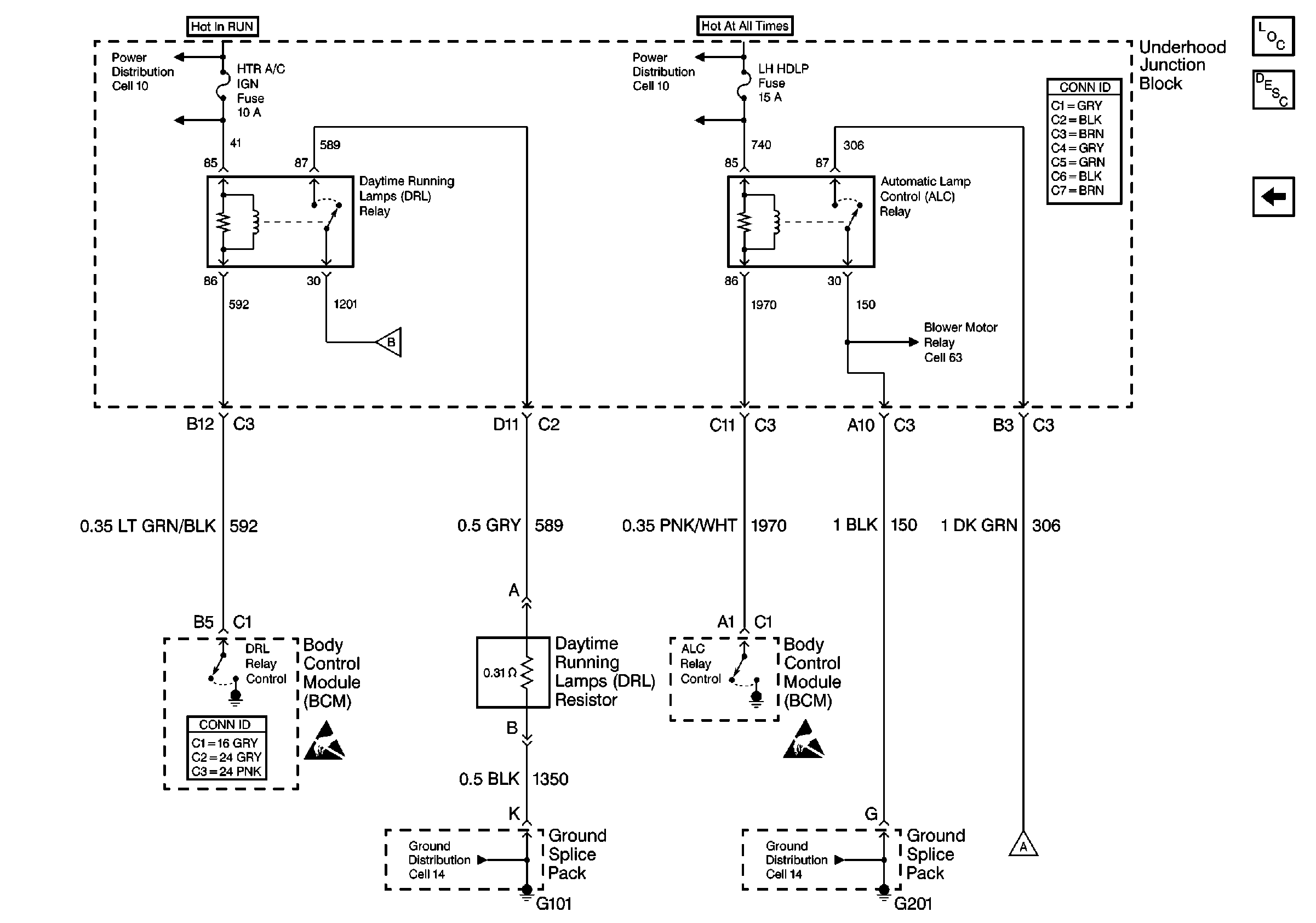
Cell 102: Headlights DRL
Power Distribution Schematics
Power Distribution Schematics
Lighting Systems Components
Headlights/Daytime Running Lights (DRL) Circuit Description
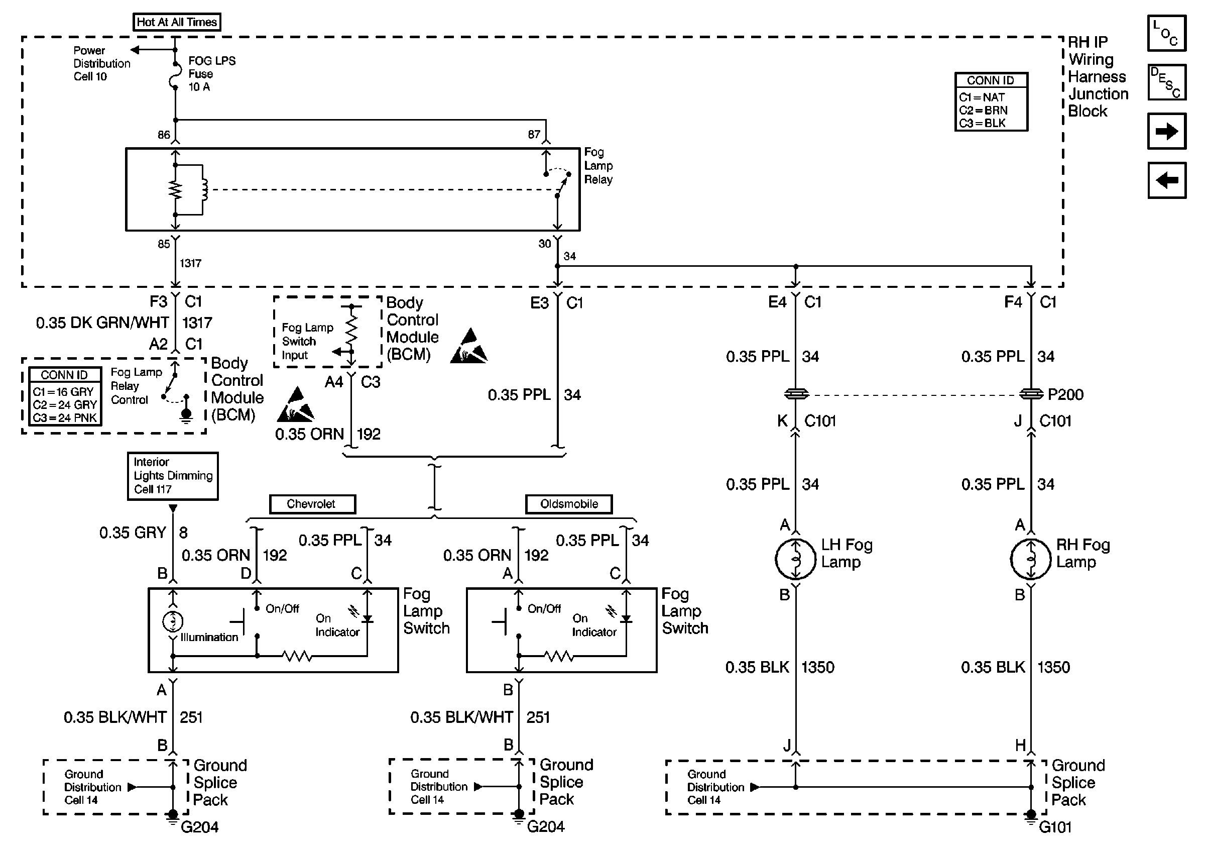
Cell 102: Foglamps DRL
Handling ESD Sensitive Parts Notice
Handling ESD Sensitive Parts Notice
Ground Distribution Schematics
Figure
2:
Cell 102: Foglamps DRL
Power Distribution Schematics
Lighting Systems Components
Headlights/Daytime Running Lights (DRL) Circuit Description
Cell 102: Turning, Headlamp, and Wiper Switches
Cell 102: Headlights DRL
Handling ESD Sensitive Parts Notice
Handling ESD Sensitive Parts Notice
Interior Lights Dimming Schematics
Ground Distribution Schematics
Ground Distribution Schematics
Ground Distribution Schematics
Figure
3:
Cell 102: Turning, Headlamp, and Wiper Switches
Power Distribution Schematics
Power Distribution Schematics
Lighting Systems Components
Headlights/Daytime Running Lights (DRL) Circuit Description
Cell 102: Foglamps DRL
HVAC Blower Control Schematics
Handling ESD Sensitive Parts Notice
Handling ESD Sensitive Parts Notice
Ground Distribution Schematics
Ground Distribution Schematics