GM Service Manual Online
For 1990-2009 cars only
Makes
🢒
Chevrolet
🢒
1998
🢒
Malibu
🢒
Body and Accessories
🢒
Lighting Systems
🢒 Interior Lights Schematics
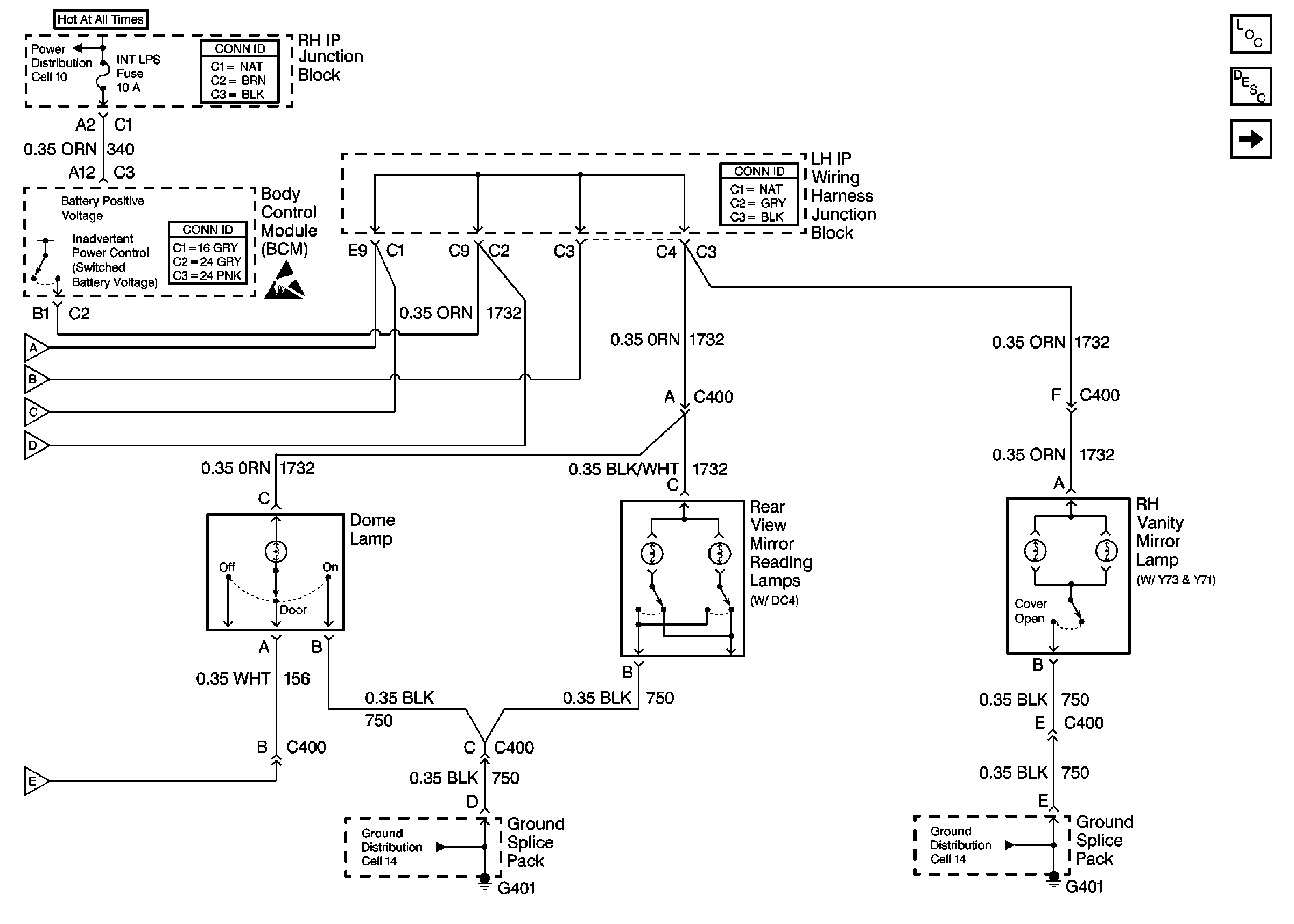
Figure
1:
Cell 114: Reading, Dome, and Vanity Mirror Lamps
Lighting Systems Components
Interior Lights Circuit Description
Cell 114: Courtesy/Glove Lamps
Power Distribution Schematics
Ground Distribution Schematics
Ground Distribution Schematics
Handling ESD Sensitive Parts Notice
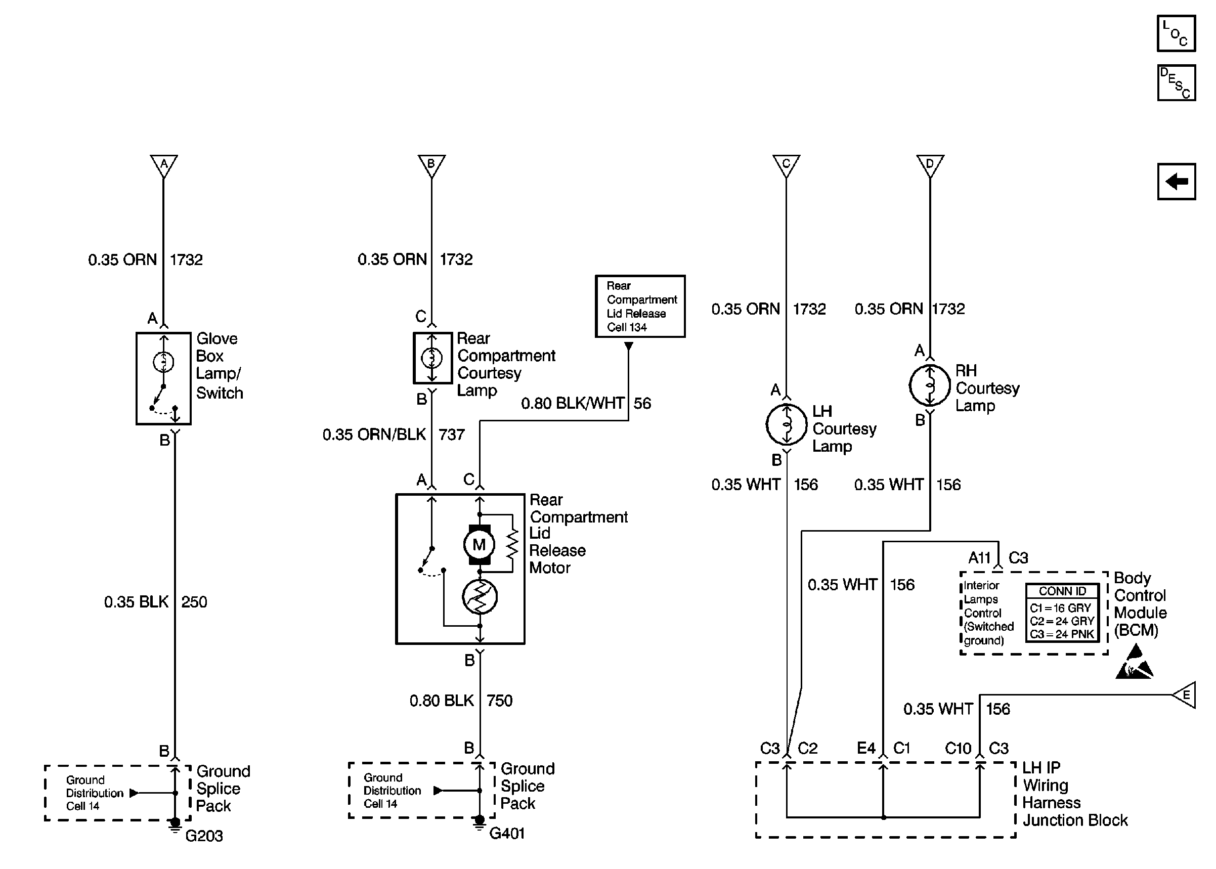
Figure
2:
Cell 114: Courtesy/Glove Lamps
Lighting Systems Components
Interior Lights Circuit Description
Cell 114: Reading, Dome, and Vanity Mirror Lamps
Release Systems Schematics
Handling ESD Sensitive Parts Notice
Ground Distribution Schematics
Ground Distribution Schematics