GM Service Manual Online
For 1990-2009 cars only
Makes
🢒
Chevrolet
🢒
1998
🢒
Malibu
🢒
Body and Accessories
🢒
Body Rear End
🢒 Release Systems Schematics
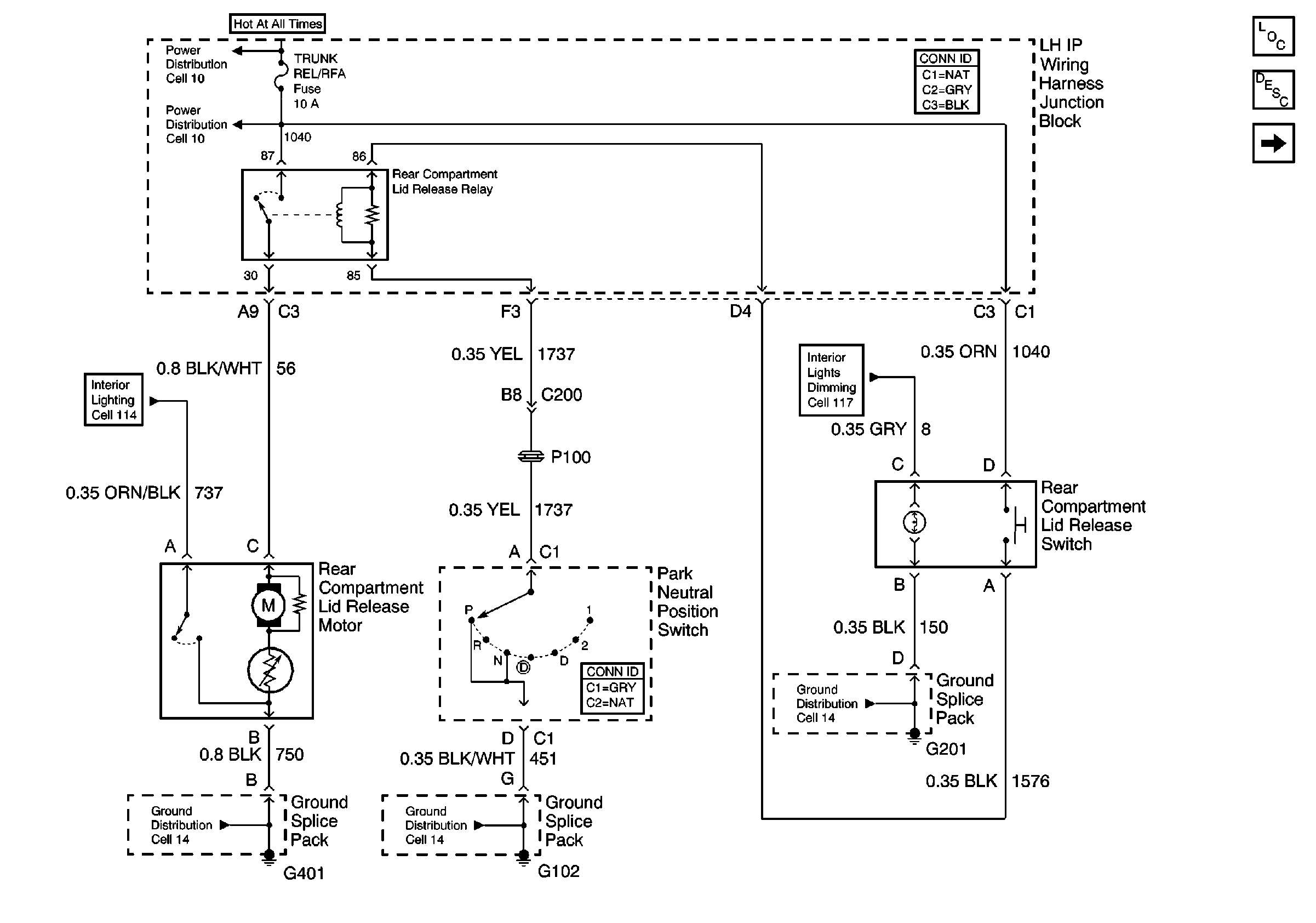
Figure
1:
Cell 134: Trunk Release Without Keyless Entry
Power Distribution Schematics
Body Rear End Components
Rear Compartment Lid Release Circuit Description
Cell 134: Trunk Release With Keyless Entry
Interior Lights Dimming Schematics
Interior Lights Schematics
Ground Distribution Schematics
Ground Distribution Schematics
Ground Distribution Schematics
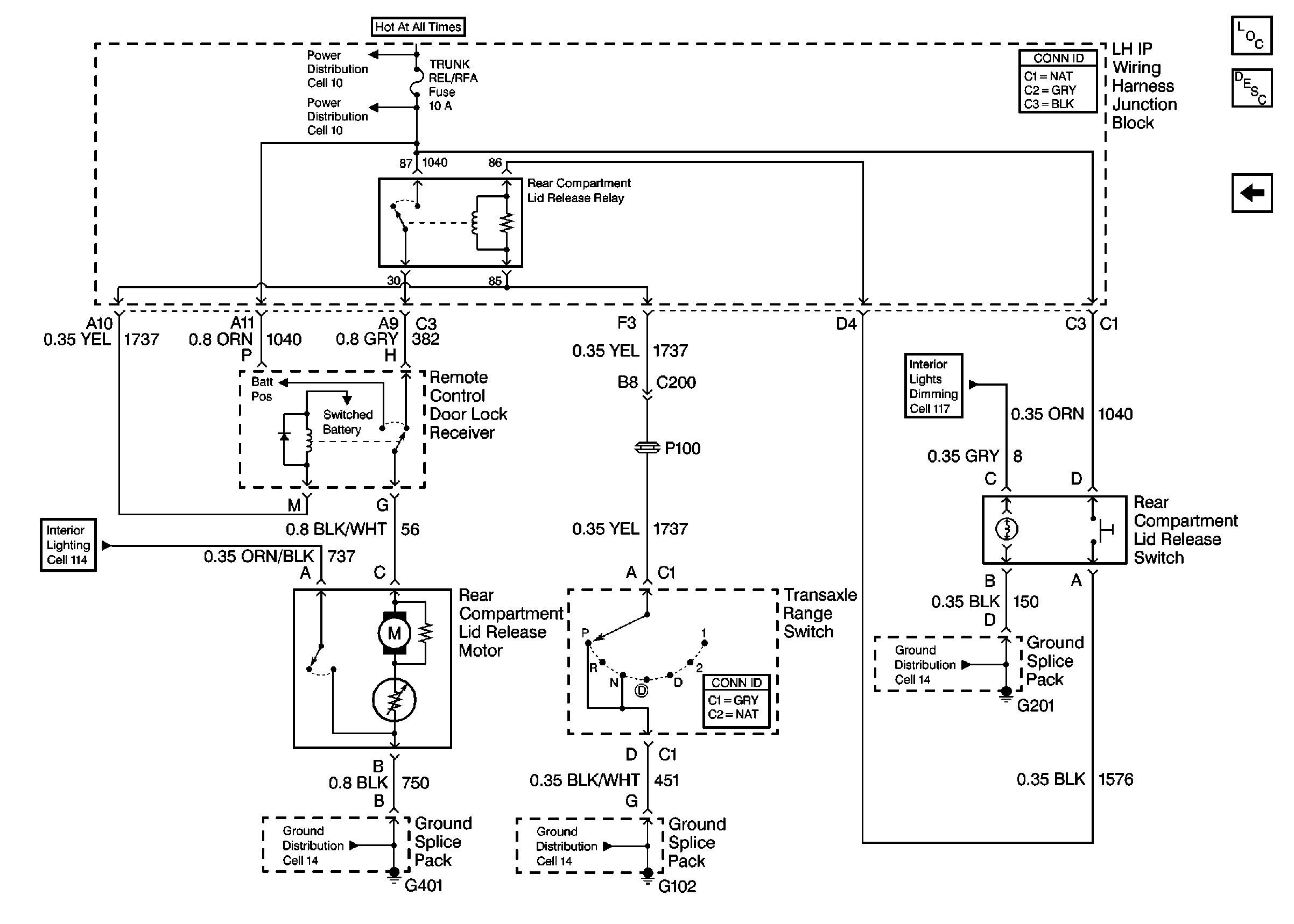
Figure
2:
Cell 134: Trunk Release With Keyless Entry
Body Rear End Components
Rear Compartment Lid Release Circuit Description
Cell 134: Trunk Release Without Keyless Entry
Power Distribution Schematics
Interior Lights Schematics
Interior Lights Dimming Schematics
Ground Distribution Schematics
Ground Distribution Schematics
Ground Distribution Schematics