GM Service Manual Online
For 1990-2009 cars only
Makes
🢒
Chevrolet
🢒
1999
🢒
Malibu
🢒 Cell 23: Fuel Controls
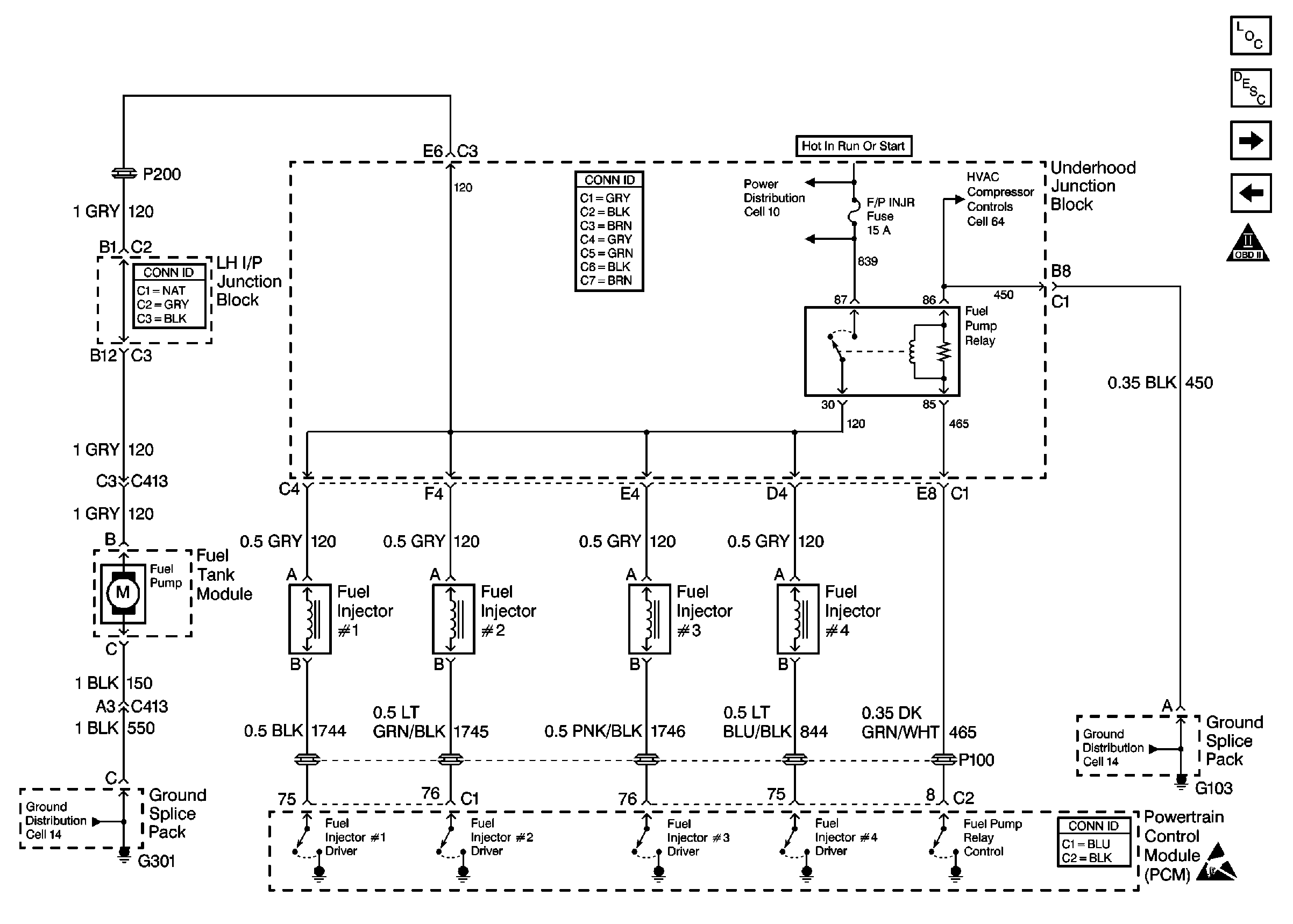
Cell 23: Fuel Controls
Cell 23: Fuel Controls
Engine Controls Component Views
Powertrain Control Module Description
Fuel System
Cell 23: Ignition Controls
OBD II Symbol Description Notice
Handling ESD Sensitive Parts Notice
Power and Grounding Connector End Views
Cell 10: LH BEC BATT 1, AUX PWR/CIGAR, PARK LPS, PCM BATT, PWRSEAT, PWR MIRROR, DR LOCK and TRUNK REL/RFA Fuses
HVAC Compressor Control Schematics
Cell 14: G102 and G104
Powertrain Control Module Connector End Views With EGR
Cell 14: G102 and G104