GM Service Manual Online
For 1990-2009 cars only

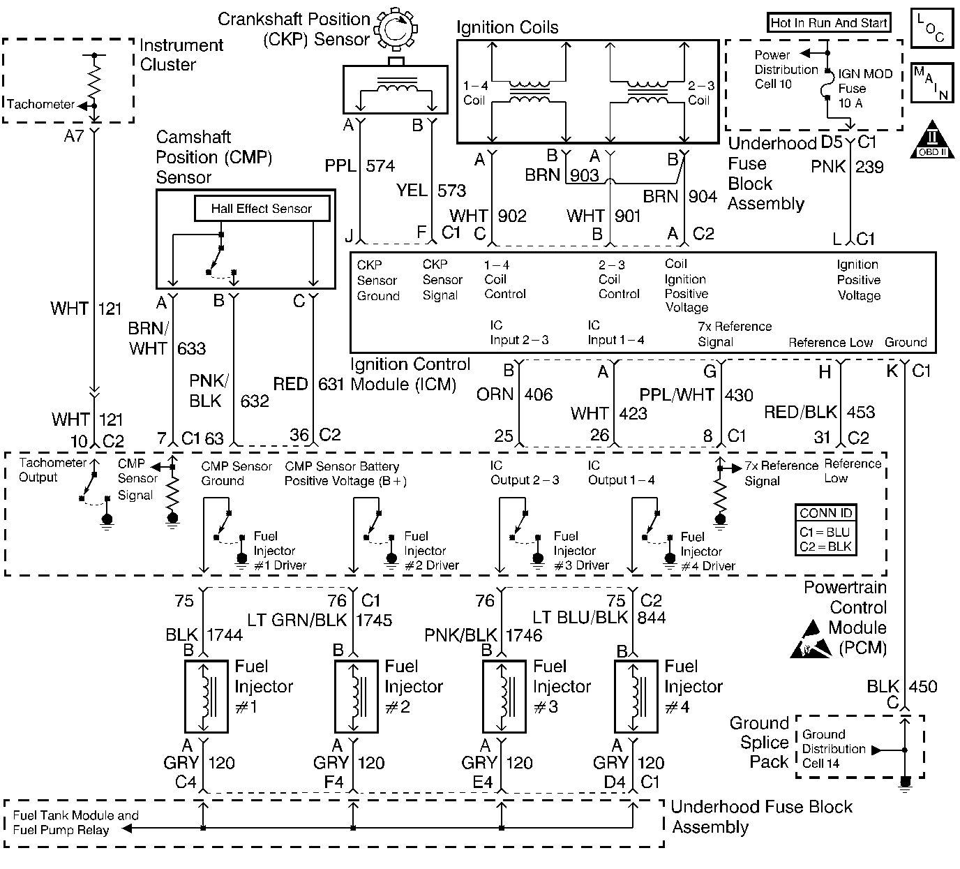
Object Number: 409541  Size: LF
Engine Controls Components
Cell 23: Ignition Controls
OBD II Symbol Description Notice
Powertrain Control Module Connector End Views
Handling ESD Sensitive Parts Notice
Handling ESD Sensitive Parts Notice

System Description

The Powertrain Control Module (PCM) monitors both the crankshaft and the camshaft position in order to detect an engine misfire. A rapid decrease in the crankshaft speed indicates misfire. The PCM may require that several consecutive misfire conditions are detected before storing this DTC and before illuminating the MIL. Under light misfire conditions, the PCM may require more than one trip to set this DTC. Under a severe misfire, the PCM flashes the MIL. A flashing MIL indicates that there is a misfire that is capable of damaging the catalytic converter. The torque converter clutch (TCC) disables momentarily in order to determine if the misfire was due to a rough road condition, automatic transmission only.

Conditions for Running the DTC

    • DTCs P0105, P0107, P0112, P0113, P0117, P0118, P0122, P0123, P0125, P0131, P0132, P0133, P0134, P0171, P0172, P0325, P0335, P0341, P0342, P0502, P0503, P0506, P0507, P0601, P0740, P0742, P1133, and P1621 not set.
    • The engine speed is between 469 RPM and 6400 RPM
    • The battery voltage is between 9 volts and 17 volts.
    • The Engine Coolant Temperature (ECT) is between -7°C (20°F) and 123°C (254°F).
    • The engine has been running more than 5 seconds.
    • The Throttle Position (TP) hasnt increased more than 8 percent in 1 second.
    • The Throttle Position (TP) hasnt decreased more than 1.5 percent in 1 second.

Conditions for Setting the DTC

The misfire total is greater than 8 counts.

Action Taken When the DTC Sets

    • The Malfunction Indicator Lamp (MIL) illuminates if the fault is active within the same conditions for two out of eighty ignition cycles when there is a misfire
        OR
    • The MIL illuminates after two consecutive ignition cycles in which the diagnostic runs with the fault being active
        OR
    • The MIL illuminates immediately and flashes if a misfire is severe enough to cause any catalyst damage
    • The Torque Converter Clutch (TCC) disables when a misfire is present (automatic only)
    • The PCM records operating conditions at the time that the diagnostic fails. This information will store in the Freeze Frame and Failure Records buffers.
    • A history DTC stores.
    • The coolant fan turns ON.

Conditions for Clearing the MIL/DTC

    • The MIL turns OFF after three consecutive ignition cycles during which the diagnostic runs without a fault present under the Freeze Frame conditions that existed when the DTC failed.
    • A history DTC clears after 40 consecutive warm up cycles without a fault.
    • Clear the MIL/DTCs with a scan tool.

Diagnostic Aids

An intermittent can also be the result of a defective reluctor wheel. Remove the crankshaft sensor and inspect the reluctor wheel through the sensor mount hole. Check for porosity and condition of the wheel. Refer to Crankshaft Balancer Cleaning and Inspection in Engine Mechanical .

Verify the electronic Ignition Control Module (ICM) 11 pin harness connector terminal K, ground circuit should have less than 0.5 ohms resistance.

Important: A Crankshaft Position System Variation Learning Procedure must be performed at any time that a change is made to the crankshaft sensor to crankshaft relationship. Changing the crank sensor to crankshaft relationship will not allow the PCM to detect a misfire at all speeds and loads accurately, resulting in a possible false misfire DTC being set. Removing a part for inspection and then reinstalling the same part is considered a disturbance. A false DTC P0300 could be set if this procedure is not performed. Refer to Crankshaft Position System Variation Learn for the Crankshaft Position System Variation Procedure.

If DTC is intermittent, refer to Cuts Out, Misses in symptoms.

When checking the electrical terminal connections with a test light or an DMM, a malfucntioning electrical terminal connection maybe cleaned and not detected as a problem. You may also clean a corroded or dirty electrical terminal connection when disconnecting and reconnecting any electrical connector.

Test Description

The number(s) below refer(s) to the step number(s) on the Diagnostic Table.

  1. The Powertrain OBD System Check prompts you to complete some of the basic checks and to store the freeze frame and failure records data on the scan tool if applicable. This creates an electronic copy of the data captured when the malfunction occurred. The scan tool stores this data on the scan tool for later reference.

  2. If a DTC P0200 is present, the condition causing the misfire is in the fuel injector circuitry. The DTC P0200 table will diagnose the fuel injectors and circuitry.

  3. A visual/physical inspection should include checking the following components:

  4. • The following in the electrical wiring:
       - Proper electrical connections
       - Pinches in the wires
       - Cuts in the wires
    • The PCM grounds for being clean and tight
    • Check the following components for air leaks:
       - Throttle body mounting
       - Intake manifold sealing surfaces
  5. This step determines if DTC P0304 is the result of a hard malfunction or an intermittent condition.

  6. If a spark plug boot is burned, the other plug on that ignition coil may still fire at idle. This step tests the systems ability to produce at least 25,000 volts at the spark plug.

  7. If the misfire is not present, it may be necessary to duplicate the conditions in the Freeze Frame Data in order to detect a misfire. Depending on the engine load, the conditions may have to be maintained for up to 20 seconds. If the misfire accumulators start to increment, this is an indication that a misfire is present. A history misfire counter will store the number of misfires that have occurred until the DTC is cleared. The current counter must count a total of at least 195 misfires before writing to the history counter.

  8. A spark is available at the misfiring cylinder. At this point, the misfire is being caused by the following condition(s):

  9. • Spark plug
    • Basic engine problem
    • Leaky fuel injector
  10. A basic engine problem or a fuel injector problem that affects only cylinder #1 is possible at this point (i.e. a valve train, a compression, etc.). Refer to the Base Engine Misfire Diagnosis in Engine Mechanical. Also refer to the DTC P0200 Injector Control Circuit .

    If a spark plug saturated with fuel or the cylinder is full of fuel, this is a good sign that the fuel injector is stuck open.

  11. Check for a fuel injector or engine mechanical problem that may have caused the spark plug to malfunction.

  12. No spark on one coil may be caused by an open secondary circuit. Therefore, you will need to check the coils secondary resistance. Resistance readings above 20,000 ohms, but not infinite, will probably not cause a no start but can cause an engine miss under certain conditions.

  13. The test light will blink if the no spark condition is caused by the following items:

  14. • Ignition coil electrical connections
    • Ignition coil harness
    • Ignition coil
    • Secondary boot assembly
  15. You can easily check the ignition coil harness by performing the previous step with the ignition coil harness connected to the ICM. Check for a voltage and a ground signal to the ignition coils at the ignition coil electrical connector.

  16. Thoroughly check any suspected circuitry the following conditions:

  17. • Backed out terminals
    • Improper mating
    • Broken locks
    • Improperly formed or damaged terminals
    • Poor terminal to wiring connections
    • Physical damage to the wiring harness
  18. Reprogram the replacement PCM and perform the crankshaft position system variation learn procedure. Refer to the latest Techline information for PCM programming and CKP System Variation Learn Procedure.

  19. Conditions for setting the DTC P0420 need to be run in order to determine if the catalyst has been damaged from the misfire.

DTC P0304-Cylinder 4 Misfire Detected

Step

Action

Value(s)

Yes

No

1

Did you perform the Powertrain On-Board Diagnostic (OBD) System Check?

--

Go to Step 2

Go to Powertrain On Board Diagnostic (OBD) System Check

2

  1. Turn ON the ignition switch leaving the engine OFF.
  2. Install a scan tool.

Was a DTC P0200 set?

--

Go to DTC P0200 Injector Control Circuit

Go to Step 3

3

  1. Turn OFF the ignition switch.
  2. Perform a visual/physical inspection. Refer to the Symptoms for the visual/physical inspection procedure.
  3. Make any necessary repairs.

Were any repairs necessary?

--

Go to Step 25

Go to Step 4

4

  1. Start the engine.
  2. Idle the engine.
  3. Observe the Misfire Current Counters with the scan tool.

Is the Misfire Current #1 counter incrementing?

--

Go to Step 5

Go to Step 6

5

  1. Turn OFF the ignition switch.
  2. Remove the air cleaner outlet resonator assembly. Refer to the Air Cleaner Outlet Resonator Replacement for the removal procedure.
  3. Disconnect all the fuel injector electrical connectors.
  4. Disconnect the ICM 11 pin electrical connector.
  5. Temporarily remove the ignition coil and the electronic Ignition Control Module (ICM) assembly.
  6. Reconnect the ICM 11 pin electrical connector.
  7. Install the J 36012-A spark plug jumper wires into the spark plug boot assemblies.
  8. Install the J 26792 spark plug tester on the spark plug jumper wire for cylinder #4.
  9. Remove the spark plug boot assembly from cylinder # 1 of the ignition coil housing.
  10. Install a jumper wire from the #1 spark plug connector of the ignition coil housing to ground.
  11. Connect a jumper wire to the ICM assembly to ground.
  12. Crank the engine with the remaining spark plugs wires still connected.

Does the spark tester spark?

--

Go to Step 7

Go to Step 10

6

  1. Turn OFF the engine leaving the ignition switch ON.
  2. Review the Freeze Frame data and record the parameters.
  3. Start the engine.
  4. Operate the vehicle within the Freeze Frame conditions and Conditions For Running the DTC as specified.
  5. Observe the Misfire Current Counters with the scan tool.

Is the Misfire Current #1 counter incrementing?

--

Go to Step 5

Go to Step 25

7

  1. Turn OFF the ignition switch.
  2. Remove the spark plug from cylinder #4.
  3. Exchange the spark plug with a spark plug from a known good cylinder.
  4. Reconnect all the fuel injector electrical connectors.
  5. Install the spark plug boot assembly to the #1 spark plug connection at the ignition coil housing.
  6. Reconnect the spark plug jumper wire to the spark plug boot assembly.
  7. Start the engine.
  8. Run the vehicle when the misfire was present.

Is the Misfire Current #4 counter incrementing?

--

Go to Step 8

Go to Step 9

8

  1. Check for a leaking fuel injector. Refer to DTC P0200 Injector Control Circuit starting at step 5.
  2. If the fuel injector is OK, check for a basic engine problem. Refer to Base Engine Misfire Diagnosis in Engine Mechanical.

Is the action complete?

--

Go to Step 25

--

9

  1. Turn OFF the ignition switch.
  2. Replace the spark plug. Refer to Spark Plug Replacement in Engine Electrical.

Is the action complete?

--

Go to Step 25

--

10

  1. Turn OFF the ignition switch.
  2. Remove the spark plug boot assemblies from the affected coil.
  3. Disconnect the ICM 11 pin electrical connector.
  4. Connect a DMM between the secondary ignition coil terminals at the ignition coil housing.

Is the resistance between the specified value?

4-8Kohms

Go to Step 11

Go to Step 12

11

  1. Remove the coil housing. Refer to the Ignition Coil Replacement for the coil housing removal procedure.
  2. Disconnect the coil harness electrical connector from the ICM.
  3. Reconnect the ICM 11 pin electrical connector.
  4. Connect a test light to B+.
  5. Probe the #1 and #4 coil control terminal C with the test light.
  6. Crank the engine while watching the test light.

Does the test light blink?

--

Go to Step 13

Go to Step 14

12

  1. Remove the #1-#4 ignition coil from the ignition coil housing. Refer to the Ignition Coil Replacement for the coil removal procedure.
  2. Recheck the resistance between the secondary terminals of the #1-#4 ignition coil.

Is the resistance between the specified value?

4-8Kohms

Go to Step 15

Go to Step 16

13

  1. Remove the ignition coils from the ignition coil housing.
  2. Disconnect the ignition coil electrical connector from the ignition coils.
  3. Reconnect the ignition coil electrical connector to the ICM.
  4. Connect a test light to ground.
  5. Important: Carefully handle the ignition coils electrical connectors to avoid spark arching from the electrical terminals and causing the fuse to open which would leading to misdiagnosis.

  6. Turn ON the ignition switch leaving the engine OFF.
  7. Probe the ignition feed circuit to the ignition coils at both of the ignition coil electrical connector terminals B with the test light.

Does the test light illuminate for both circuits?

--

Go to Step 19

Go to Step 20

14

  1. Turn OFF the ignition switch.
  2. Disconnect the ICM 11 pin electrical connector.
  3. Visually inspect the ICM 11 pin electrical connector to see if the electrical connections are clean and tight. Refer to the Symptoms for the visual/physical inspection procedure.
  4. Make any necessary repairs. Refer to Wiring Repairs in Wiring Systems.

Were any repairs necessary?

--

Go to Step 25

Go to Step 17

15

Check and replace the following item(s) as necessary:

    • Ignition coil spring for cylinders #1 and #4 coils
    • Ignition coil housing

Is the action complete?

--

Go to Step 25

--

16

Replace cylinders #1 and #4 ignition coil. Refer to the Ignition Coil Replacement .

Is the action complete?

--

Go to Step 25

--

17

  1. Reconnect the ICM 11 pin electrical connector.
  2. Disconnect the PCM electrical connector (C1).
  3. Reconnect the #4 spark plug boot assembly to the #4 spark plug connector at the ignition coil housing.
  4. Reconnect the spark plug jumper wire to the #4 spark plug boot assembly.
  5. Reconnect the J 26792 spark tester on the #4 spark plug wire.
  6. Connect a jumper wire to the #1 spark plug connector at the ignition coil housing to ground.
  7. Turn ON the ignition switch leaving the engine OFF.
  8. Connect a test light to B+.
  9. Notice: Do not leave the test lamp connected to the PCM IC circuit connector for longer than 5 seconds at a time. Failure to do so may damage the ignition coil and/or the Ignition Control Module.

  10. Momentarily touch the IC input circuit at the PCM electrical connector (C1-26). A spark should be present when the test light is removed from the IC input circuit.

Is there a spark present when you remove the test light from the IC input circuit?

--

Go to Step 23

Go to Step 18

18

  1. Turn OFF the ignition switch.
  2. Check for the following conditions in the ignition control input circuit.
  3. • Open circuit
    • Short to ground
    • Short to B+
    • Poor electrical connection at the ICM
  4. Repair the circuit as necessary. Refer to Wiring Repairs in Wiring Systems.

Were any repairs necessary?

--

Go to Step 25

Go to Step 22

19

  1. Check the #1-4 coil control circuit for the following conditions:
  2. • Poor electrical connection to the ICM and ignition coil
    • Open circuit
    • Short to ground
    • Short to voltage
  3. Repair the circuit as necessary. Refer to Wiring Repairs in Wiring Systems.

Was a repair necessary?

--

Go to Step 25

Go to Step 21

20

  1. Turn OFF the ignition switch.
  2. Repair the open in the ignition feed circuit between the #1-4 and #2-3 ignition coils electrical connectors. Refer to Wiring Repairs in Wiring Systems.

Is the action complete?

--

Go to Step 25

--

21

  1. Turn OFF the ignition switch.
  2. Check the ignition feed circuit for a poor electrical connection at the ignition #1 -#4 coil.
  3. If the electrical connection is OK, replace the spark plug boot assembly.

Is the action complete?

--

Go to Step 25

--

22

  1. Turn OFF the ignition switch.
  2. Replace the ICM. Refer to the Ignition Control Module Replacement .

Is the action complete?

--

Go to Step 25

--

23

  1. Turn OFF the ignition switch.
  2. Inspect the PCM electrical connector and connections.
  3. Repair the electrical connector and the connections as necessary. Refer to Wiring Repairs in Wiring Systems.

Were any repairs necessary?

--

Go to Step 25

Go to Step 24

24

Replace the PCM. Refer to the Powertrain Control Module Replacement .

Is the action complete?

--

Go to Step 25

--

25

  1. Reconnect all previously disconnected components (if not already reconnected).
  2. Connect all the fuel injector electrical connectors.
  3. Install the air cleaner outlet resonator assembly. Refer to the Air Cleaner Outlet Resonator Replacement for the installation procedure.
  4. Clear the DTCs with the scan tool.
  5. Start the engine.
  6. Idle the engine at the normal operating temperature.
  7. Operate the vehicle within the conditions for running this DTC and P0420 as specified in the supporting text.

Does the scan tool indicate that these diagnostics have ran and passed?

--

Go to Step 26

Go to Step 2

26

Check to see if any additional DTCs are set.

Does the scan tool display any DTCs that you have not diagnosed?

--

Go to applicable DTC table

System OK