GM Service Manual Online
For 1990-2009 cars only

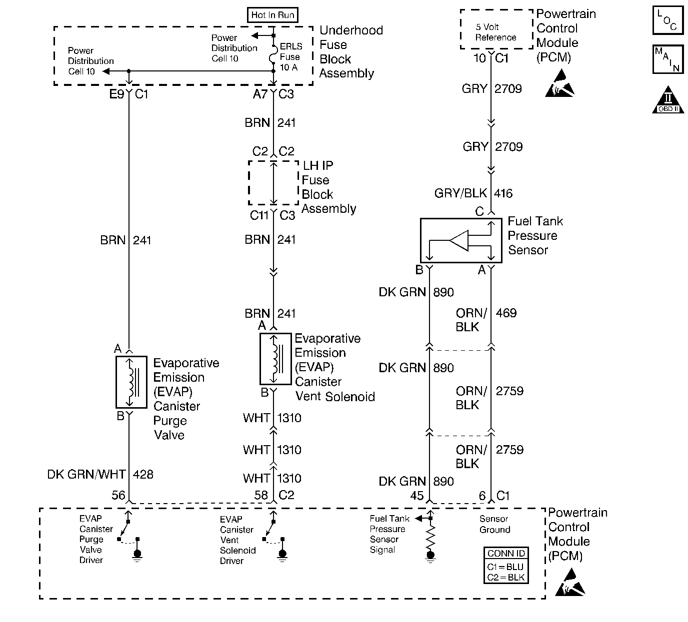
Object Number: 409539  Size: LF
Engine Controls Components
Cell 23: Engine Data Sensors
OBD II Symbol Description Notice
Powertrain Control Module Connector End Views
Handling ESD Sensitive Parts Notice
Handling ESD Sensitive Parts Notice

Circuit Description

The evaporative system (EVAP) includes the following components:

    • The fuel tank
    • The EVAP vent solenoid
    • The fuel tank pressure sensor
    • The fuel pipes and the hoses
    • The fuel vapor lines
    • The fuel cap
    • The EVAP canister
    • The purge lines
    • The EVAP canister purge solenoid valve
    • The EVAP service port

The EVAP system is checked by applying vacuum to the EVAP system and by monitoring for a vacuum decay. The Powertrain Control Module (PCM) monitors the vacuum level through the fuel tank pressure sensor signal. At an appropriate time, the EVAP canister purge solenoid valve and the EVAP vent solenoid are turned ON, allowing the engine to draw a small vacuum on the entire evaporative emission system. After the desired vacuum level has been achieved, the EVAP canister purge solenoid valve is turned OFF, sealing the system.

The EVAP canister purge solenoid valve controls the amount of engine vacuum applied to the EVAP canister. The PCM supplies a ground in order to purge ON, the solenoid valve. The EVAP canister purge solenoid valve control is pulse width modulated (PWM) from 8 to 16 cycles per second. The duty cycle, or pulse width, is determined by the engine operating conditions, including the following items:

    • The engine load
    • The throttle position
    • The engine coolant temperature
    • The ambient temperature

The system checks for conditions that cause the EVAP system to purge continuously by commanding the EVAP canister purge solenoid valve OFF. If the fuel tank vacuum level increases during the test, a continuous purge flow condition is indicated. This can be caused by the following conditions:

    • A leak in the EVAP canister purge solenoid valve.
    • The following lines may be switched at the EVAP canister purge solenoid valve:
       - The EVAP purge
       - The engine vacuum
    • The EVAP canister purge solenoid valve driver circuit is grounded.

If any of these conditions are present, DTC P1441 will set.

Conditions for Running the DTC

    • DTCs P0105, P0107, P0108, P0112, P0113, P0117, P0118, P0122, P0123, P0125, P0131, P0132, P0133, P0134, P0452, P0453, P0502, P0503, P0601, P0602, P1621 and P1133 are not set.
    • The BARO is greater than 75 kPa.
    • The intake air temperature is between 5°C and 29°C (41°F and 84°F) at engine start up.
    • The engine coolant temperature is between 5°C and 29°C (41°F and 84°F) at engine start up.
    • The Intake Air Temperature is not more than 1°C (2°F) greater than the Engine Coolant Temperature at start up.
    • The Engine Coolant Temperature is not more than 7°C (12°F) greater than the Intake Air Temperature at start up.
    • The fuel tank level is between 26 percent and 74 percent.
    • The TP sensor is between 7 percent and 35 percent.
    • The EVAP solenoid is at 40 percent PWM.

Conditions for Setting the DTC

The EVAP system is unable to detect vacuum during the diagnostic test.

Action Taken When the DTC Sets

    • The Malfunction Indicator Lamp (MIL) will illuminate.
    • The PCM will record the operating conditions at the time that the diagnostic fails. The Freeze Frame and Failure Records buffers will store this information.
    • A history DTC stores.

Conditions for Clearing the MIL/DTC

    • The MIL will turn OFF after 3 consecutive ignition cycles in which the diagnostic runs a pass.
    • A history DTC will clear after 40 consecutive warm up cycles without a malfunction.
    • A scan tool can clear the DTCs.

Diagnostic Aids

Although this DTC is considered a type A diagnostic (refer to Serial Data Communications ), this DTC acts like a type B diagnostic under certain conditions. Whenever this diagnostic reports that the system has passed, or if the battery is disconnected, the diagnostic must fail twice before setting a DTC. The initial failure does not report to the diagnostic executive or display on a scan tool. A passing system always reports to the diagnostic executive immediately.

Check for the following conditions:

    • Poor electrical connection at PCM. Inspect harness connectors for the following conditions:
       - Backed out terminals
       - Improper mating
       - Broken locks
       - Improperly formed connectors
       - Damaged terminals
       - Poor terminal to wire connection
    • A damaged harness. Inspect the wiring harness for damage. If the harness appears to be OK, connect the J 41413 EVAP pressure/purge Diagnostic Station to the EVAP service port, pressurize the EVAP system to 10 inches of H2O and observe the Fuel Tank Pressure display on the scan tool while moving the electrical connectors and the wiring harnesses related to the EVAP canister purge solenoid valve. A sudden change in the display will indicate the location of the malfunction.
    • An incorrect vacuum line routing. Verify that the source vacuum line routing to the EVAP canister purge solenoid valve is correct and that the EVAP purge and the source vacuum lines to the EVAP canister purge solenoid valve are not switched.
    • Loose Carbon in the purge solenoid. Blow out the lines and replace the purge canister. Refer to Evaporative Emission System Cleaning .

Test Description

The number(s) below refer(s) to the step number(s) on the Diagnostic Table.

  1. The Powertrain OBD System Check prompts you to complete some of the basic checks and to store the freeze frame and failure records data on the scan tool if applicable. This creates an electronic copy of the data captured when this DTC sets. The scan tool stores this data for later reference.

  2. If an EVAP canister purge solenoid valve electrical malfunction is present, the purge system will not operate correctly. Repairing the electrical malfunction will very likely correct the condition that set DTC P1441.

  3. This step checks the fuel tank pressure sensor at the ambient pressure.

  4. This step verifies that the fuel tank pressure sensor accurately reacts to EVAP system pressure changes.

  5. If the EVAP purge and engine vacuum lines are switched at the EVAP canister purge solenoid valve, the solenoid valve will leak vacuum.

  6. This step duplicates the Powertrain On-Board Diagnostic test.

DTC P1441-Evaporative Emission (EVAP) Control System Flow During Non-Purge

Step

Action

Value(s)

Yes

No

1

Did you perform the Powertrain On-Board Diagnostic (OBD) System Check?

--

Go to Step 2

Go to Powertrain On Board Diagnostic (OBD) System Check

2

  1. Turn ON the ignition switch leaving the engine OFF.
  2. Install a scan tool.
  3. Check the PCM and the BCM for DTCs with the scan tool.

Is DTC P0452, P0453 or P0461 also set?

--

Go to Component DTC table

Go to Step 3

3

  1. Command the EVAP canister purge valve ON and OFF with the scan tool.
  2. Command the vent solenoid ON and OFF with the scan tool.

Does the purge valve and vent solenoid click when command ON and OFF?

--

Go to Step 4

Go to Powertrain Control Module Outputs Diagnosis

4

  1. Turn OFF the ignition switch.
  2. Disconnect the vapor line from the fuel tank at the EVAP canister.
  3. Turn ON the ignition switch leaving the engine OFF.
  4. Check the Fuel Tank Pressure sensor value with the scan tool.

Is the Fuel Tank Pressure at the specified value?

0 mmHg

(-  2.4-2.4 mmHg)

(-1.28-1.28 in. H2O)

Go to Step 6

Go to Step 5

5

  1. Turn OFF the ignition switch.
  2. Check the EVAP vapor line from the fuel tank to EVAP canister for the following conditions:
  3. • Pinched vapor line
    • Kinked vapor line
    • Plugged vapor line
  4. Repair the conditions as necessary.

Was a repair necessary?

--

Go to Step 12

Go to DTC P0452 Fuel Tank Pressure Sensor Circuit Low Voltage

DTC P0453 Fuel Tank Pressure Sensor Circuit High Voltage

6

Important:: Before continuing with the diagnosis, zero the EVAP Pressure and Vacuum gauges on the J 41413 EVAP pressure/purge Diagnostic Station. Also read the temperature variation (refer to tool operating instructions).

  1. Turn OFF the ignition switch.
  2. Reconnect all the EVAP hardware that was previously disconnected.
  3. Connect the J 41413 EVAP pressure/purge Diagnostic Station to the EVAP service port.
  4. Turn ON the ignition switch leaving the engine OFF.
  5. Command the EVAP vent solenoid ON (closed) with the scan tool.
  6. Important: Do not exceed the pressure given in the specified value.

  7. Attempt to pressurize the EVAP system to the specified value using the J 41413 EVAP pressure/purge Diagnostic Station (monitor the pressure using the gauges on the station with the switch in the HOLD position).

Can the specified value be achieved?

1.24 kPa

(5 in H2O)

Go to Step 7

Go to Step 8

7

  1. Maintain Fuel Tank Pressure at the specified value.
  2. Observe the Fuel Tank Pressure value on the scan tool.

Is the Fuel Tank Pressure at the specified value?

12 mmHg

(-7.2-16.8 mmH g)

(3.85-8.99 in. H2O)

Go to Step 8

Go to DTC P0452 Fuel Tank Pressure Sensor Circuit Low Voltage

DTC P0453 Fuel Tank Pressure Sensor Circuit High Voltage

8

  1. Remove the engine vacuum source line from the EVAP canister purge solenoid valve.
  2. Connect a vacuum hand pump to the engine vacuum side of the EVAP canister purge solenoid valve.
  3. Apply the specified vacuum to the purge solenoid valve.

Does the EVAP canister purge solenoid valve maintain vacuum at the specified value?

50.79 kPa

(15 in. Hg)

Go to Step 9

Go to Step 10

9

  1. Turn OFF the ignition switch.
  2. Check the following at the EVAP canister purge solenoid valve.
  3. • EVAP purge and source vacuum line routing
    • Vacuum line connections

Are the EVAP purge and source vacuum lines connected correctly at the EVAP canister purge solenoid valve?

--

Go to Diagnostic Aids

Go to Step 11

10

  1. Turn OFF the ignition switch.
  2. Notice: The EVAP canister may have released carbon particles which caused this part to fail and may cause damage to other components. Check the EVAP canister for loose carbon before returning the vehicle to service.

  3. Replace the EVAP canister purge valve. Refer to the Evaporative Emission Canister Purge Solenoid Valve Replacement .
  4. If carbon particles are found in the component refer to the Evaporative Emission System Cleaning .

Is the action complete?

--

Go to Step 12

--

11

Correct the EVAP purge and source vacuum line routing and connections.

Is the action complete?

--

Go to Step 12

--

12

  1. Disconnect the vapor line from the fuel tank at the EVAP canister.
  2. Start the engine.
  3. Use the scan tools EVAP SEAL SYSTEM function to seal the EVAP system.
  4. Connect the vapor line from the fuel tank to the EVAP canister.
  5. Run the engine at the specified RPM while monitoring the Fuel Tank Pressure value on the scan tool.

Does the Fuel Tank Pressure remain at or above the specified value while the EVAP SEAL SYSTEM is ON?

2,500 RPM

0 mmHg

(0 in. H2O)

Go to Step 13

Go to Step 2

13

  1. Clear the DTCs with the scan tool.
  2. Start the engine.
  3. Idle the engine at the normal operating temperature.
  4. Operate the vehicle within the conditions for running this DTC as specified in the supporting text.

Does the scan tool indicate that the diagnostic ran and passed?

--

Go to Step 14

Go to Step 2

14

Check to see if any additional DTC are set.

Does the scan tool display any DTCs that you have not diagnosed?

--

Go to applicable DTC table

System OK