GM Service Manual Online
For 1990-2009 cars only

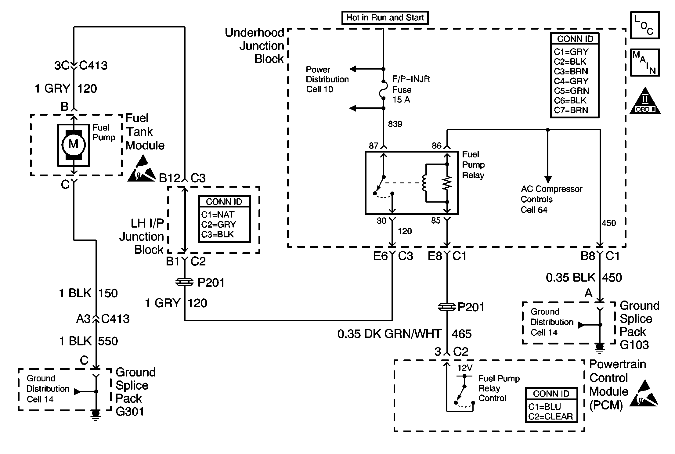
Object Number: 568181  Size: MF
Engine Controls Components
Engine Controls Schematics
OBD II Symbol Description Notice
Handling ESD Sensitive Parts Notice
Handling ESD Sensitive Parts Notice

Circuit Description

When the ignition is first turned ON, the Powertrain Control Module (PCM) energizes the fuel pump relay which applies power to the in-tank fuel pump. The fuel pump relay will remain ON as long as the engine is running or cranking and the PCM is receiving reference pulses. If no reference pulses are present, the PCM de-energizes the fuel pump relay within 2 seconds after the ignition is turned ON or the engine is stopped.

The fuel pump delivers fuel to the fuel rail and injectors, then to the fuel pressure regulator. The fuel pressure regulator controls fuel pressure by allowing excess fuel to be returned to the fuel tank.

Diagnostic Aids

Inspect for the following:

Many situations may lead to an intermittent condition. Perform each inspection or test as directed.

Important: :  Remove any debris from the connector surfaces before servicing a component. Inspect the connector gaskets when diagnosing or replacing a component. Ensure that the gaskets are installed correctly. The gaskets prevent contaminate intrusion.

    • Loose terminal connection
       -  Use a corresponding mating terminal to test for proper tension. Refer to Testing for Intermittent Conditions and Poor Connections , and to Connector Repairs in Wiring Systems for diagnosis and repair.
       -  Inspect the harness connectors for backed out terminals, improper mating, broken locks, improperly formed or damaged terminals, and faulty terminal to wire connection. Refer to Testing for Intermittent Conditions and Poor Connections , and to Connector Repairs in Wiring Systems for diagnosis and repair.
    • Damaged harness--Inspect the wiring harness for damage. If the harness inspection does not reveal a problem, observe the display on the scan tool while moving connectors and wiring harnesses related to the sensor. A change in the scan tool display may indicate the location of the fault. Refer to Wiring Repairs in Wiring Systems for diagnosis and repair.
    •  Inspect the powertrain control module (PCM) and the engine grounds for clean and secure connections. Refer to Wiring Repairs in Wiring Systems for diagnosis and repair.

If the condition is determined to be intermittent, reviewing the Snapshot or Freeze Frame/Failure Records may be useful in determining when the DTC or condition was identified.

Test Description

The numbers below refer to the step numbers on the diagnostic table.

  1. Command both the ON and OFF states. Repeat the commands as necessary.

  2. This step determines if the condition is located on the coil side or the switch side of the circuit.

  3. This step verifies that the PCM is providing voltage to the fuel pump relay.

  4. This step tests for an open in the fuel pump relay ground circuit.

  5. This step determines if a voltage is constantly being applied to the fuel pump relay.

  6. This tests for a grounded circuit between the in-line connector and the fuel pump fuse.

  7. This step jumps the fuel pump relay in order to activate the fuel pump.

  8. This step tests for an open in the fuel pump feed circuit between the in-line connector and the fuel pump relay.

  9. This step tests for an open or high resistance in the fuel pump ground circuit.

  10. This step determines if the condition with the circuit is intermittent. If the fuse does not open, inspect the supply voltage circuit between the fuse and the fuel pump for an intermittent condition.

Step

Action

values

Yes

No

1

Did you Perform the Powertrain On-Board Diagnostic (OBD) System Check?

--

Go to Step 2

Go to Powertrain On Board Diagnostic (OBD) System Check

2

  1. Install a scan tool.
  2. Turn ON the ignition, with the Engine OFF.
  3. With a scan tool, command the fuel pump relay ON and OFF.

Does the fuel pump turn ON and OFF?

--

Go to Intermittent Conditions

Go to Step 3

3

With a scan tool, command the fuel pump relay ON and OFF.

Do you hear a click when you command the fuel pump relay ON and OFF?

--

Go to Step 9

Go to Step 4

4

  1. Turn OFF the ignition.
  2. Disconnect the fuel pump relay.
  3. Turn ON the ignition, with the engine OFF.
  4. Probe the control circuit of the fuel pump relay with a test lamp that is connected to a good ground.
  5. With a scan tool, command the fuel pump ON and OFF.

Does the test lamp turn ON and OFF?

--

Go to Step 5

Go to Step 6

5

  1. Connect the test lamp between the control circuit of the fuel pump relay and the ground circuit of the fuel pump relay.
  2. With a scan tool, command the fuel pump ON and OFF.

Does the test lamp turn ON and OFF?

--

Go to Step 21

Go to Step 24

6

Does the test lamp remain illuminated with each command?

--

Go to Step 7

Go to Step 8

7

  1. Disconnect the PCM. Refer to Powertrain Control Module Replacement/Programming .
  2. Test the control circuit of the fuel pump relay for a short to voltage. Refer to Circuit Testing and Wiring Repairs In Wiring Systems.

Did you find and correct the condition?

--

Go to Step 29

Go to Step 28

8

  1. Disconnect the PCM. Refer to Powertrain Control Module Replacement/Programming .
  2. Test the control circuit of the fuel pump relay for a short to ground or an open. Refer to Circuit Testing and Wiring Repairs In Wiring Systems.

Did you find and correct the condition?

--

Go to Step 29

Go to Step 22

9

Turn ON the ignition, with the engine OFF.

Does the fuel pump operate continuously?

--

Go to Step 10

Go to Step 11

10

  1. Turn OFF the ignition.
  2. Disconnect the fuel pump relay.
  3. Turn ON the engine, with the engine OFF.

Does the fuel pump operate continuously?

--

Go to Step 23

Go to Step 27

11

Is the fuel pump fuse open?

--

Go to Step 12

Go to Step 14

12

  1. Disconnect the fuel pump harness in-line connector located near the fuel tank.
  2. Test the supply voltage circuit of the fuel pump for a grounded circuit between the fuel pump fuse and the in-line connector. Refer to Circuit Testing and Wiring Repairs In Wiring Systems.
  3. Replace the fuel pump fuse if necessary.

Did you find and correct the condition?

--

Go to Step 29

Go to Step 13

13

  1. Lower the fuel tank if necessary. Refer to Fuel Tank Replacement .
  2. Test or Inspect the fuel tank electrical harness for the following:
  3. • Damage to the harness.
    • A grounded circuit. Refer to Circuit Testing and Wiring Repairs In Wiring Systems.
  4. Replace the fuel pump fuse if necessary.

Did you find and correct the condition?

--

Go to Step 29

Go to Step 20

14

  1. Turn OFF the ignition.
  2. Disconnect the fuel pump relay.
  3. Turn ON the ignition, with the engine OFF.
  4. Probe the switch voltage circuit of the fuel pump relay with a test lamp connected to a good ground.

Does the test lamp illuminate?

--

Go to Step 15

Go to Step 25

15

Connect a 10 amp fused jumper wire between the switch voltage circuit and the fuel pump supply circuit in the fuel pump cavity.

Does the fuel pump operate?

--

Go to Step 21

Go to Step 16

16

  1. Disconnect the fuel pump harness in-line connector located near the fuel tank.
  2. Test the supply voltage circuit of the fuel pump for an open or high resistance between the fuel pump relay and the in-line connector. Refer to Circuit Testing and Wiring Repairs In Wiring Systems.

Did you find and correct the condition?

--

Go to Step 29

Go to Step 17

17

Important: Visually and physically inspect the ground circuit for being tight, corrosion on the terminals, or damage to the wiring harness.

Test the ground circuit of the fuel pump for an open or high resistance between the body pass through connector and the ground. Refer to Circuit Testing and Wiring Repairs In Wiring Systems.

Did you find and correct the condition?

--

Go to Step 29

Go to Step 18

18

Inspect for poor connections at the fuel pump in-line connector to the body pass through connector. Refer to Testing for Intermittent Conditions and Poor Connections and Connector Repairs In Wiring Systems.

Did you find and correct the condition?

--

Go to Step 29

Go to Step 19

19

  1. Lower the fuel tank. Refer to Fuel Tank Replacement .
  2. Test or inspect the fuel tank electrical harness for the following:
  3. • Damage to the harness.
    • An open circuit. Refer to Testing for Intermittent Conditions and Poor Connections and Wiring Repairs In Wiring Systems.

Did you find and correct the condition?

--

Go to Step 29

Go to Step 26

20

  1. Connect all disconnected components.
  2. Install a new fuel pump fuse.
  3. With a scan tool, command the fuel pump ON.

Is the fuel pump fuse open?

--

Go to Step 29

Go to Intermittent Conditions

21

Inspect for poor connections at the fuel pump relay. Refer to Testing for Intermittent Conditions and Poor Connections and Connector Repairs in Wiring Systems.

Did you find and correct the condition?

--

Go to Step 29

Go to Step 27

22

Inspect for poor connections at the harness of the PCM. Refer to Testing for Intermittent Conditions and Poor Connections and Connector Repairs in Wiring Systems.

Did you find and correct the condition?

--

Go to Step 29

Go to Step 28

23

Repair the supply voltage circuit of the fuel pump for a short to voltage. Refer to Wiring Repairs in Wiring Systems.

Did you complete the repair?

--

Go to Step 29

--

24

Repair the fuel pump relay ground circuit for an open ground. Refer to Wiring Repairs in Wiring Systems.

Did you complete the repair?

--

Go to Step 29

--

25

Repair the switch voltage circuit of the fuel pump relay for an open. Refer to Wiring Repairs in Wiring Systems.

Did you complete the repair?

--

Go to Step 29

--

26

Important: Inspect for poor connections at the fuel pump, with in the fuel tank, before replacing the fuel pump.

  1. Replace the fuel pump. Refer to Fuel Sender Assembly Replacement .
  2. Replace the fuel pump fuse if necessary.

Did you complete the replacement?

--

Go to Step 29

--

27

Replace the fuel pump relay. Refer to Fuel Pump Relay Replacement .

Did you complete the replacement?

--

Go to Step 29

--

28

Important: The replacement PCM must be programmed

Replace the PCM. Refer to Powertrain Control Module Replacement/Programming

Did you complete the replacement?

--

Go to Step 29

--

29

Operate the system in order to verify the repair.

Did you correct the condition?

--

System OK

Go to Step 2