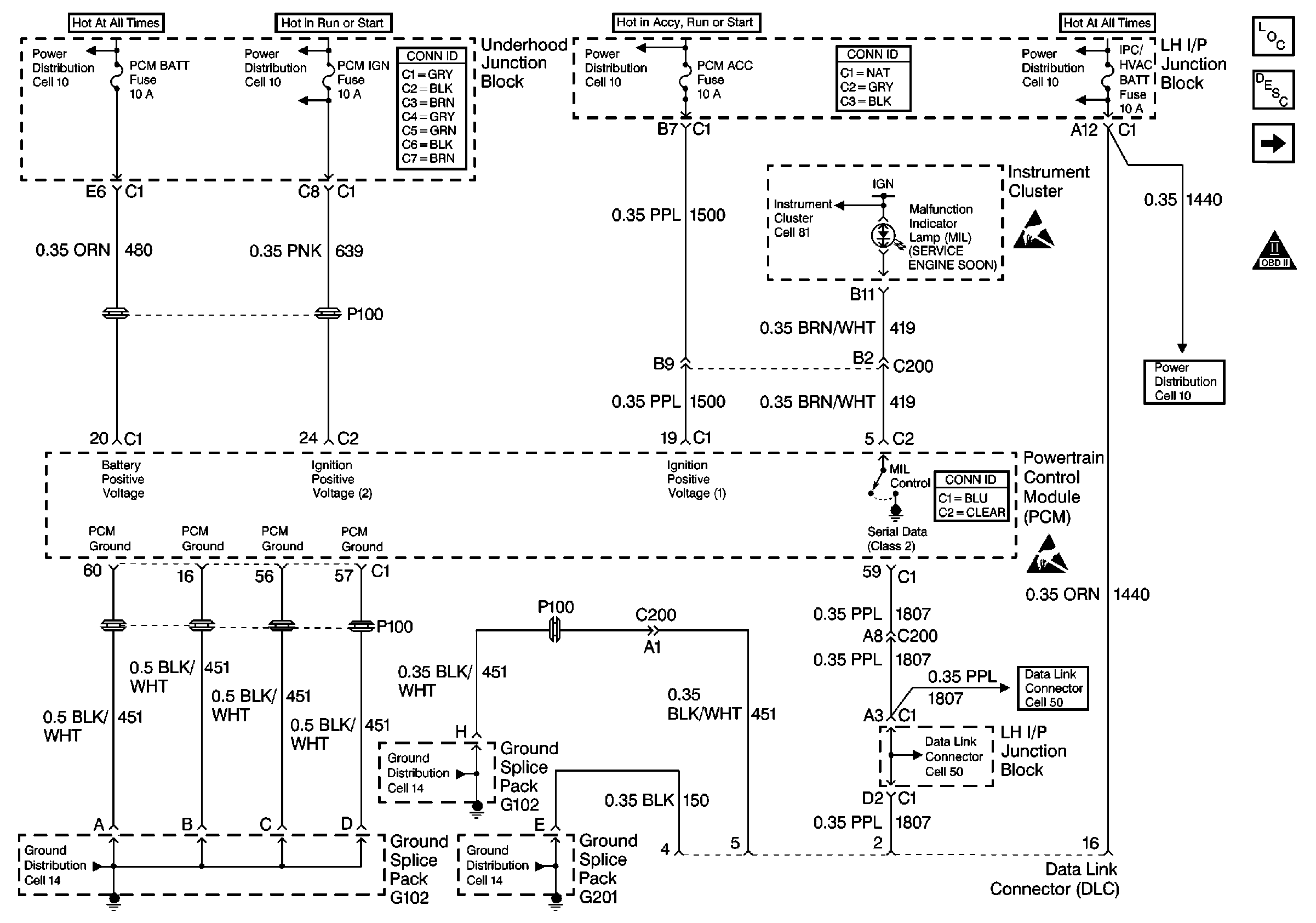
GM Service Manual Online
For 1990-2009 cars only
Figure 1:

Power, Ground, MIL, and DLC


Object Number: 537818  Size: FS
Engine Controls Components
Powertrain Control Module Description
Power, Ground and Fuel Systems
OBD II Symbol Description Notice
Handling ESD Sensitive Parts Notice
Handling ESD Sensitive Parts Notice
Power Distribution Schematics
Power Distribution Schematics
Power Distribution Schematics
Power Distribution Schematics
Power Distribution Schematics
Instrument Cluster: Analog Schematics
Ground Distribution Schematics
Ground Distribution Schematics
Data Link Connector Schematics
Data Link Connector Schematics
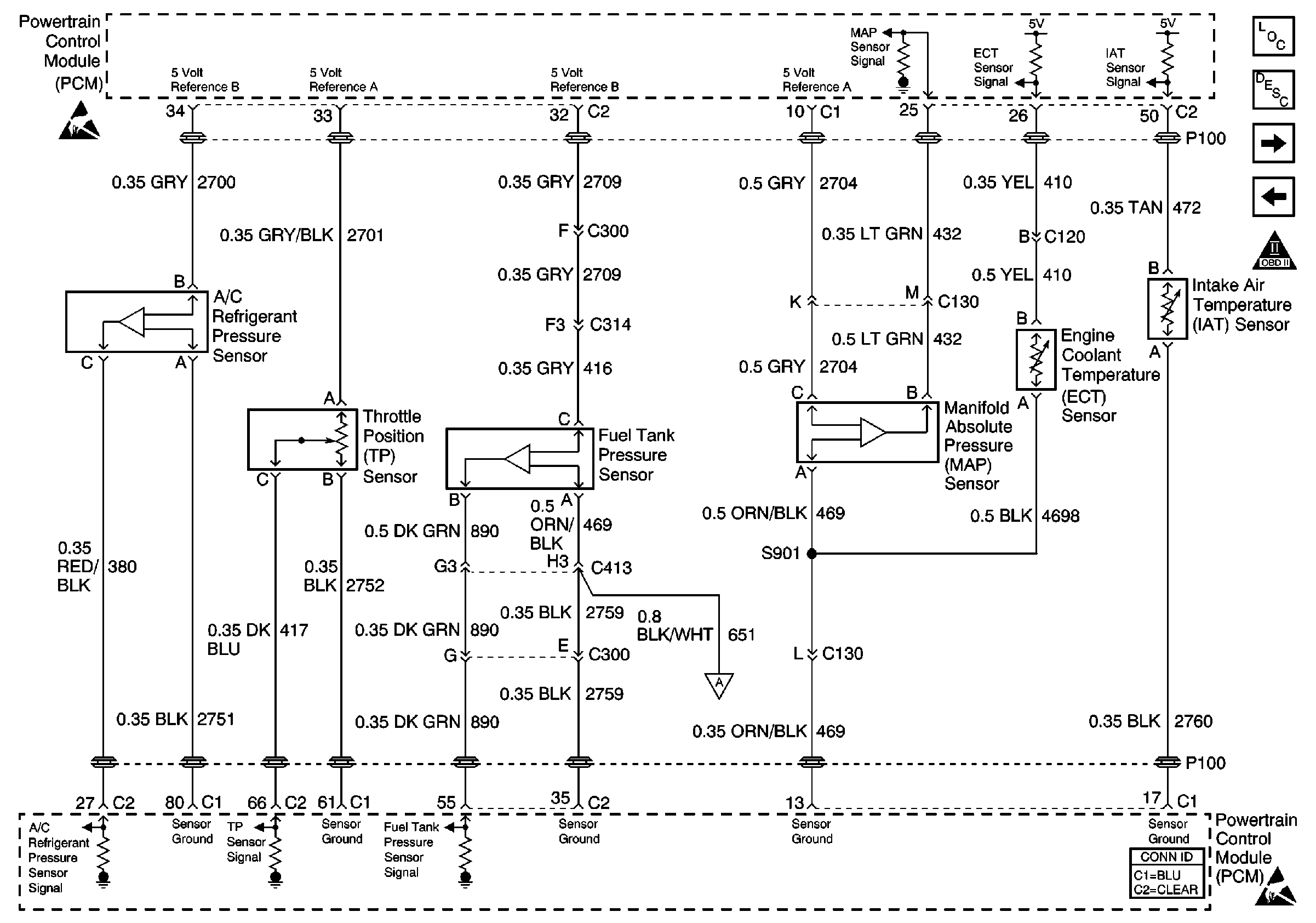
Figure 2:

Power, Ground and Fuel Systems


Object Number: 537821  Size: FS
Engine Controls Components
Information Sensors/Switches Description
Power, Ground, MAF, EVAP and EGR
Power, Ground, MIL, and DLC
OBD II Symbol Description Notice
Handling ESD Sensitive Parts Notice
Power Distribution Schematics
Engine Data Sensors
Ground Distribution Schematics
Ground Distribution Schematics
HVAC Compressor Control Schematics
Figure 3:

Power, Ground, MAF, EVAP and EGR


Object Number: 364380  Size: FS
Engine Controls Components
Powertrain Control Module Description
Power, Ground, HO2S 1, and HO2S 2
Power, Ground and Fuel Systems
OBD II Symbol Description Notice
Handling ESD Sensitive Parts Notice
Power Distribution Schematics
Power Distribution Schematics
Power Distribution Schematics
Ground Distribution Schematics
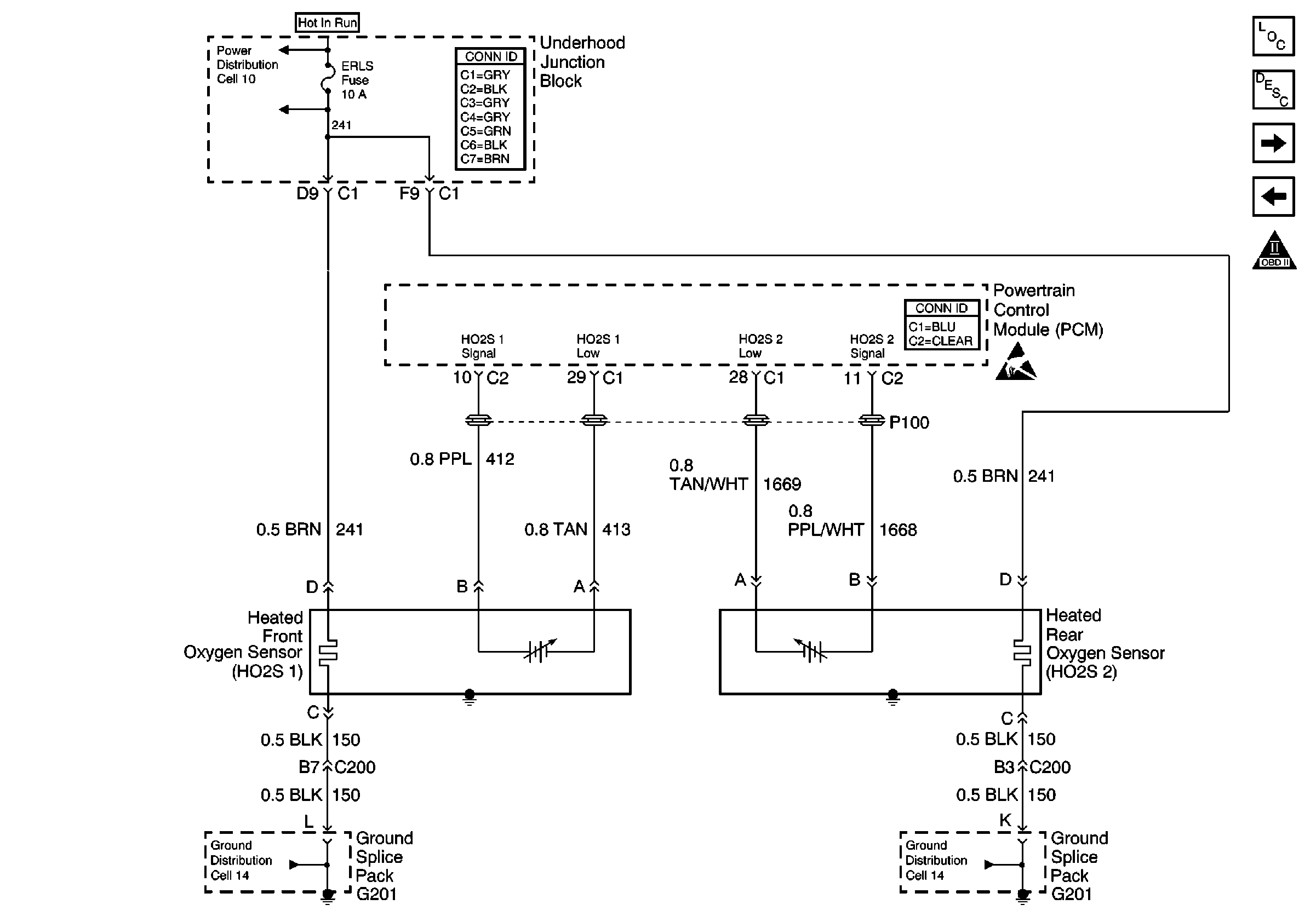
Figure 4:

Power, Ground, HO2S 1, and HO2S 2


Object Number: 537824  Size: FS
Engine Controls Components
Powertrain Control Module Description
Power and Injectors
Power, Ground, MAF, EVAP and EGR
OBD II Symbol Description Notice
Handling ESD Sensitive Parts Notice
Power Distribution Schematics
Ground Distribution Schematics
Ground Distribution Schematics
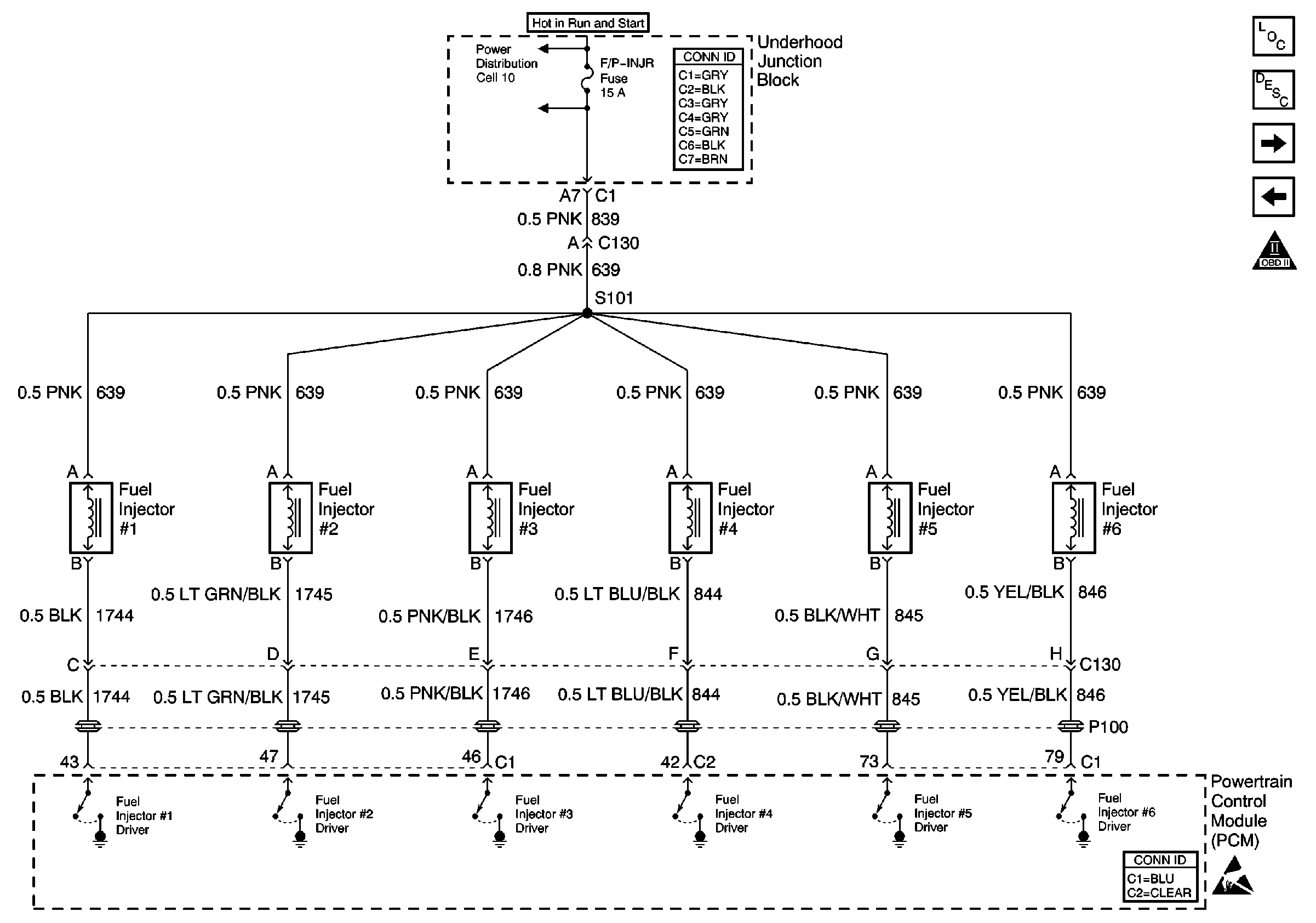
Figure 5:

Power and Injectors


Object Number: 537825  Size: FS
Engine Controls Components
Fuel Supply Component Description
Cruise Control and VSS
Power, Ground, HO2S 1, and HO2S 2
OBD II Symbol Description Notice
Handling ESD Sensitive Parts Notice
Power Distribution Schematics
Figure 6:

Cruise Control and VSS


Object Number: 364408  Size: FS
Engine Controls Components
Powertrain Control Module Description
Power, Ground, CMP, CKP, KS and ICM
Power and Injectors
OBD II Symbol Description Notice
Handling ESD Sensitive Parts Notice
Handling ESD Sensitive Parts Notice
Handling ESD Sensitive Parts Notice
Figure 7:

Power, Ground, CMP, CKP, KS and ICM


Object Number: 537827  Size: FS
Engine Controls Components
Information Sensors/Switches Description
Oil Indicators, PNP and IAC
Cruise Control and VSS
OBD II Symbol Description Notice
Handling ESD Sensitive Parts Notice
Power Distribution Schematics
Ground Distribution Schematics
Figure 8:

Oil Indicators, PNP and IAC


Object Number: 364397  Size: FS
Engine Controls Components
Information Sensors/Switches Description
Engine Data Sensors
Power, Ground, CMP, CKP, KS and ICM
OBD II Symbol Description Notice
Handling ESD Sensitive Parts Notice
Ground Distribution Schematics
Figure 9:

Engine Data Sensors


Object Number: 537828  Size: FS
Engine Controls Components
Information Sensors/Switches Description
Power, Ground, AIR and A/C Compressor Clutch
Oil Indicators, PNP and IAC
OBD II Symbol Description Notice
Handling ESD Sensitive Parts Notice
Handling ESD Sensitive Parts Notice
Power, Ground and Fuel Systems
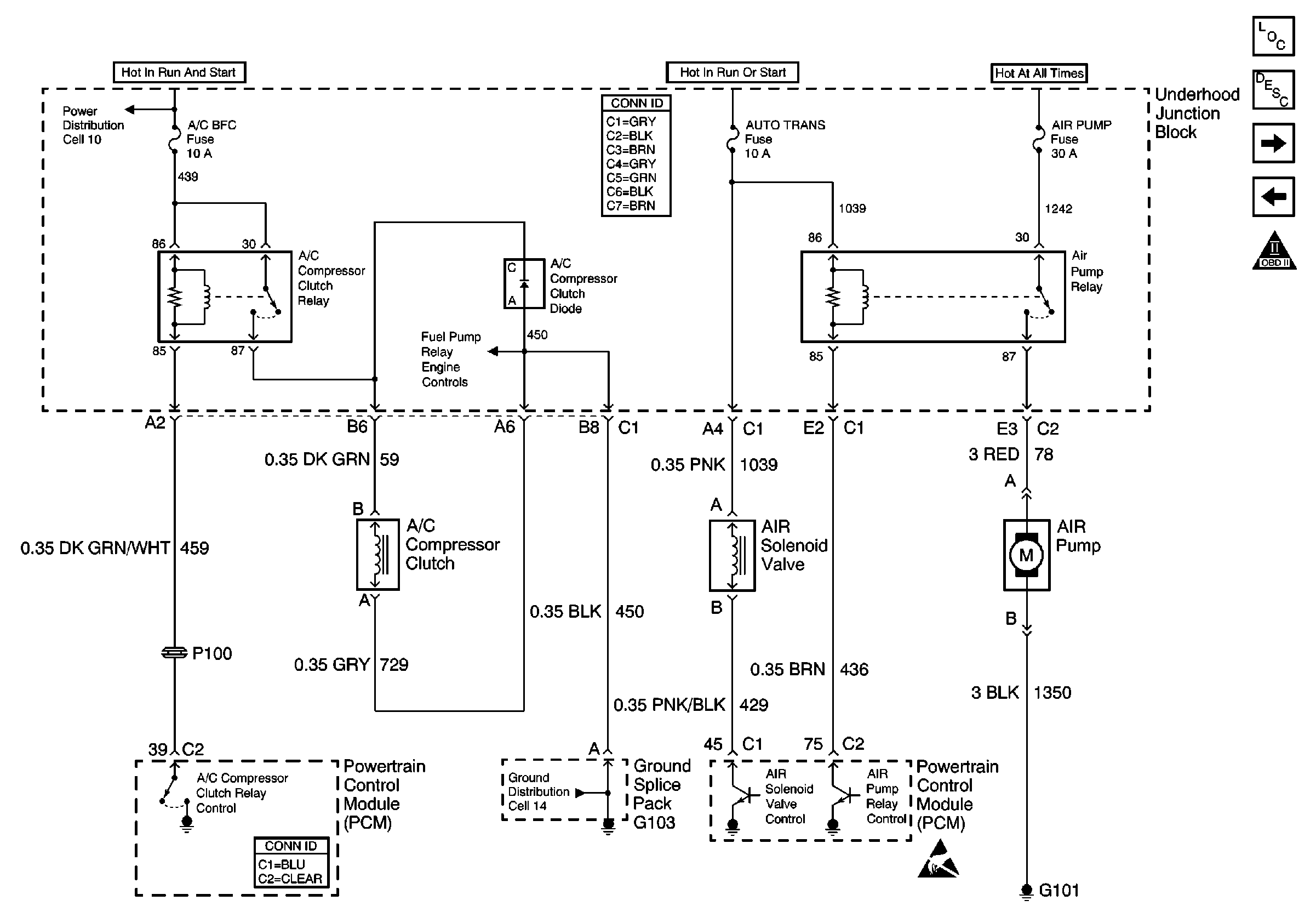
Figure 10:

Power, Ground, AIR and A/C Compressor Clutch


Object Number: 537829  Size: FS
Engine Controls Components
Powertrain Control Module Description
Automatic Transmission
Engine Data Sensors
OBD II Symbol Description Notice
Handling ESD Sensitive Parts Notice
Power Distribution Schematics
Ground Distribution Schematics
Figure 11:

Automatic Transmission


Object Number: 364421  Size: FS
Engine Controls Components
Information Sensors/Switches Description
Power, Ground, Auto Trans, and Cruise
Power, Ground, AIR and A/C Compressor Clutch
OBD II Symbol Description Notice
Handling ESD Sensitive Parts Notice
Handling ESD Sensitive Parts Notice
Figure 12:

Power, Ground, Auto Trans, and Cruise


Object Number: 364347  Size: FS
Engine Controls Components
Information Sensors/Switches Description
Cooling Fans
Automatic Transmission
OBD II Symbol Description Notice
Handling ESD Sensitive Parts Notice
Power Distribution Schematics
Power Distribution Schematics
Figure 13:

Cooling Fans


Object Number: 537831  Size: FS
Engine Controls Components
Information Sensors/Switches Description
Power, Ground, Auto Trans, and Cruise
OBD II Symbol Description Notice
Power Distribution Schematics
Power Distribution Schematics
Ground Distribution Schematics
Ground Distribution Schematics