GM Service Manual Online
For 1990-2009 cars only
Makes
🢒
Chevrolet
🢒
2000
🢒
Malibu
🢒
HVAC
🢒
HVAC Systems - Manual
🢒 HVAC Compressor Control Schematics
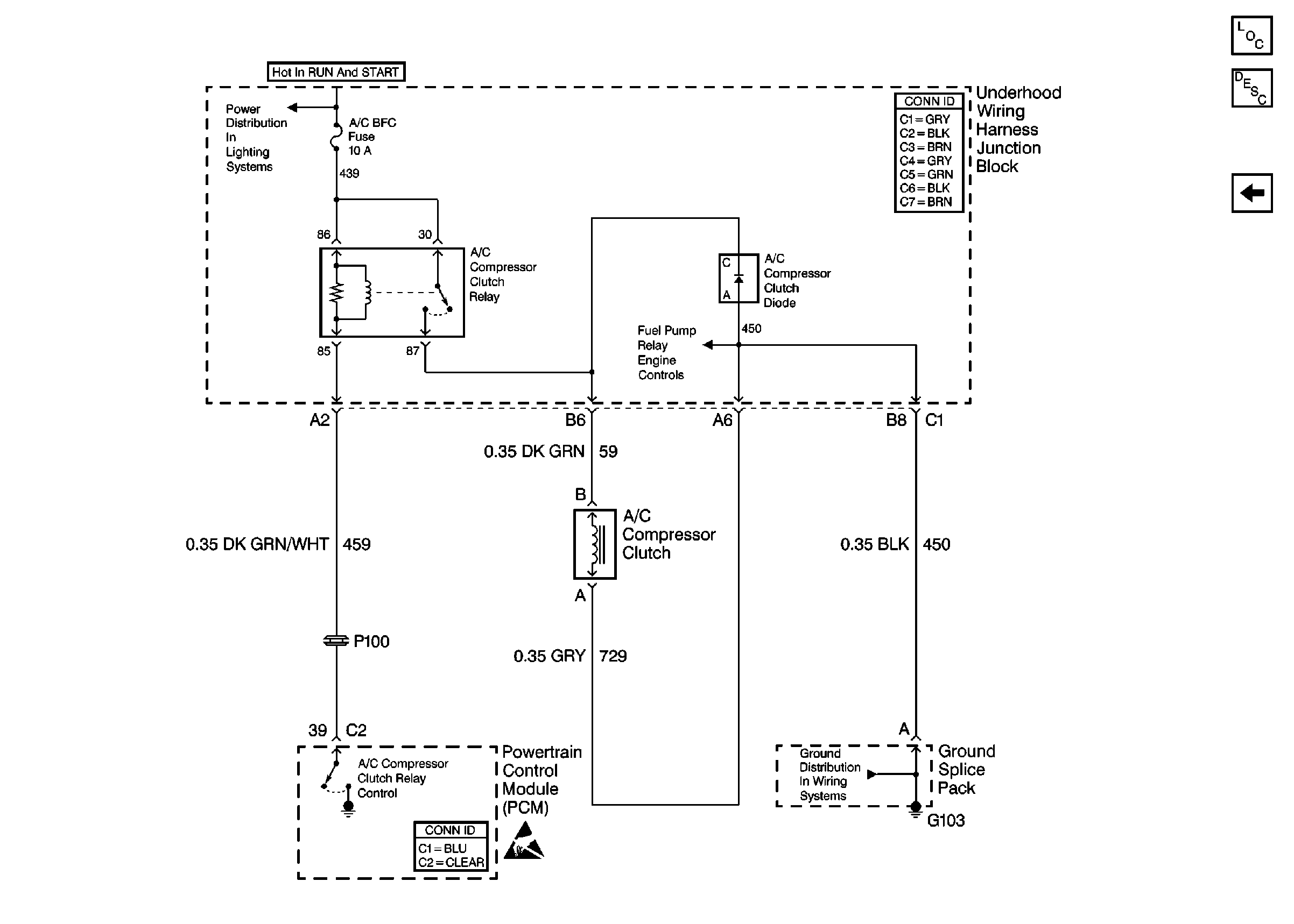
Figure
1:
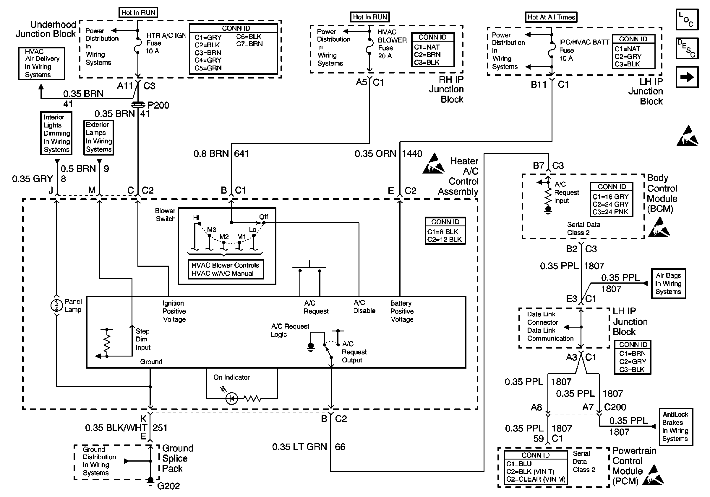
Heater A/C Control Assembly
HVAC Components
HVAC Compressor Controls Circuit Description
A/C Compressor Clutch
Handling ESD Sensitive Parts Notice
Handling ESD Sensitive Parts Notice
Handling ESD Sensitive Parts Notice
Ground Distribution Schematics
Tail/Stop Lamps
Interior Lights Dimming Schematics
Air Temperature Control
Figure
2:
A/C Compressor Clutch
HVAC Components
HVAC Compressor Controls Circuit Description
Heater A/C Control Assembly
Ground Distribution Schematics
Handling ESD Sensitive Parts Notice