GM Service Manual Online
For 1990-2009 cars only
Makes
🢒
Chevrolet
🢒
2000
🢒
Malibu
🢒 Air Temperature Control
Air Temperature Control
Air Temperature Control
HVAC Components
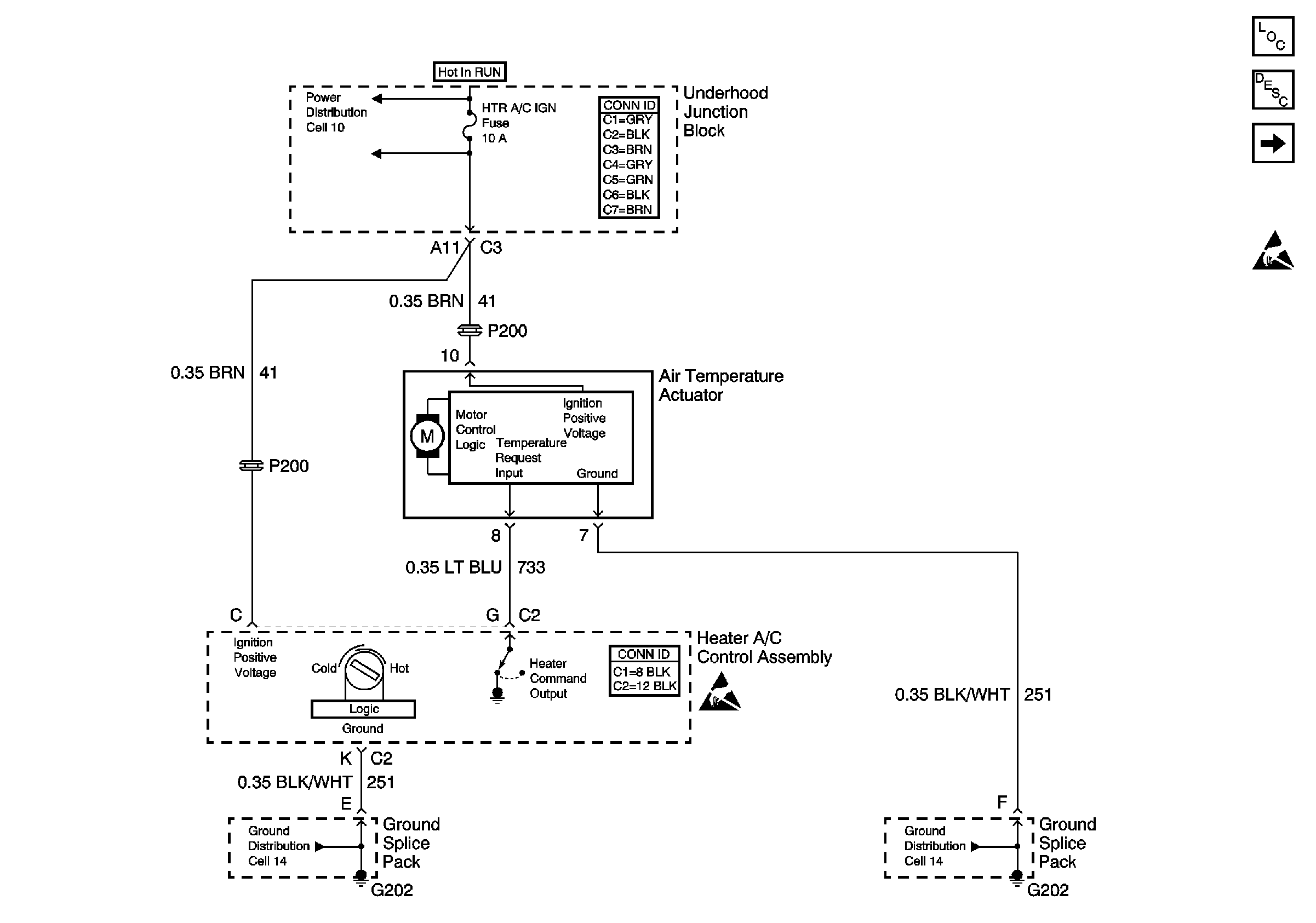
HVAC Air Delivery/Temperature Control Circuit Description
Ground Distribution Schematics
Ground Distribution Schematics
Handling ESD Sensitive Parts Notice
HVAC Vacuum Schematics