GM Service Manual Online
For 1990-2009 cars only
Makes
🢒
Chevrolet
🢒
2001
🢒
Malibu
🢒
Body and Accessories
🢒
Doors
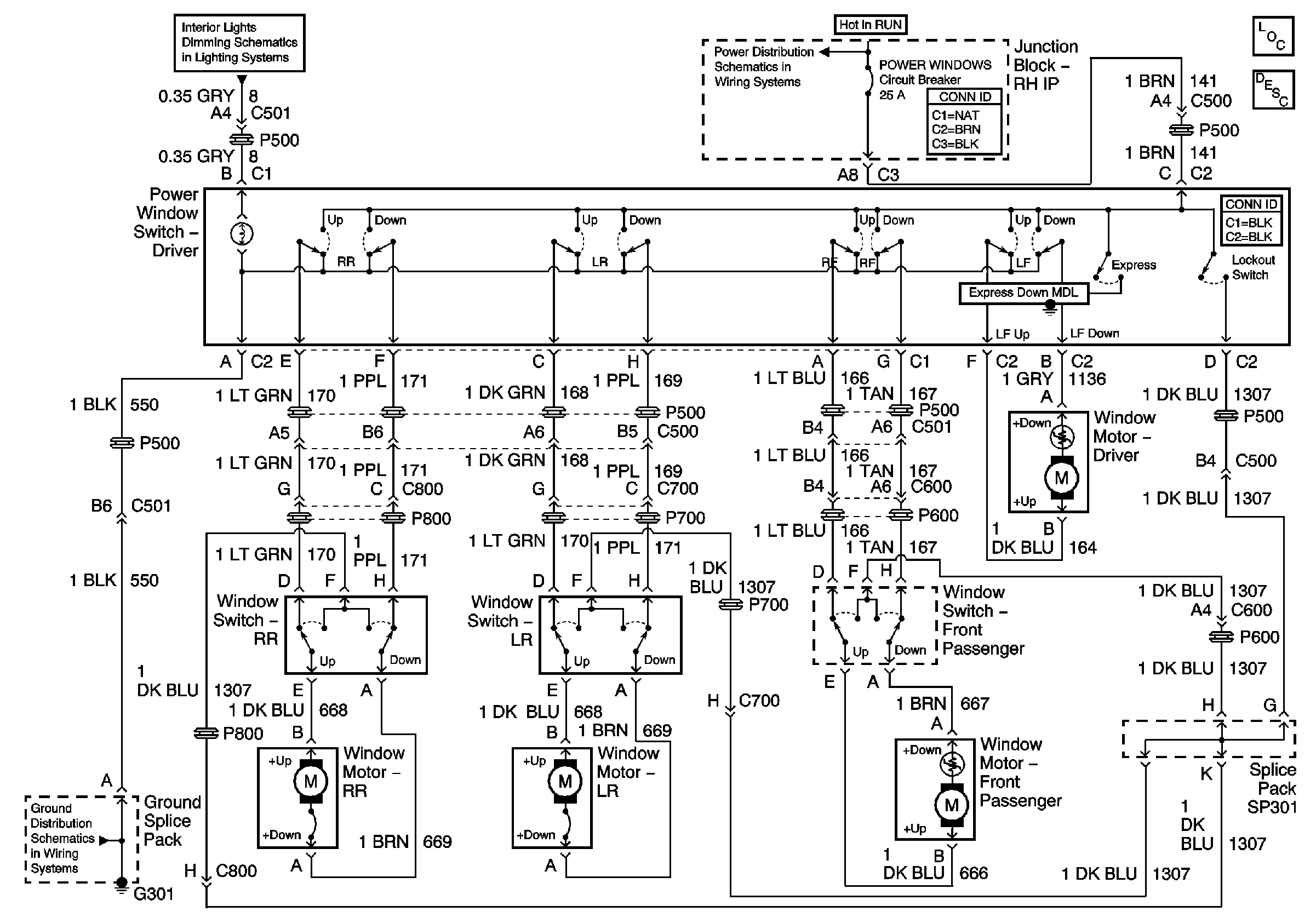
🢒 Power Window Schematics
Master Electrical Component List
Power Windows Description and Operation
PWR WINDOWS, CRUISE SW, CRUISE, SUNROOF and HVAC BLOWER Fuses
Door Dimming
G301
Door Dimming
G301