GM Service Manual Online
For 1990-2009 cars only
Makes
🢒
Chevrolet
🢒
2001
🢒
Malibu
🢒
Body and Accessories
🢒
Wiring Systems
🢒 Door Lock/Indicator Schematics
Figure
1:
Switches
Master Electrical Component List
Power Door Locks Description and Operation
Actuators
Panel Dimming
G302
G301
Power Windows
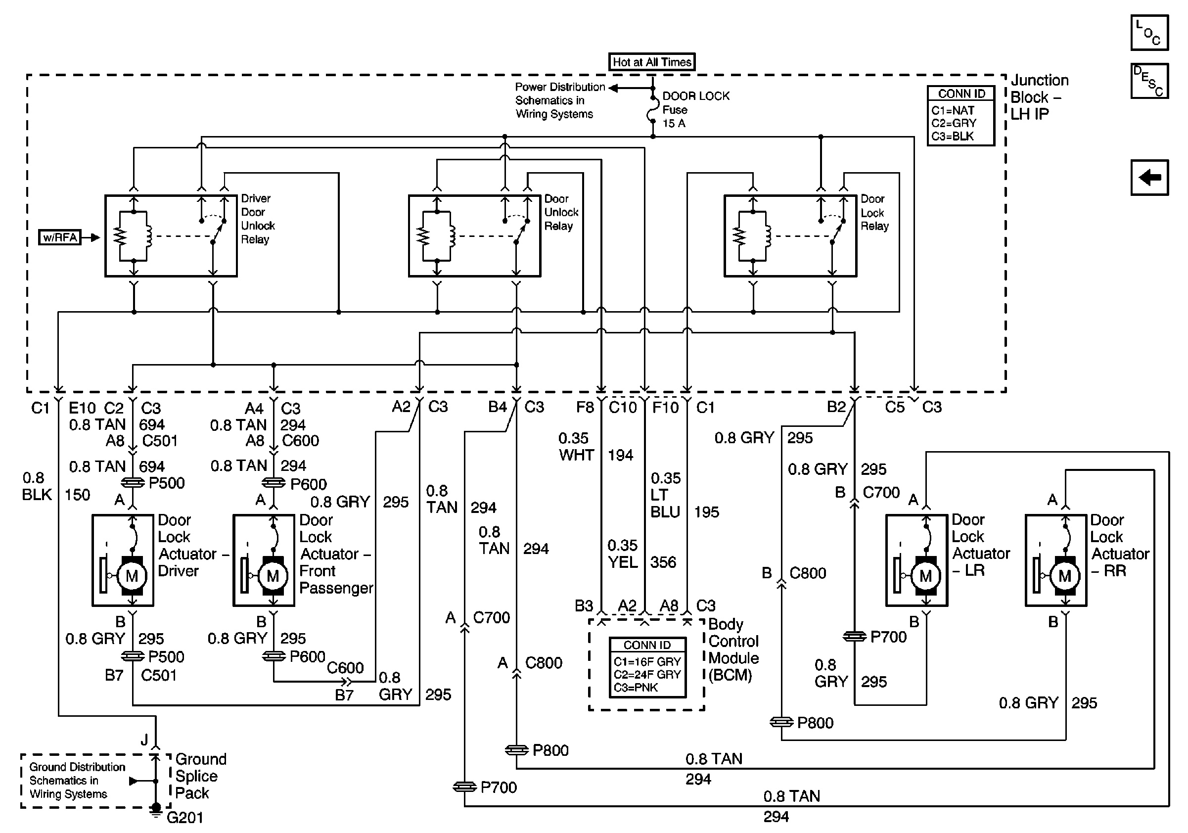
Figure
2:
Actuators
Master Electrical Component List
Power Door Locks Description and Operation
Switches
Underhood Junction Block BATT 1, POWER SEAT Circuit Breaker, PWR MIRROR, DR LOCK, TRUNK RELEASE/RFA Fuses, DOOR LOCK Relays (with RFA), REAR COMPARTMENT LID RELEASE Relay
G201