GM Service Manual Online
For 1990-2009 cars only
Makes
🢒
Chevrolet
🢒
2001
🢒
Malibu
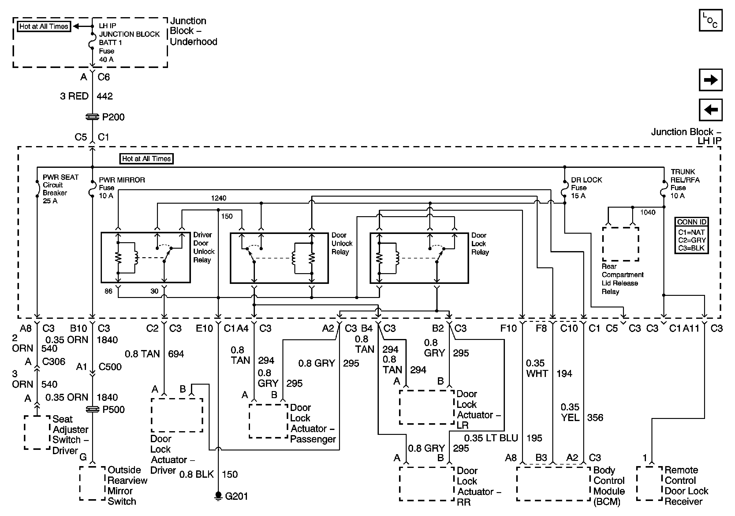
🢒 Underhood Junction Block BATT 1, POWER SEAT Circuit Breaker, PWR MIRROR, DR LOCK, TRUNK RELEASE/RFA Fuses, DOOR LOCK Relays (with RFA), REAR COMPARTMENT LID RELEASE Relay
Underhood Junction Block BATT 1, POWER SEAT Circuit Breaker, PWR MIRROR, DR LOCK, TRUNK RELEASE/RFA Fuses, DOOR LOCK Relays (with RFA), REAR COMPARTMENT LID RELEASE Relay
Underhood Junction Block BATT 1, POWER SEAT Circuit Breaker, PWR MIRROR, DR LOCK, TRUNK RELEASE/RFA Fuses, DOOR LOCK Relays (with RFA), REAR COMPARTMENT LID RELEASE Relay
Master Electrical Component List
AUX POWER/CIGAR, PARK LPS, PCM BATT Fuses, PARK LAMP Relay
IGN BATT 1, IGN SW BATT 2, AIR BAG, TURN LPS, RDO ACC, WIPER, PCM ACC, and IPC/BFC ACC Fuses
B+ Buss Bar