GM Service Manual Online
For 1990-2009 cars only
Makes
🢒
Chevrolet
🢒
2001
🢒
Malibu
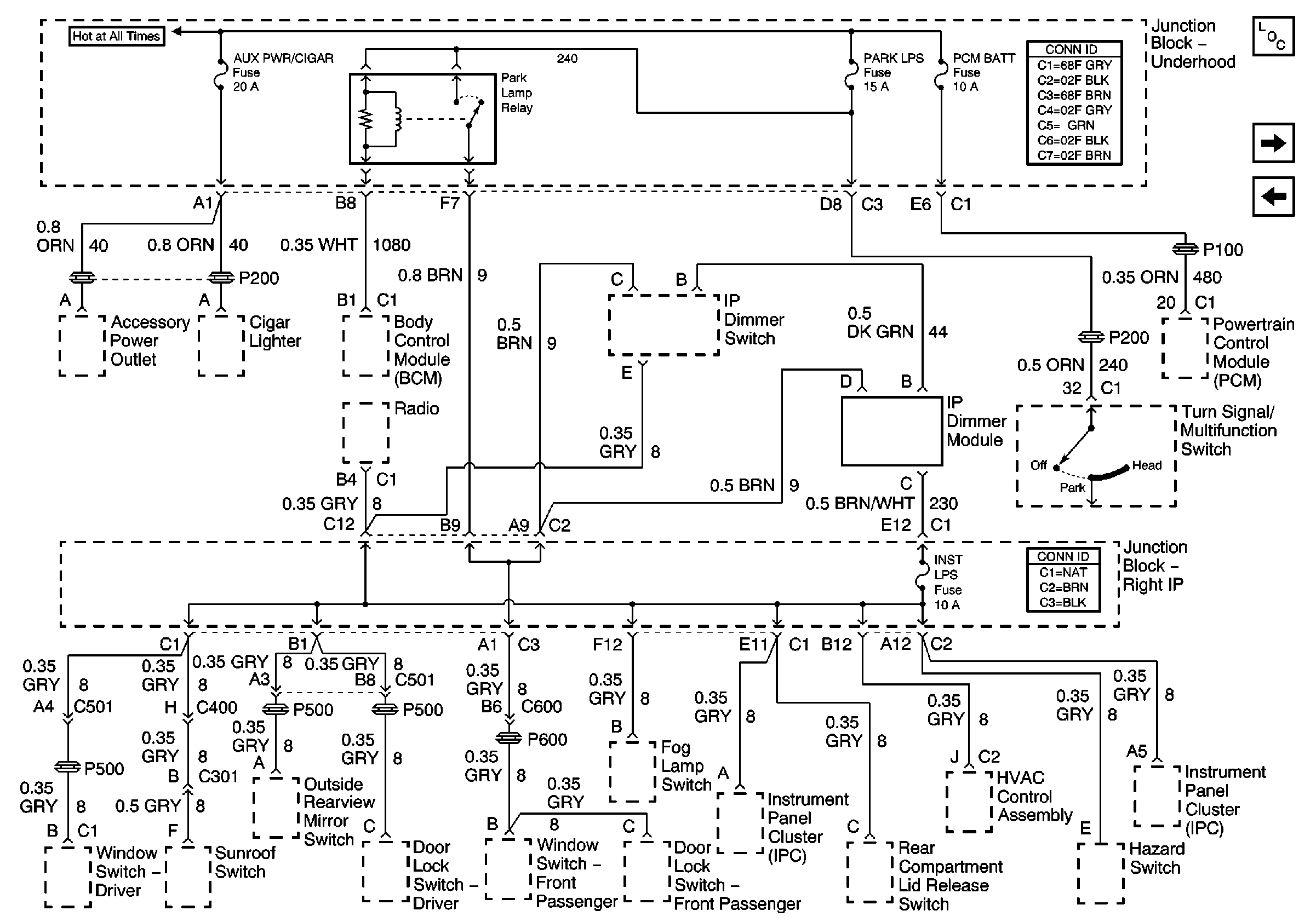
🢒 AUX POWER/CIGAR, PARK LPS, PCM BATT Fuses, PARK LAMP Relay
AUX POWER/CIGAR, PARK LPS, PCM BATT Fuses, PARK LAMP Relay
AUX POWER/CIGAR, PARK LPS, PCM BATT Fuses, PARK LAMP Relay
Master Electrical Component List
RH HDLP, LH HDLP, GEN BATT Fuses, ALC HEADLAMP Relay
Underhood Junction Block BATT 1, POWER SEAT Circuit Breaker, PWR MIRROR, DR LOCK, TRUNK RELEASE/RFA Fuses, DOOR LOCK Relays (with RFA), REAR COMPARTMENT LID RELEASE Relay
B+ Buss Bar