GM Service Manual Online
For 1990-2009 cars only
Makes
🢒
Chevrolet
🢒
2001
🢒
Malibu
🢒 Power, Ground and Fuel Delivery
Power, Ground and Fuel Delivery
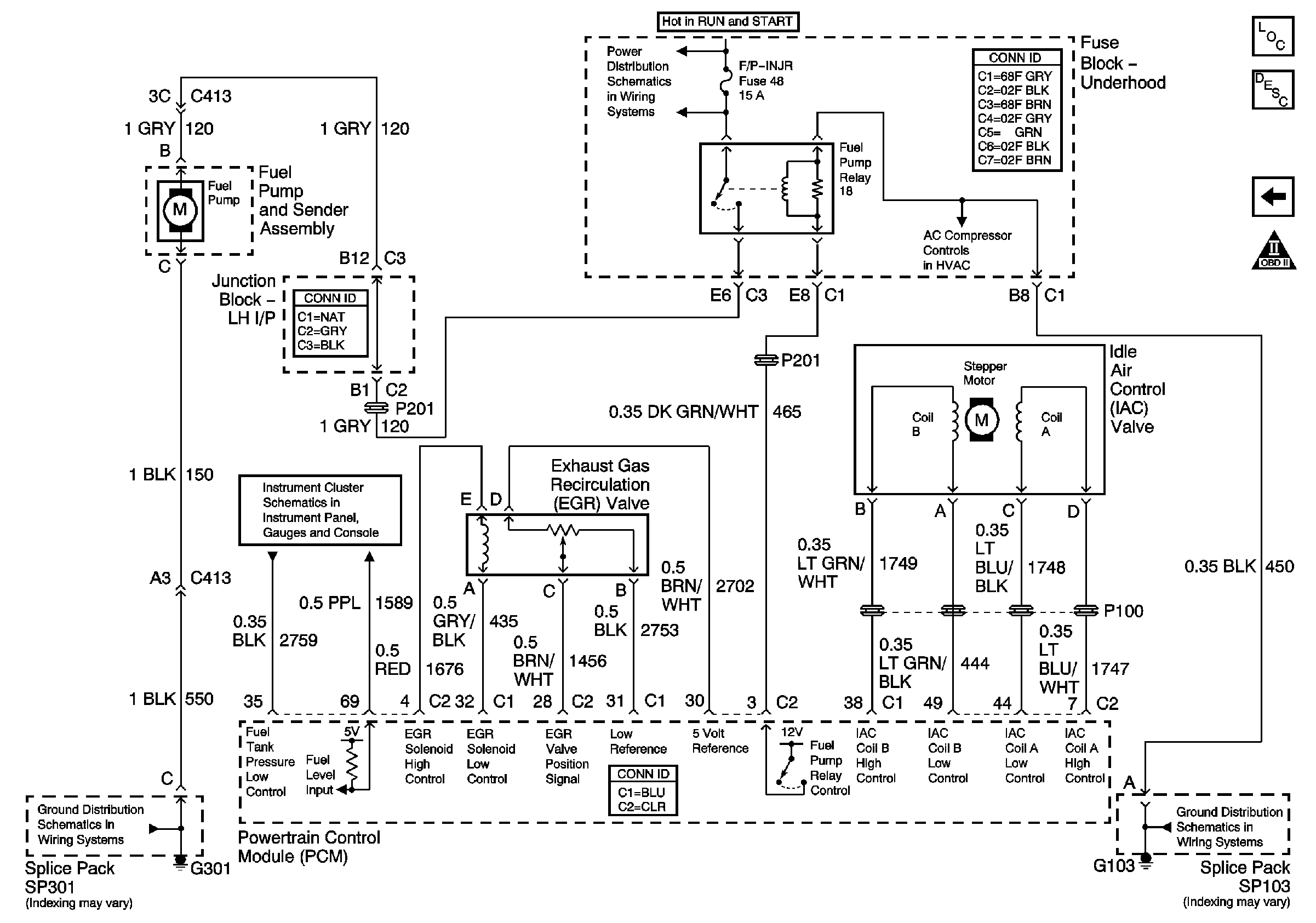
Fuel Pump, EGR, and IAC Valve Controls
Master Electrical Component List
Powertrain Control Module Description
Heated Oxygen Sensors
Power and Grounds
OBD II Symbol Description Notice
G103 and G105
A/C Compressor Controls
IGN MOD, B/U LMP, PCM IGN, F/P INJR, A/C BFC, AUTO TRANS and ABS IGN Fuses
Indicators
G301