GM Service Manual Online
For 1990-2009 cars only
Makes
🢒
Chevrolet
🢒
2001
🢒
Malibu
🢒 Charging System
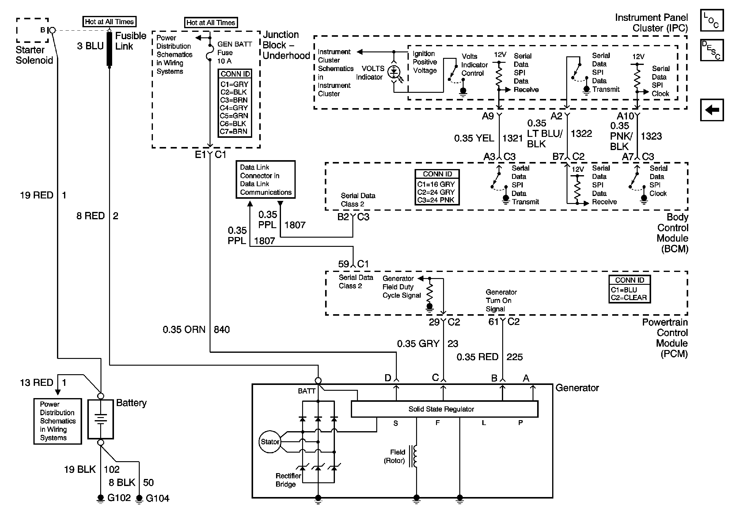
Charging System
Charging System
Master Electrical Component List
Charging System Description and Operation
Starting System
Indicators
Data Link Communications
RH HDLP, LH HDLP, GEN BATT Fuses, ALC HEADLAMP Relay
B+ Buss Bar
G102 and G104