GM Service Manual Online
For 1990-2009 cars only
Makes
🢒
Chevrolet
🢒
2001
🢒
Malibu
🢒 Powers and Grounds
Powers and Grounds
Powers and Grounds
Master Electrical Component List
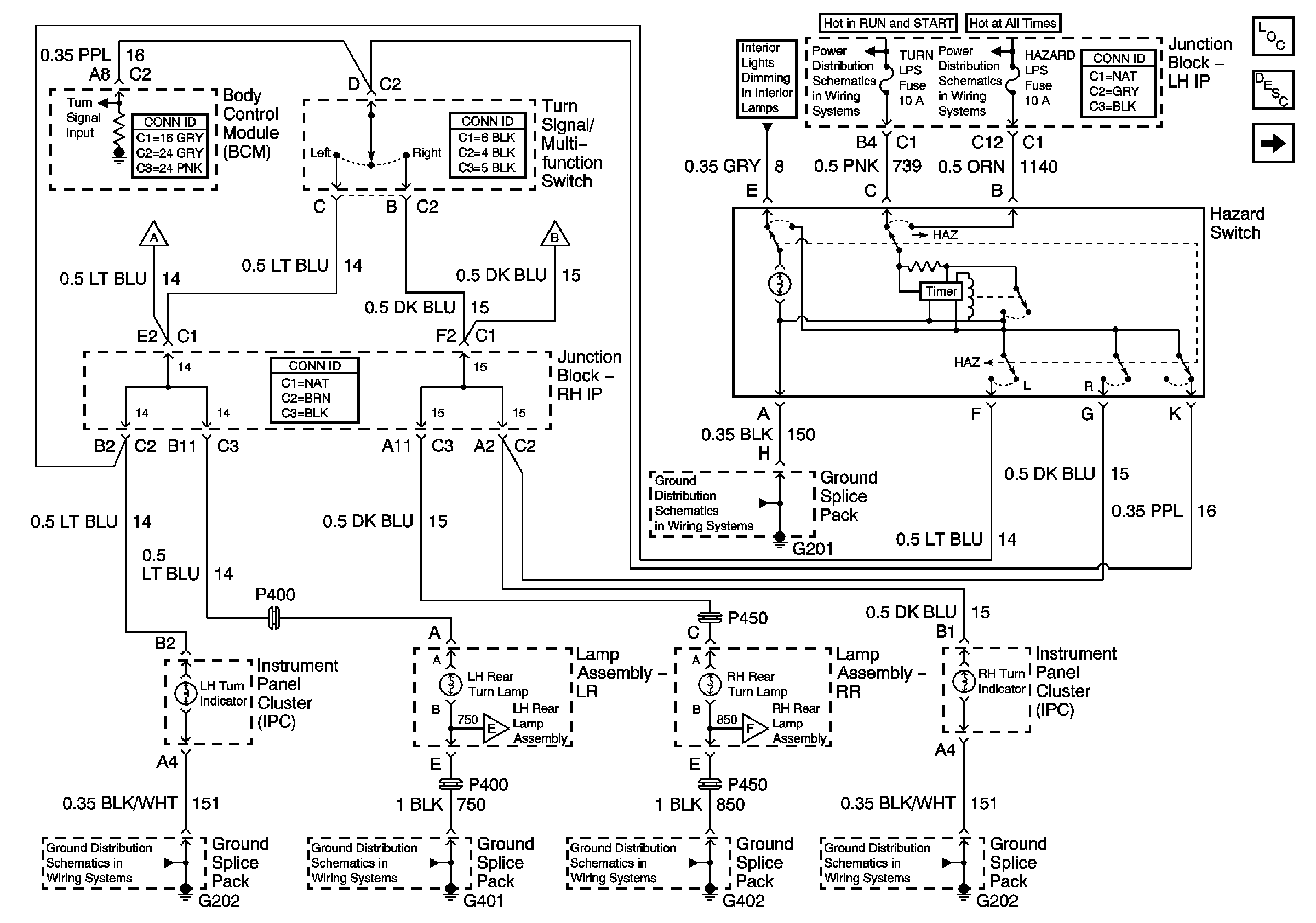
Exterior Lighting Systems Description and Operation
Park LPS Relay
LH IP Junction Block BATT 2, STOP LPS, IPC/HVAC BATT, BFC BATT Fuses
IGN BATT 1, IGN SW BATT 2, AIR BAG, TURN LPS, RDO ACC, WIPER, PCM ACC, and IPC/BFC ACC Fuses
Panel Dimming
Tail Lights
G201
Tail Lights
Park LPS Relay
Park LPS Relay
G401
G402
G202
G202