GM Service Manual Online
For 1990-2009 cars only
Makes
🢒
Chevrolet
🢒
2001
🢒
Malibu
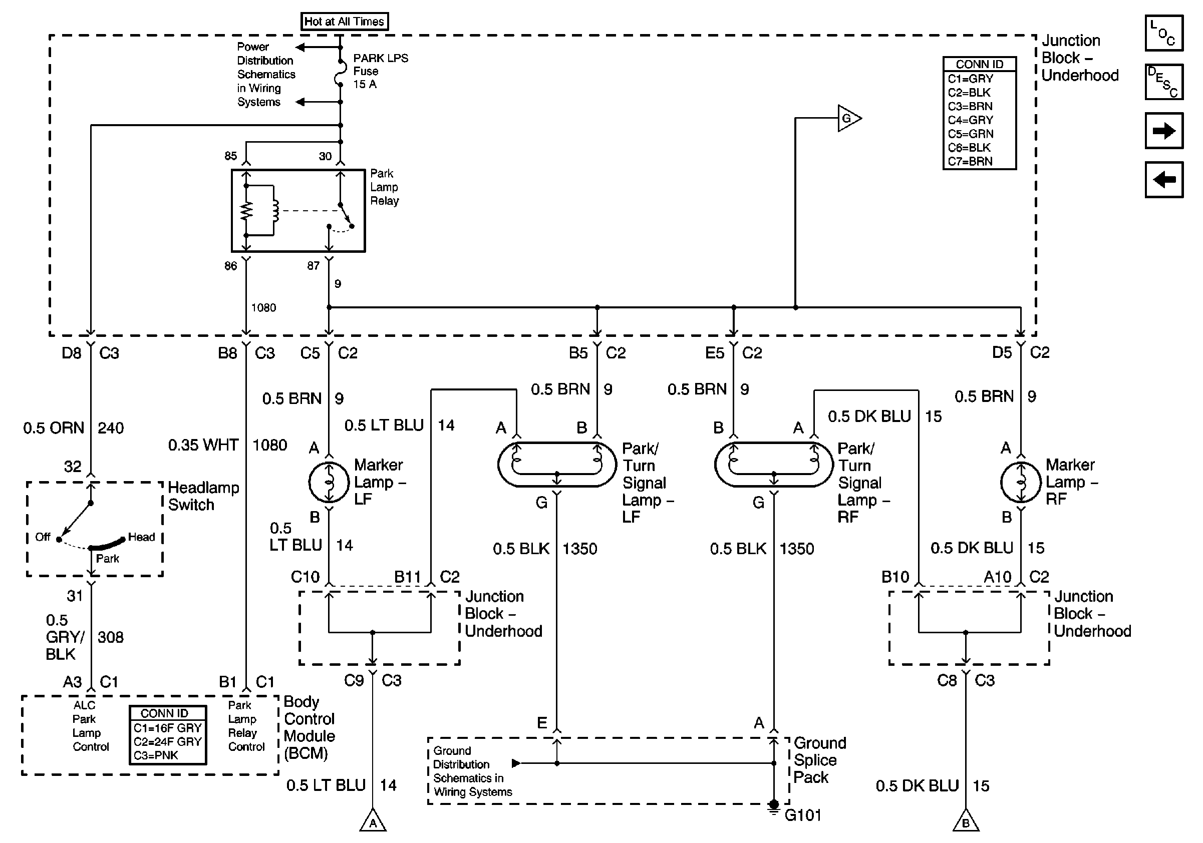
🢒 Park LPS Relay
Park LPS Relay
Park LPS Relay
Master Electrical Component List
Exterior Lighting Systems Description and Operation
Interior Accessories
Powers and Grounds
Interior Accessories
AUX POWER/CIGAR, PARK LPS, PCM BATT Fuses, PARK LAMP Relay
Powers and Grounds
G101
Powers and Grounds