GM Service Manual Online
For 1990-2009 cars only
Makes
🢒
Chevrolet
🢒
2001
🢒
Malibu
🢒 Interior Accessories
Interior Accessories
Interior Accessories
Master Electrical Component List
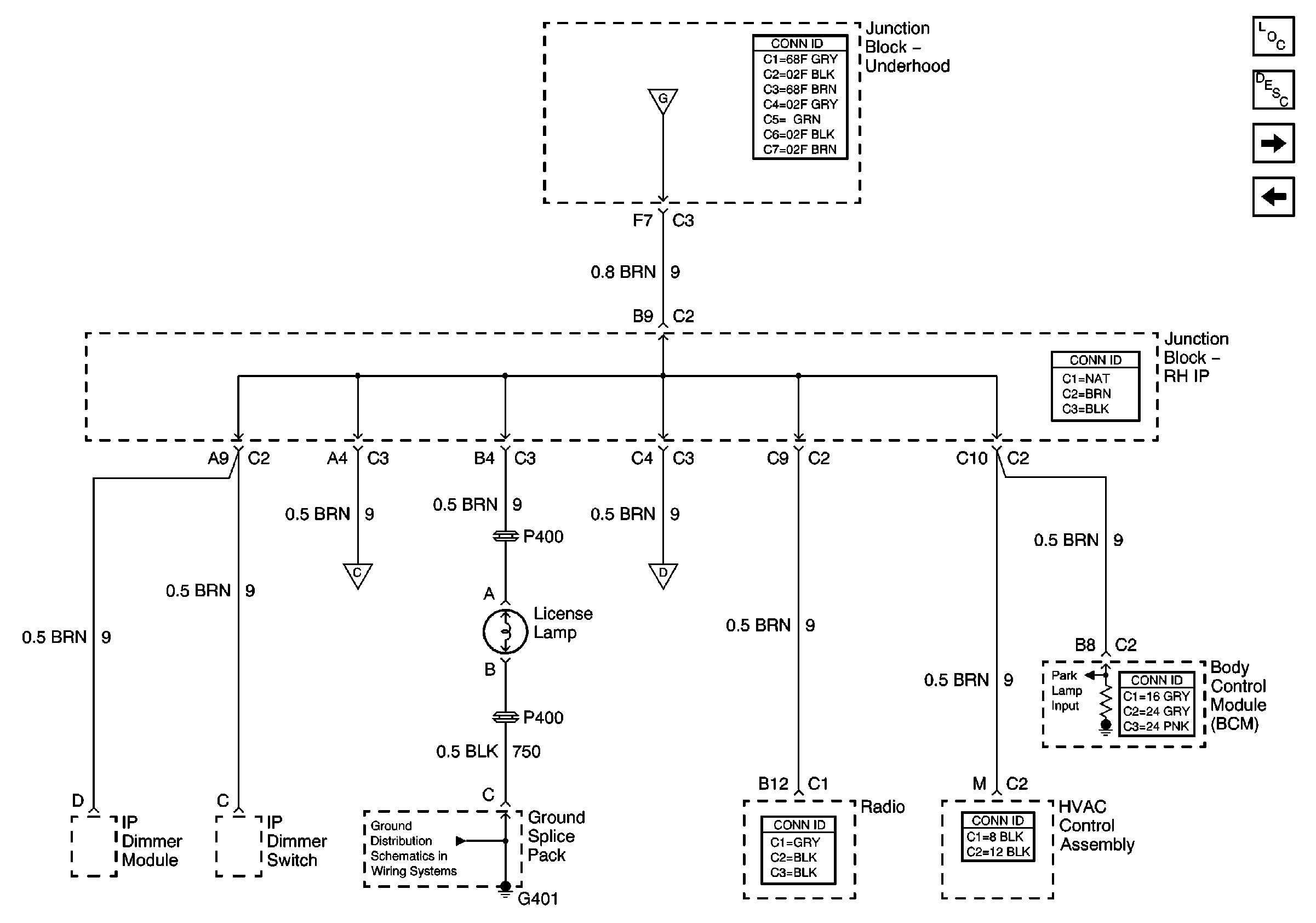
Exterior Lighting Systems Description and Operation
Tail Lights
Park LPS Relay
Park LPS Relay
Tail Lights
Tail Lights
G401