GM Service Manual Online
For 1990-2009 cars only
Makes
🢒
Chevrolet
🢒
2001
🢒
Malibu
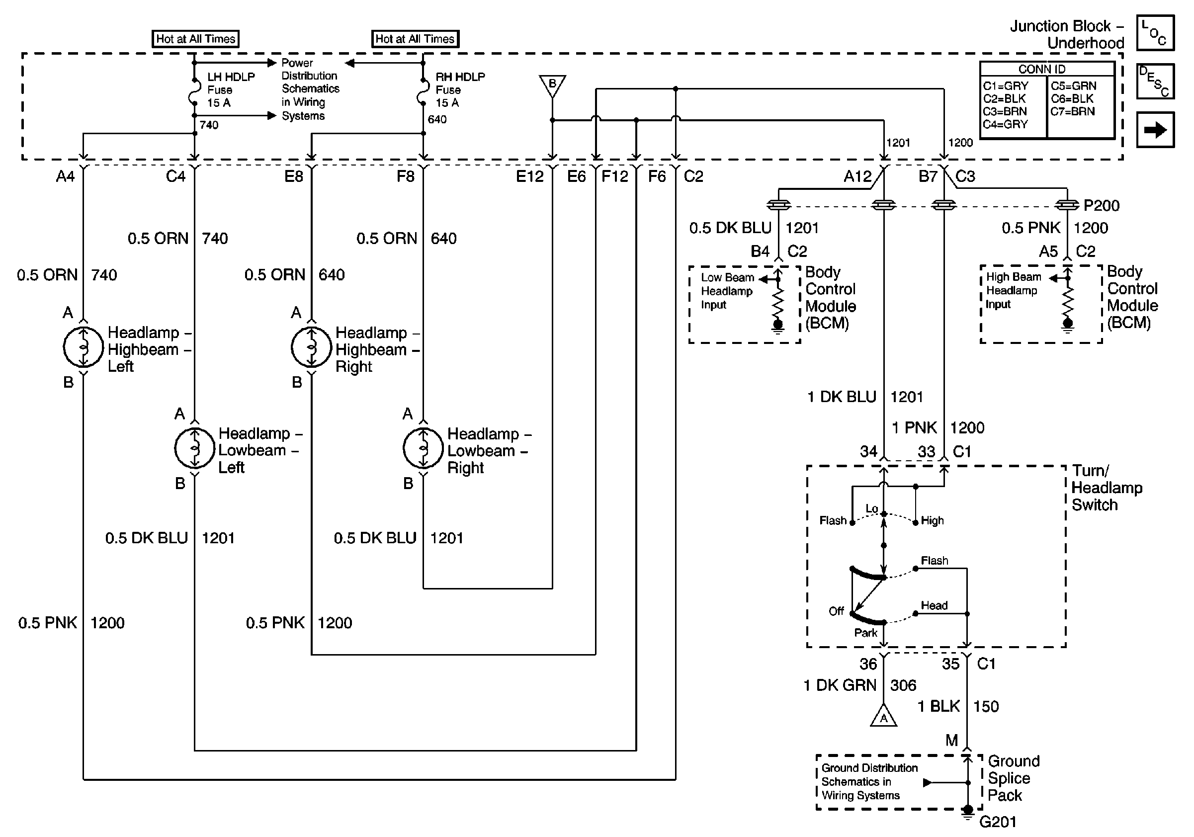
🢒 Headlights
Headlights
Headlights
Master Electrical Component List
Exterior Lighting Systems Description and Operation
DRL & ALC Relays
DRL & ALC Relays
RH HDLP, LH HDLP, GEN BATT Fuses, ALC HEADLAMP Relay
DRL & ALC Relays
G201