GM Service Manual Online
For 1990-2009 cars only
Makes
🢒
Chevrolet
🢒
2001
🢒
Malibu
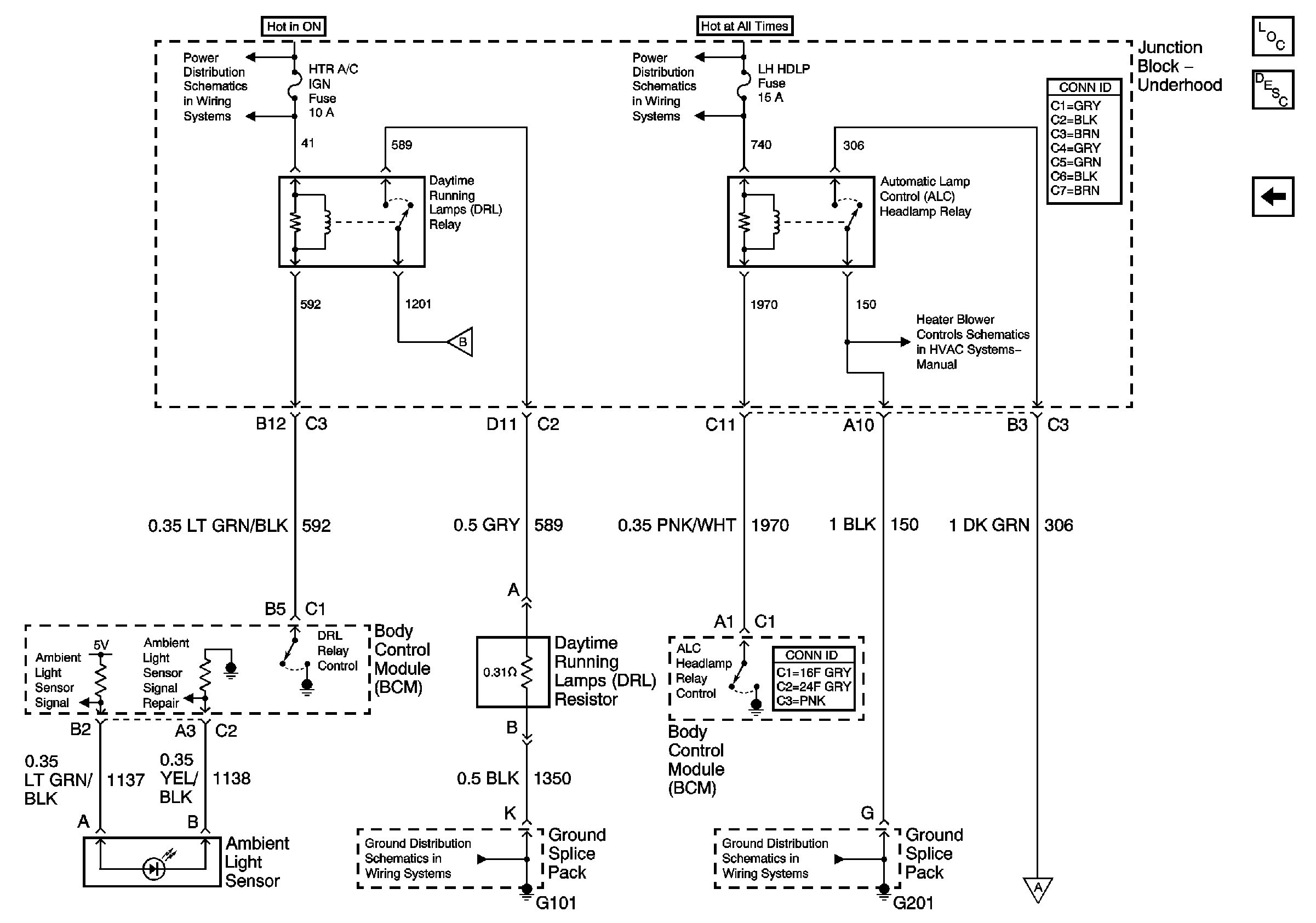
🢒 DRL & ALC Relays
DRL & ALC Relays
DRL & ALC Relays
Master Electrical Component List
Exterior Lighting Systems Description and Operation
Headlights
Headlights
Driver Controls
RH HDLP, LH HDLP, GEN BATT Fuses, ALC HEADLAMP Relay
HTR, A /C IGN, and ERLS Fuses
Headlights
G101
G201