GM Service Manual Online
For 1990-2009 cars only
Makes
🢒
Chevrolet
🢒
2001
🢒
Malibu
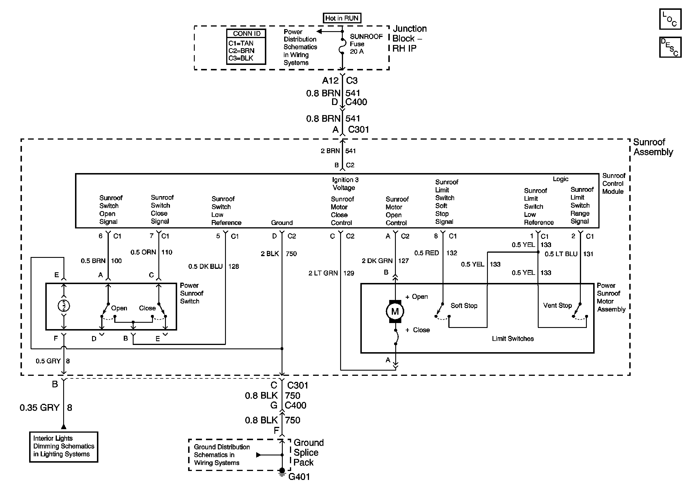
🢒 Power Sunroof
Power Sunroof
Master Electrical Component List
Sunroof Description and Operation
PWR WINDOWS, CRUISE SW, CRUISE, SUNROOF and HVAC BLOWER Fuses
Door Dimming
G401