GM Service Manual Online
For 1990-2009 cars only
Makes
🢒
Chevrolet
🢒
2001
🢒
Malibu
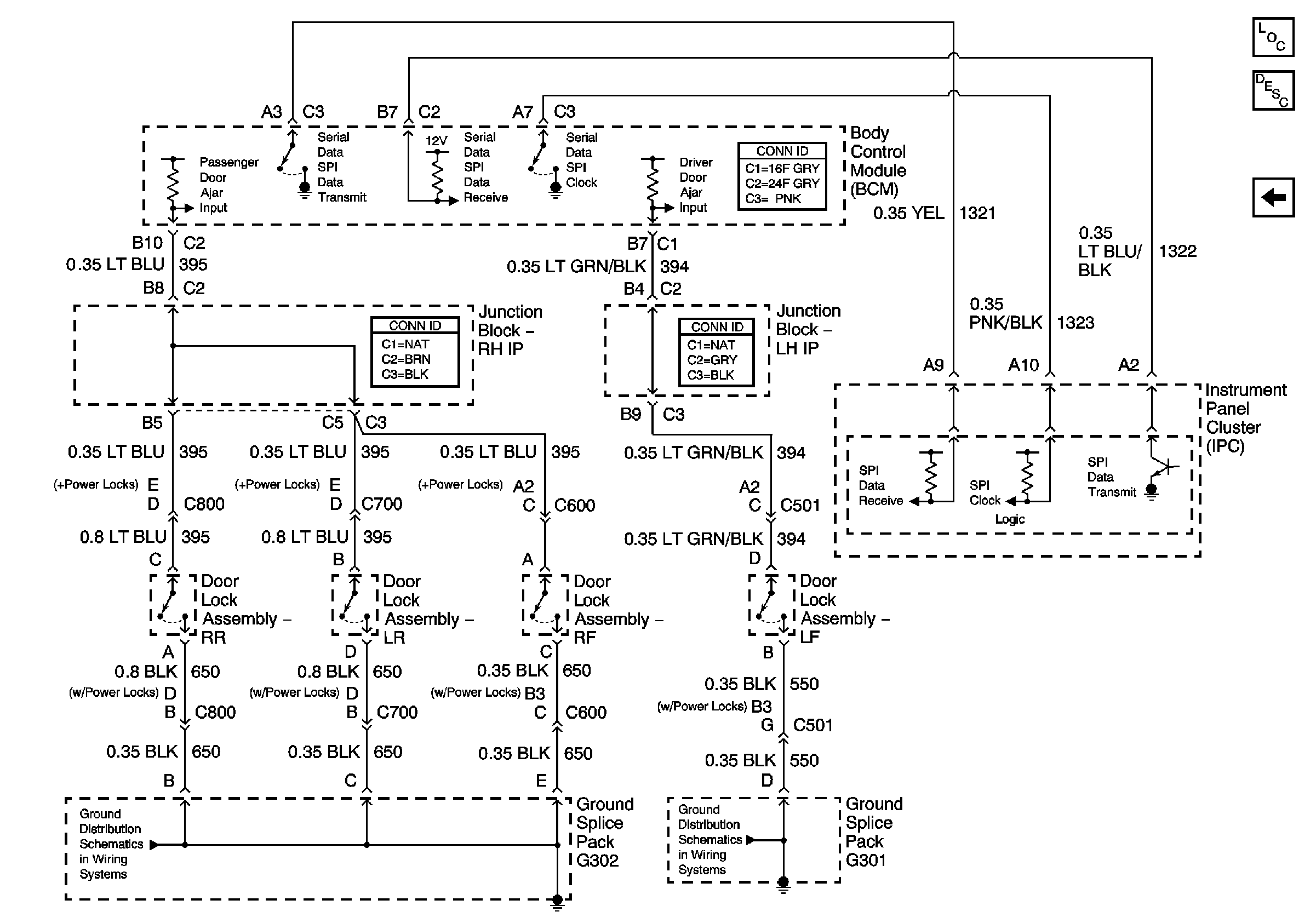
🢒 Door Ajar Switches
Door Ajar Switches
Door Ajar Switches
Master Electrical Component List
Interior Lighting Systems Description and Operation
Courtesy Lights
G301
G302